Bộ đếm Omron H7BX-AWD1

Bộ đếm Omron H7BX-AWD1
Digital Counter
Preset counter/Tachometer
2 tiers
6 digit
Contact and NPN transistor output
24 VAC/12 to 24 VDC 

Mua Ngay : Zalo

nhà chế tạo: Omron
SKU: H7BX-AWD1
Ngày giao hàng: 1-3 days
Giá cũ: 9.307.980 ₫
7.756.650 ₫
Giao đến
*
*
Phương pháp vận chuyển
Tên
Ngày dự kiến giao hàng
Giá bán
Không có tùy chọn giao hàng nào

Thông tin chi tiết của: Bộ đếm Omron H7BX-AWD1

Thông số kỹ thuật cơ bản của: H7BX-AWD1

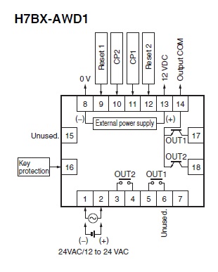
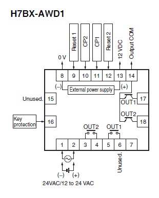
Rated supply voltage 24 VAC 50/60 Hz 12 to 24 VDC (Ripple 20 % max.)
Preset stages 2 step
Digits 6 digit
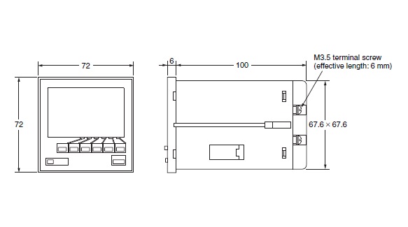
External connection method Screw terminal
Mounting method Flush mounting

Thông số kỹ thuật chi tiết của: H7BX-AWD1

ModelH7BX-AWD1
Function1 Stage Preset Counter, 2 Stage Preset Counter, Total Preset Counter, Batch Counter, Dual Counter, Twin counter, Tachometer
Preset stages2 step
Rated supply voltage24 VAC 50/60 Hz12 to 24 VDC (Ripple 20 % max.)
Operating voltage range85 to 110% of rated power supply voltage (90 to 110% at 12 VDC)
Power consumptionat 24 VAC: 8 VA max.12 to 24 VDC: 5.3 W max.
External power supply12 VDC (±10%) 100 mA
CounterCount range-99999 to 999999
Max. counting speed30 Hz/5 kHz (switching)(ON/OFF ratio 1:1)
Minimum input signal width30 Hz: 16.7 ms5 kHz: 0.1 ms
Input modeIncrement (UP), decrement (DOWN), increment/decrement (UP/DOWN A (command input), UP/DOWN B (individual inputs), or UP/DOWN C (quadrature inputs)), UP/DOWN D (command input), UP/DOWN E (individual inputs), UP/DOWN E (quadrature inputs))
Output modesN, F, C, R, K-1, P, Q, A, K-2, D, L, H
One-shot output time0.01 to 99.99 s
Reset systemExternal (Minimum input signal width: 1 ms/20 ms selectable, manual and automatic reset (internal according to C, R, P and Q mode operation)
TachometerPulse measurement methodPeriodic measurement
Max. counting speed30 Hz/10 kHz (switching)
Sampling period200 ms
Count range0 to 999999
Measuring ranges30 Hz: 0.01 to 30.00 Hz10 kHz: 0.01 to 5 kHz (1-input mode: 0.001 Hz to 10 kHz)
Output modes2-input individual measurement: Upper limit/ lower limitExcept 2-input individual measurement: Upper and lower limit/ area/ upper limit/ lower limit
InputInput signalCP1, CP2, Reset 1, Reset 2, Key protect
Input methodNo-voltage (NPN)/Voltage input (PNP) selectable
No-voltage input (No-contact input)Short-circuit (ON) impedance: 1 kΩ max. (Leakage current (0 Ω): Approx. 12 mA)Residual voltage: 3 V max.Open circuit impedance: 100 kΩ min.
No-voltage input (Contact input)Use a contact which can adequately switch 5 mA at 10 V.
Voltage inputHight level: 4.5 to 30 VDCLow level: 0 to 2 VDC (Input resistance Approx. 4.7 kΩ)
Control outputContact output2 stages of SPST-NO3 A at 250 VAC/30 VDC, resistive load (cos phi=1)Minimum applicable load: 10 mA at 5 VDC (failure level:P reference value)
Solid-state outputNPN30 VDC max., 100 mA max.Residual voltage 1.5 V max.DCCapacity value: Approx. 1 VLeakage current 0.1 mA max.
DisplayDisplay method7-segment backlit negative transmissive LCD
Digits6 digit
Character heightCount value: 13.5 mm (Red or green programmable)Set value: 9 mm (green)
Prescaling function0.001 to 99.999
Decimal point adjustmentRightmost 3 digits
Key protectionKey protect input
Memory backup methodsMethod: Non-volatile memory, Number of rewite: 100,000 operations min., Store data: 10 years min.
Ambient temperature (Operating)-10 to 55 ℃ (with no icing)
Ambient temperature (Storage)-25 to 65 ℃ (with no icing)
Ambient humidity (Operating)25 to 85 % (with no condensation)
Insulation resistanceBetween current carrying terminals and exposed non-current carrying metal parts: 100 MΩ min. (at 500 VDC)Between non-continuous contacts: 100 MΩ min. (at 500 VDC)
Dielectric withstand voltageBetween current carrying metal parts and non-current carrying metal parts: 2000 VAC 50/60 Hz 1 minBetween operating power circuit and input circuit: 1000 VAC 50/60 Hz 1 minBetween control output, and power supply/input circuit: 2000 VAC 50/60 Hz 1 minBetween non-continuous contacts: 1000 VAC 50/60 Hz 1 min
Impulse withstand voltageBetween power terminals: 1.0 kVBetween current carrying terminals and exposed non-current carrying metal parts: 1.5 kV
Noise immunityBetween power terminals: ±1.5 kVBetween input terminals: ±600 Vsquare-wave noise by noise simulator (pulse width: 100 ns/1 µs, 1-ns rise)
Static immunityMulfunction: 8 kV, Destruction: 15 kV
Vibration resistanceDestruction: 10 to 55 Hz, 0.75 mm single amplitude each in 3 directions for 2 hMalfunction: 10 to 55 Hz, 0.5 mm single amplitude each in 3 directions for 10 min
Shock resistanceDestruction: 294 m/s2, 3 times each in 3 axes 6 directionsMalfunction: 98 m/s2, 3 times each in 3 axes 6 directions
Life expectancyMechanical life 10 million operations min.Electrical life 100,000 operations min. (3 A at 250 VAC resistive load)
Degree of protectionCase front: IP54
External connection methodScrew terminal
Case colorBlack (Munsell N1.5)
AccessoriesMounting Bracket, Terminal Cover, Label for DIP switch settings
WeightApprox. 250 g

 

Cam Kết Chất Lượng và Dịch Vụ

Chúng tôi có hơn 35.000 sản phẩm vì vậy hãy liên hệ với chúng tôi 
Để được tư vấn và check tình trạng hàng bạn nhé!
AUTO TECH VN cam kết:
1. Hàng Chính Hãng.
2. Xuất được Hóa đơn VAT.
3. Cấp CO/CQ đầy đủ.
4. Giá cạnh tranh.
5. Sản phẩm bảo hành theo chính sách của hãng.
6. Miễn Phí hỗ trợ cài đặt và sử dụng thiết bị.

Thông Tin Liên Hệ Mua Hàng

AUTO TECH VN - AUT.VN 
ĐT/ Zalo : 0968.053.025
Email: support@aut.vn Email2: sale@aut.vn
Địa chỉ: 07 KĐT Flora Mizuki, Đường Số 1, Bình Hưng, Bình Chánh, Hồ Chí Minh

Thẻ sản phẩm

chỉ có thành viên mới được trả lời