Bộ nguồn xung Omron S8AS-48008

Bộ nguồn xung  Omron S8AS-48008 
Smart Power Supply 
Capacity 480 W 
8 branch outputs 
Changeable parameter settings 

Mua Ngay : Zalo

nhà chế tạo: Omron
SKU: S8AS-48008
Ngày giao hàng: 1-3 days
Giá cũ: 23.997.838 ₫
19.998.198 ₫
Giao đến
*
*
Phương pháp vận chuyển
Tên
Ngày dự kiến giao hàng
Giá bán
Không có tùy chọn giao hàng nào

Thông tin chi tiết của: Bộ nguồn xung Omron S8AS-48008

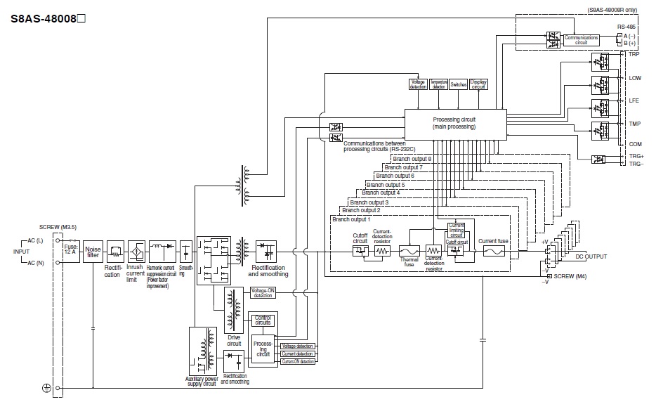
Thông số kỹ thuật cơ bản của: S8AS-48008

Power rating 480 W
Output voltage 24 VDC
Rated input voltage 100 to 240 VAC
Construction Covered type
Connection Terminal blocks
Terminal type Screw terminal, Screwless terminal

Thông số kỹ thuật chi tiết của: S8AS-48008

ModelS8AS-48008
Power rating480 W
Output voltage24 VDC
Efficiency80 % typ.
InputRated input voltage100 to 240 VAC
Allowable input voltage variable range85 to 264 VAC
Frequency50/60Hz (47 to 63 Hz)
Rated input current7.4 A max. (at 100 VAC input)3.9 A max. (at 200 VAC input)
Power factor0.95 min.
Leakage current0.5 mA max. (at 100 VAC input)1 mA max. (at 200 VAC input)
Inrush current (cold start at 25 ℃)25 A max. (at 100 VAC input)50 A max. (at 200 VAC input)
OutputRated output current20 A
Output voltage variable range±10 % (With V.ADJ)
Ripple2 %(p-p) max.
Static input variation influence0.5 % max. (at 100% load)
Static load variation influence4.0 % max. (at rated input, 0 to 100% load)
Ambient temperature variation influence0.05 %/℃ max.
Start up time3000 ms max.
Hold time20 ms min.
Additional functionsSeries operationNo
Parallel operationNo
Output indicatorYes (color: green)
Output voltage indicationYes
Output current indicationYes
Maintenance forecast monitorOutput: Yes (photoswitch output, 30 VDC max., 50 mA max., Leakage current: 0.1 mA max., Residual voltage: 2 V max.)
Undervoltage alarmOutput: Yes (photoswitch output, 30 VDC max., 50 mA max., Leakage current: 0.1 mA max., Residual voltage: 2 V max.)Indication: Yes
InsulationDielectric strengthBetween all input terminals and all branch outputs/all I/O signals/all communications terminals: 3 kVAC for 1 min, Detection current: 20 mABetween all input terminals and PE terminals: 2 kVAC for 1 min, Detection current: 20 mABetween all branch outputs/all I/O signals/all communications and PE terminals: 1 kVAC for 1 min, Detection current: 20 mABetween all branch outputs/all I/O signals and all communications terminals: 500 VAC for 1 min, Detection current: 20 mABetween all I/O signals and all communications: 500 VAC for 1 min, Detection current: 20 mABetween all input signals and all output signals: 500 VAC for 1 min, Detection current: 20 mA
Insulation resistanceBetween all branch outputs/all I/O signals/all communications terminals and all input terminals/PE terminals: 100 MΩ min., at 500 VDC
EnvironmentVibration resistance10 to 55 Hz, 0.375 mm single amplitude in each 3 directions for 2 hours
Shock resistance150 m/s2, in each 6 directions 3 times
Ambient temperature (Operating)-10 to 60 ℃ (with no freezing or condensation)
Ambient temperature (Storage)-25 to 65 ℃
Ambient humidity (Operating)25 to 85 %
Ambient humidity (Storage)25 to 90 %
ReliabilityLife expectancy10 years (at rated input, a load rate of 50% load, under the temperature of 40 ℃, standard mounting)
ConstructionConstructionCovered type
ConnectionTerminal blocks
Terminal typeScrew terminal, Screwless terminal
MountingDIN track mounting
Weight (Main)2400 g max.

 

Cam Kết Chất Lượng và Dịch Vụ

Chúng tôi có hơn 35.000 sản phẩm vì vậy hãy liên hệ với chúng tôi 
Để được tư vấn và check tình trạng hàng bạn nhé!
AUTO TECH VN cam kết:
1. Hàng Chính Hãng.
2. Xuất được Hóa đơn VAT.
3. Cấp CO/CQ đầy đủ.
4. Giá cạnh tranh.
5. Sản phẩm bảo hành theo chính sách của hãng.
6. Miễn Phí hỗ trợ cài đặt và sử dụng thiết bị.

Thông Tin Liên Hệ Mua Hàng

AUTO TECH VN - AUT.VN 
ĐT/ Zalo : 0968.053.025
Email: support@aut.vn Email2: sale@aut.vn
Địa chỉ: 07 KĐT Flora Mizuki, Đường Số 1, Bình Hưng, Bình Chánh, Hồ Chí Minh

chỉ có thành viên mới được trả lời