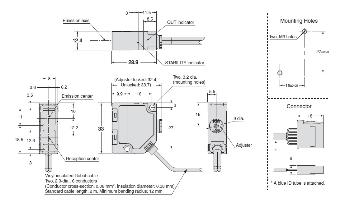
Cảm Biến Lazer Omron E3NC-LH02 2M Cảm Biến Lazer Omron E3NC-LH02 2M Smart Laser Sensor Compact Laser Sensor Sensor Head Diffuse-reflective Sensing distance: 1.2 m Cable length 2 m Mua Ngay : nhà chế tạo: Omron SKU: E3NC-LH02 2M Ngày giao hàng: 1-3 days Giá cũ: 6.145.643 ₫ Giá bán: 5.121.369 ₫ Số lượng: Thêm vào giỏ hàng Giao đến Chọn quốc gia Vietnam * Khác * Phương pháp vận chuyển Tên Ngày dự kiến giao hàng Giá bán Không có tùy chọn giao hàng nào Áp dụng Custom wishlist được Thêm vào danh sách yêu thích Thêm vào danh sách so sánh Gửi email cho một người bạn Thông tin chi tiết của: Cảm Biến Lazer Omron E3NC-LH02 2M Thông số kỹ thuật cơ bản của: E3NC-LH02 2M Sensing method Diffuse-reflective Sensing distance Giga-power mode: 1200 mm Standard mode: 750 mm High-speed mode: 250 mm Super-high-speed mode: 200 mm Note: White paper Light source Red semiconductor laser diode (660 nm) Connection method Pre-wired connector models Thông số kỹ thuật chi tiết của: E3NC-LH02 2M ModelE3NC-LH02 2MShapeSquare typeSeparate Amplifier classificationSensor HeadSensing methodDiffuse-reflectiveSensing distanceGiga-power mode: 1200 mmStandard mode: 750 mmHigh-speed mode: 250 mmSuper-high-speed mode: 200 mmNote: White paperSpot size0.8 mm dia. (Distance: 300 mm)Differential distance10% max. of setting distanceLight sourceRed semiconductor laser diode (660 nm)Classification of laserIEC: Class 1EN: Class 1FDA: Class 1JIS: Class 1Ambient illuminanceIncandescent lamp: 10000 lux max., Sunlight: 20000 lux max.Ambient temperature range (Operating)-10 to 55 ℃ (with no freezing or condensation)Ambient temperature range (Storage)-25 to 70 ℃ (with no freezing or condensation)Ambient humidity range (Operating)35 to 85 % (with no condensation)Ambient humidity range (Strage)35 to 85 % (with no condensation)Insulation resistance20 MΩ min. (500 VDC megger)Dielectric strength1000 VAC 50/60 Hz 1 minVibration resistanceDestruction: 10 to 55 Hz, 1.5 mm or 100 m/s2 double amplitude for 2 hours each in X, Y, and Z directionsShock resistanceDestruction: 500 m/s2 3 times each in X, Y and Z directionsDegree of protectionIEC: IP65 (when adjuster is locked)Connection methodPre-wired connector models (Cable length 2 m)IndicatorOUT indicator (orange), STABILITY indicator (green)WeightPackage: Approx. 115 gMain Unit: Approx. 65 gAccessoriesInstruction manualMaterialCase: Polybutylene terephthalate (PBT)Lens: Methacrylate resin (PMMA)Cable: Polyvinyl chloride (PVC)Amplifier unit/senso head of combinationE3NC-LA0, E3NC-LA21 2M, E3NC-LA24, E3NC-LA51 2M, E3NC-LA54, E3NC-LA7, E3NC-LA9 Cam Kết Chất Lượng và Dịch Vụ Chúng tôi có hơn 35.000 sản phẩm vì vậy hãy liên hệ với chúng tôi Để được tư vấn và check tình trạng hàng bạn nhé! AUTO TECH VN cam kết: 1. Hàng Chính Hãng. 2. Xuất được Hóa đơn VAT. 3. Cấp CO/CQ đầy đủ. 4. Giá cạnh tranh. 5. Sản phẩm bảo hành theo chính sách của hãng.6. Miễn Phí hỗ trợ cài đặt và sử dụng thiết bị. Thông Tin Liên Hệ Mua Hàng AUTO TECH VN - AUT.VN ĐT/ Zalo : 0968.053.025 Email: support@aut.vn Email2: sale@aut.vn Địa chỉ: 07 KĐT Flora Mizuki, Đường Số 1, Bình Hưng, Bình Chánh, Hồ Chí Minh Thẻ sản phẩm Cảm Biến Lazer (23) , Smart Laser Sensor (23) , Sensors (1856) , PhotoelectricSensors (473) , SeparateAmplifier (90) , E3NC (23)