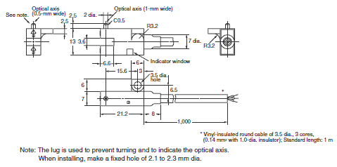
Cảm biến quang điện siêu nhỏ Omron EE-SPX304-W2A 1M NPNDark ON5...24VDCTần số đóng/mở: 0.5kHzChiều rộng khe/rãnh: 3.6mm nhà chế tạo: Omron SKU: EE-SPX304-W2A 1M Tải xuống mẫu Giá cũ: 1.005.880 ₫ Giá bán: 838.233 ₫ Số lượng: Thêm vào giỏ hàng Danh sách yêu thích tùy chỉnh được Thêm vào danh sách yêu thích Thêm vào danh sách so sánh Gửi email cho một người bạn Thông tin chi tiết của: Cảm biến quang điện siêu nhỏ Omron EE-SPX304-W2A 1M Thông số kỹ thuật cơ bản của: EE-SPX304-W2A 1M Type Grooved Type Luminous method Modulated Sensing method Through-beam type Sensing distance Slot width: 3.6 mm Control output (Output type) NPN voltage output Operation mode Dark-ON Connection method Pre-wired models Thông số kỹ thuật chi tiết của: EE-SPX304-W2A 1M ModelEE-SPX304-W2A 1MTypeGrooved TypeLuminous methodModulatedSensing methodThrough-beam typeSensing distanceSlot width: 3.6 mmOperation modeDark-ONStandard sensing objectOpaque, 1 x 0.5 mm min.Differential distance elements0.05 mm max.Light source (Peak wavelength)GaAs infrared LED (pulse lighting) (940 nm)IndicatorLight indicator (red)Power supply voltage5 to 24 VDC ±10%ripple (p-p) 5 % max.Current consumptionAverage value: 15 mA max.Peak: 50 mA max.Control outputOutput typeNPN voltage outputLoad power supply voltage5 to 24 VDCLoad curren80 mA max.Residual voltageat 80 mA load current: 1.0 V max.at 10 mA load current: 0.4 V max.Response frequency elements500 Hz min.Illumination on the surface receiverIncandescent light, sunlight: 3000 lx max.Ambient temperatureOperating: -10 to 55 ℃Storage: -25 to 65 ℃Ambient humidityOperating: 5 to 85 %Storage: 5 to 95 %Vibration resistanceDestruction: 10 to 55 Hz, 1.5 mm double amplitude each in X, Y, and Z directions for 2 hShock resistanceDestruction: 500 m/s2 for 3 times each in X, Y, and Z directionsDegree of protectionIP50Connection methodPre-wired modelsCable length1 mWeightApprox. 18.5 gMaterialCase: Polycarbonate (PC)Holder: Polycarbonate (PC) Cam Kết Chất Lượng và Dịch Vụ Chúng tôi có hơn 35.000 sản phẩm vì vậy hãy liên hệ với chúng tôi Để được tư vấn và check tình trạng hàng bạn nhé! AUTO TECH VN cam kết: 1. Hàng Chính Hãng. 2. Xuất được Hóa đơn VAT. 3. Cấp CO/CQ đầy đủ. 4. Giá cạnh tranh. 5. Sản phẩm bảo hành theo chính sách của hãng.6. Miễn Phí hỗ trợ cài đặt và sử dụng thiết bị. Thông Tin Liên Hệ Mua Hàng AUTO TECH VN - AUT.VN ĐT/ Zalo : 0968.053.025 Email: support@aut.vn Email2: sale@aut.vn Địa chỉ: 07 KĐT Flora Mizuki, Đường Số 1, Bình Hưng, Bình Chánh, Hồ Chí Minh Thẻ sản phẩm Cảm biến quang điện siêu nhỏ (361) , Photomicrosensor (105) , Sensors (1856) , PhotomicroSensors (136) , Slot-type (128) , EE-SPX-W (16) Những sản phẩm liên quan Cảm biến quang điện siêu nhỏ Omron EE-SPX304-W2A 2M NPNDark ON5...24VDCTần số đóng/mở: 0.5kHzChiều rộng khe/rãnh: 3.6mm 952.301 ₫ 793.584 ₫ Thêm vào giỏ hàng Thêm vào danh sách so sánh Danh sách yêu thích tùy chỉnh được Thêm vào danh sách yêu thích Cảm biến quang điện siêu nhỏ Omron EE-SPX404-W2A 1M NPNLight ON5...24VDCTần số đóng/mở: 0.5kHzChiều rộng khe/rãnh: 3.6mm 1.052.687 ₫ 877.239 ₫ Thêm vào giỏ hàng Thêm vào danh sách so sánh Danh sách yêu thích tùy chỉnh được Thêm vào danh sách yêu thích Cảm biến quang điện siêu nhỏ Omron EE-SPX404-W2A 2M NPNLight ON5...24VDCTần số đóng/mở: 0.5kHzChiều rộng khe/rãnh: 3.6mm 1.402.196 ₫ 1.168.497 ₫ Thêm vào giỏ hàng Thêm vào danh sách so sánh Danh sách yêu thích tùy chỉnh được Thêm vào danh sách yêu thích Cảm biến quang điện siêu nhỏ Omron EE-SPX402-W2A 2M NPNLight ON5...24VDCTần số đóng/mở: 0.5kHzChiều rộng khe/rãnh: 3.6mm 1.098.187 ₫ 915.156 ₫ Thêm vào giỏ hàng Thêm vào danh sách so sánh Danh sách yêu thích tùy chỉnh được Thêm vào danh sách yêu thích Cảm biến quang điện siêu nhỏ Omron EE-SPX406-W2A 1M NPNLight ON5...24VDCTần số đóng/mở: 0.5kHzChiều rộng khe/rãnh: 3.6mm 924.739 ₫ 770.616 ₫ Thêm vào giỏ hàng Thêm vào danh sách so sánh Danh sách yêu thích tùy chỉnh được Thêm vào danh sách yêu thích Cảm biến quang điện siêu nhỏ Omron EE-SPX306-W2A 1M NPNDark ON5...24VDCTần số đóng/mở: 0.5kHzChiều rộng khe/rãnh: 3.6mm 938.520 ₫ 782.100 ₫ Thêm vào giỏ hàng Thêm vào danh sách so sánh Danh sách yêu thích tùy chỉnh được Thêm vào danh sách yêu thích Cảm biến quang điện siêu nhỏ Omron EE-SPX406-W2A 2M NPNLight ON5...24VDCTần số đóng/mở: 0.5kHzChiều rộng khe/rãnh: 3.6mm 1.010.038 ₫ 841.698 ₫ Thêm vào giỏ hàng Thêm vào danh sách so sánh Danh sách yêu thích tùy chỉnh được Thêm vào danh sách yêu thích Cảm biến quang điện siêu nhỏ Omron EE-SPX306-W2A 2M NPNDark ON5...24VDCTần số đóng/mở: 0.5kHzChiều rộng khe/rãnh: 3.6mm 1.055.419 ₫ 879.516 ₫ Thêm vào giỏ hàng Thêm vào danh sách so sánh Danh sách yêu thích tùy chỉnh được Thêm vào danh sách yêu thích
Cảm biến quang điện siêu nhỏ Omron EE-SPX304-W2A 2M NPNDark ON5...24VDCTần số đóng/mở: 0.5kHzChiều rộng khe/rãnh: 3.6mm 952.301 ₫ 793.584 ₫ Thêm vào giỏ hàng Thêm vào danh sách so sánh Danh sách yêu thích tùy chỉnh được Thêm vào danh sách yêu thích
Cảm biến quang điện siêu nhỏ Omron EE-SPX404-W2A 1M NPNLight ON5...24VDCTần số đóng/mở: 0.5kHzChiều rộng khe/rãnh: 3.6mm 1.052.687 ₫ 877.239 ₫ Thêm vào giỏ hàng Thêm vào danh sách so sánh Danh sách yêu thích tùy chỉnh được Thêm vào danh sách yêu thích
Cảm biến quang điện siêu nhỏ Omron EE-SPX404-W2A 2M NPNLight ON5...24VDCTần số đóng/mở: 0.5kHzChiều rộng khe/rãnh: 3.6mm 1.402.196 ₫ 1.168.497 ₫ Thêm vào giỏ hàng Thêm vào danh sách so sánh Danh sách yêu thích tùy chỉnh được Thêm vào danh sách yêu thích
Cảm biến quang điện siêu nhỏ Omron EE-SPX402-W2A 2M NPNLight ON5...24VDCTần số đóng/mở: 0.5kHzChiều rộng khe/rãnh: 3.6mm 1.098.187 ₫ 915.156 ₫ Thêm vào giỏ hàng Thêm vào danh sách so sánh Danh sách yêu thích tùy chỉnh được Thêm vào danh sách yêu thích
Cảm biến quang điện siêu nhỏ Omron EE-SPX406-W2A 1M NPNLight ON5...24VDCTần số đóng/mở: 0.5kHzChiều rộng khe/rãnh: 3.6mm 924.739 ₫ 770.616 ₫ Thêm vào giỏ hàng Thêm vào danh sách so sánh Danh sách yêu thích tùy chỉnh được Thêm vào danh sách yêu thích
Cảm biến quang điện siêu nhỏ Omron EE-SPX306-W2A 1M NPNDark ON5...24VDCTần số đóng/mở: 0.5kHzChiều rộng khe/rãnh: 3.6mm 938.520 ₫ 782.100 ₫ Thêm vào giỏ hàng Thêm vào danh sách so sánh Danh sách yêu thích tùy chỉnh được Thêm vào danh sách yêu thích
Cảm biến quang điện siêu nhỏ Omron EE-SPX406-W2A 2M NPNLight ON5...24VDCTần số đóng/mở: 0.5kHzChiều rộng khe/rãnh: 3.6mm 1.010.038 ₫ 841.698 ₫ Thêm vào giỏ hàng Thêm vào danh sách so sánh Danh sách yêu thích tùy chỉnh được Thêm vào danh sách yêu thích
Cảm biến quang điện siêu nhỏ Omron EE-SPX306-W2A 2M NPNDark ON5...24VDCTần số đóng/mở: 0.5kHzChiều rộng khe/rãnh: 3.6mm 1.055.419 ₫ 879.516 ₫ Thêm vào giỏ hàng Thêm vào danh sách so sánh Danh sách yêu thích tùy chỉnh được Thêm vào danh sách yêu thích