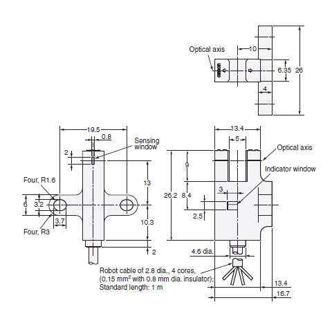
Cảm biến quang điện siêu nhỏ Omron EE-SX675-WR 1M NPN5...24VDCDark ON, Light ONTần số đóng/mở: 1kHzChiều rộng khe/rãnh: 5mm nhà chế tạo: Omron SKU: EE-SX675-WR 1M Tải xuống mẫu Giá cũ: 420.433 ₫ Giá bán: 350.361 ₫ Số lượng: Thêm vào giỏ hàng Danh sách yêu thích tùy chỉnh được Thêm vào danh sách yêu thích Thêm vào danh sách so sánh Gửi email cho một người bạn Thông tin chi tiết của: Cảm biến quang điện siêu nhỏ Omron EE-SX675-WR 1M Thông số kỹ thuật cơ bản của: EE-SX675-WR 1M Type Grooved Type (T-shaped) (Slot center 10 mm) Luminous method Non-modulated Sensing method Through-beam type Sensing distance Slot width: 5 mm Control output (Output type) NPN open collector output Operation mode Dark-ON/Light-ON (selectable) Connection method Pre-wired models Thông số kỹ thuật chi tiết của: EE-SX675-WR 1M ModelEE-SX675-WR 1MTypeGrooved Type (T-shaped) (Slot center 10 mm)Luminous methodNon-modulatedSensing methodThrough-beam typeSensing distanceSlot width: 5 mmOperation modeDark-ON/Light-ON (selectable)Standard sensing objectOpaque, 2 x 0.8 mm min.Differential distance elements0.025 mm max.Light source (Peak wavelength)Infrared LED (940 nm)IndicatorLight indicator (red)Power supply voltage5 to 24 VDC ±10%ripple (p-p) 10 % max.Current consumption35 mAControl outputOutput typeNPN open collector outputLoad power supply voltage5 to 24 VDCLoad curren100 mA max.Residual voltageat 100 mA load current: 0.8 V max.at 40 mA load current: 0.4 V max.Response frequency elements1 kHz min.Average value: 3 kHzIllumination on the surface receiverFluorescent light: 1000 lx max.Ambient temperatureOperating: -25 to 55 ℃ (with no freezing or condensation)Storage: -30 to 80 ℃ (with no freezing or condensation)Ambient humidityOperating: 5 to 85 % (with no condensation)Storage: 5 to 95 % (with no condensation)Vibration resistanceDestruction: 20 to 2000 Hz, peak acceleration 100 m/s2, 1.5-mm double amplitude 2 h each in X, Y, and Z directions (4 min periods)Shock resistanceDestruction: 500 m/s2 for 3 times each in X, Y, and Z directionsDegree of protectionIP50Connection methodPre-wired modelsCable length1 mWeightPackage: Approx. 18.3 gMaterialCase: Polybutylene terephthalate (PBT)Emitter/Receiver Cover: Polycarbonate (PC) Cam Kết Chất Lượng và Dịch Vụ Chúng tôi có hơn 35.000 sản phẩm vì vậy hãy liên hệ với chúng tôi Để được tư vấn và check tình trạng hàng bạn nhé! AUTO TECH VN cam kết: 1. Hàng Chính Hãng. 2. Xuất được Hóa đơn VAT. 3. Cấp CO/CQ đầy đủ. 4. Giá cạnh tranh. 5. Sản phẩm bảo hành theo chính sách của hãng.6. Miễn Phí hỗ trợ cài đặt và sử dụng thiết bị. Thông Tin Liên Hệ Mua Hàng AUTO TECH VN - AUT.VN ĐT/ Zalo : 0968.053.025 Email: support@aut.vn Email2: sale@aut.vn Địa chỉ: 07 KĐT Flora Mizuki, Đường Số 1, Bình Hưng, Bình Chánh, Hồ Chí Minh Thẻ sản phẩm Cảm biến quang điện siêu nhỏ (361) , Photomicrosensor (105) , Sensors (1856) , PhotomicroSensors (136) , Slot-type (128) , EE-SX47/SX67 (47) Những sản phẩm liên quan Cảm biến quang điện siêu nhỏ Omron EE-SX675P-WR 1M PNP5...24VDCDark ON, Light ONTần số đóng/mở: 1kHzChiều rộng khe/rãnh: 5mm 425.898 ₫ 354.915 ₫ Thêm vào giỏ hàng Thêm vào danh sách so sánh Danh sách yêu thích tùy chỉnh được Thêm vào danh sách yêu thích Cảm biến quang điện siêu nhỏ Omron EE-SX675P PNP5...24VDCDark ON, Light ONTần số đóng/mở: 1kHzChiều rộng khe/rãnh: 5mm 420.433 ₫ 350.361 ₫ Thêm vào giỏ hàng Thêm vào danh sách so sánh Danh sách yêu thích tùy chỉnh được Thêm vào danh sách yêu thích Cảm biến quang điện siêu nhỏ Omron EE-SX472 NPNLight ON5...24VDCTần số đóng/mở: 1kHzChiều rộng khe/rãnh: 5mm 274.666 ₫ 228.888 ₫ Thêm vào giỏ hàng Thêm vào danh sách so sánh Danh sách yêu thích tùy chỉnh được Thêm vào danh sách yêu thích Cảm biến quang điện siêu nhỏ Omron EE-SX672R PNP5...24VDCDark ON, Light ONTần số đóng/mở: 1kHzChiều rộng khe/rãnh: 5mm 409.266 ₫ 341.055 ₫ Thêm vào giỏ hàng Thêm vào danh sách so sánh Danh sách yêu thích tùy chỉnh được Thêm vào danh sách yêu thích Cảm biến quang điện siêu nhỏ Omron EE-SX672P PNP5...24VDCDark ON, Light ONTần số đóng/mở: 1kHzChiều rộng khe/rãnh: 5mm 437.065 ₫ 364.221 ₫ Thêm vào giỏ hàng Thêm vào danh sách so sánh Danh sách yêu thích tùy chỉnh được Thêm vào danh sách yêu thích Cảm biến quang điện siêu nhỏ Omron EE-SX672P-WR 1M PNP5...24VDCDark ON, Light ONTần số đóng/mở: 1kHzChiều rộng khe/rãnh: 5mm 503.712 ₫ 419.760 ₫ Thêm vào giỏ hàng Thêm vào danh sách so sánh Danh sách yêu thích tùy chỉnh được Thêm vào danh sách yêu thích Cảm biến quang điện siêu nhỏ Autonics BS4-TA2M (NPN, 5-24VDC) Loại cảm biến: Thu phát qua khe (Through-beam)Ngõ ra: NPN (Open Collector)Nguồn cấp: 5...24VDCChế độ hoạt động: Linh hoạt Light ON / Dark ONTần số đáp ứng: 2kHz (Siêu nhanh)Kích thước: Siêu nhỏ gọn, lý tưởng cho không gian hẹpTiêu chuẩn bảo vệ: IP50 255.940 ₫ 229.200 ₫ Thêm vào giỏ hàng Thêm vào danh sách so sánh Danh sách yêu thích tùy chỉnh được Thêm vào danh sách yêu thích Cảm biến quang điện siêu nhỏ Autonics BS4-T2M-P (PNP, 2kHz) Loại cảm biến: Quang điện thu phát (Through-beam)Ngõ ra: PNP (Mạch thu hở)Điện áp hoạt động: 5-24VDCChế độ hoạt động: Light ON / Dark ONTần số đáp ứng: 2kHzKích thước khe/rãnh: 5mmThương hiệu: Autonics 255.940 ₫ 229.200 ₫ Thêm vào giỏ hàng Thêm vào danh sách so sánh Danh sách yêu thích tùy chỉnh được Thêm vào danh sách yêu thích
Cảm biến quang điện siêu nhỏ Omron EE-SX675P-WR 1M PNP5...24VDCDark ON, Light ONTần số đóng/mở: 1kHzChiều rộng khe/rãnh: 5mm 425.898 ₫ 354.915 ₫ Thêm vào giỏ hàng Thêm vào danh sách so sánh Danh sách yêu thích tùy chỉnh được Thêm vào danh sách yêu thích
Cảm biến quang điện siêu nhỏ Omron EE-SX675P PNP5...24VDCDark ON, Light ONTần số đóng/mở: 1kHzChiều rộng khe/rãnh: 5mm 420.433 ₫ 350.361 ₫ Thêm vào giỏ hàng Thêm vào danh sách so sánh Danh sách yêu thích tùy chỉnh được Thêm vào danh sách yêu thích
Cảm biến quang điện siêu nhỏ Omron EE-SX472 NPNLight ON5...24VDCTần số đóng/mở: 1kHzChiều rộng khe/rãnh: 5mm 274.666 ₫ 228.888 ₫ Thêm vào giỏ hàng Thêm vào danh sách so sánh Danh sách yêu thích tùy chỉnh được Thêm vào danh sách yêu thích
Cảm biến quang điện siêu nhỏ Omron EE-SX672R PNP5...24VDCDark ON, Light ONTần số đóng/mở: 1kHzChiều rộng khe/rãnh: 5mm 409.266 ₫ 341.055 ₫ Thêm vào giỏ hàng Thêm vào danh sách so sánh Danh sách yêu thích tùy chỉnh được Thêm vào danh sách yêu thích
Cảm biến quang điện siêu nhỏ Omron EE-SX672P PNP5...24VDCDark ON, Light ONTần số đóng/mở: 1kHzChiều rộng khe/rãnh: 5mm 437.065 ₫ 364.221 ₫ Thêm vào giỏ hàng Thêm vào danh sách so sánh Danh sách yêu thích tùy chỉnh được Thêm vào danh sách yêu thích
Cảm biến quang điện siêu nhỏ Omron EE-SX672P-WR 1M PNP5...24VDCDark ON, Light ONTần số đóng/mở: 1kHzChiều rộng khe/rãnh: 5mm 503.712 ₫ 419.760 ₫ Thêm vào giỏ hàng Thêm vào danh sách so sánh Danh sách yêu thích tùy chỉnh được Thêm vào danh sách yêu thích
Cảm biến quang điện siêu nhỏ Autonics BS4-TA2M (NPN, 5-24VDC) Loại cảm biến: Thu phát qua khe (Through-beam)Ngõ ra: NPN (Open Collector)Nguồn cấp: 5...24VDCChế độ hoạt động: Linh hoạt Light ON / Dark ONTần số đáp ứng: 2kHz (Siêu nhanh)Kích thước: Siêu nhỏ gọn, lý tưởng cho không gian hẹpTiêu chuẩn bảo vệ: IP50 255.940 ₫ 229.200 ₫ Thêm vào giỏ hàng Thêm vào danh sách so sánh Danh sách yêu thích tùy chỉnh được Thêm vào danh sách yêu thích
Cảm biến quang điện siêu nhỏ Autonics BS4-T2M-P (PNP, 2kHz) Loại cảm biến: Quang điện thu phát (Through-beam)Ngõ ra: PNP (Mạch thu hở)Điện áp hoạt động: 5-24VDCChế độ hoạt động: Light ON / Dark ONTần số đáp ứng: 2kHzKích thước khe/rãnh: 5mmThương hiệu: Autonics 255.940 ₫ 229.200 ₫ Thêm vào giỏ hàng Thêm vào danh sách so sánh Danh sách yêu thích tùy chỉnh được Thêm vào danh sách yêu thích