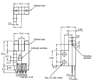
Cảm biến quang điện siêu nhỏ Omron EE-SX676 Cảm biến quang điện siêu nhỏ Omron EE-SX676 Photomicrosensor Slot type Through-beam F-shaped Sensing distance: 5 mm (slot width) Dark-ON/Light-ON (selectable) Indicator: Incident light NPN output Connector model Mua Ngay : nhà chế tạo: Omron SKU: EE-SX676 Tải xuống mẫu Giá cũ: 1.188 ₫ Giá bán: 990 ₫ Số lượng: Thêm vào giỏ hàng Danh sách yêu thích tùy chỉnh được Thêm vào danh sách yêu thích Thêm vào danh sách so sánh Gửi email cho một người bạn Thông tin chi tiết của: Cảm biến quang điện siêu nhỏ Omron EE-SX676 Thông số kỹ thuật cơ bản của: EE-SX676 Type Grooved Type (F-shaped) Luminous method Non-modulated Sensing method Through-beam type Sensing distance Slot width: 5 mm Control output (Output type) NPN open collector output Operation mode Dark-ON/Light-ON (selectable) Connection method Connector type Thông số kỹ thuật chi tiết của: EE-SX676 ModelEE-SX676TypeGrooved Type (F-shaped)Luminous methodNon-modulatedSensing methodThrough-beam typeSensing distanceSlot width: 5 mmOperation modeDark-ON/Light-ON (selectable)Standard sensing objectOpaque, 2 x 0.8 mm min.Differential distance elements0.025 mm max.Light source (Peak wavelength)Infrared LED (940 nm)IndicatorLight indicator (red)Power supply voltage5 to 24 VDC ±10%ripple (p-p) 10 % max.Current consumption12 mA (L terminal open)Control outputOutput typeNPN open collector outputLoad power supply voltage5 to 24 VDCLoad curren100 mA max.Residual voltageat 100 mA load current: 0.8 V max.at 40 mA load current: 0.4 V max.Protection circuitsOutput short-cut protectionResponse frequency elements1 kHz min.Average value: 3 kHzIllumination on the surface receiverFluorescent light: 1000 lx max.Ambient temperatureOperating: -25 to 55 ℃ (with no freezing or condensation)Storage: -30 to 80 ℃ (with no freezing or condensation)Ambient humidityOperating: 5 to 85 % (with no condensation)Storage: 5 to 95 % (with no condensation)Vibration resistanceDestruction: 20 to 2000 Hz, peak acceleration 100 m/s2, 1.5-mm double amplitude 2 h each in X, Y, and Z directions (4 min periods)Shock resistanceDestruction: 500 m/s2 for 3 times each in X, Y, and Z directionsDegree of protectionIP50Connection methodConnector type (Direct soldering possible)WeightPackage: Approx. 2.2 gMaterialCase: Polybutylene terephthalate (PBT)Emitter/Receiver Cover: Polycarbonate (PC) Cam Kết Chất Lượng và Dịch Vụ Chúng tôi có hơn 35.000 sản phẩm vì vậy hãy liên hệ với chúng tôi Để được tư vấn và check tình trạng hàng bạn nhé! AUTO TECH VN cam kết: 1. Hàng Chính Hãng. 2. Xuất được Hóa đơn VAT. 3. Cấp CO/CQ đầy đủ. 4. Giá cạnh tranh. 5. Sản phẩm bảo hành theo chính sách của hãng.6. Miễn Phí hỗ trợ cài đặt và sử dụng thiết bị. Thông Tin Liên Hệ Mua Hàng AUTO TECH VN - AUT.VN ĐT/ Zalo : 0968.053.025 Email: support@aut.vn Email2: sale@aut.vn Địa chỉ: 07 KĐT Flora Mizuki, Đường Số 1, Bình Hưng, Bình Chánh, Hồ Chí Minh Thẻ sản phẩm Cảm biến quang điện siêu nhỏ (361) , Photomicrosensor (105) , Sensors (1856) , PhotomicroSensors (136) , Slot-type (128) , EE-SX47/SX67 (47) Những sản phẩm liên quan Phụ kiện khác Omron EE-1001 PCB terminalsDimension: W13xH16.8xD4Contact resistance: 15ohm maxAmbient humidity: -10 to +75°C 21.470 ₫ Thêm vào giỏ hàng Thêm vào danh sách so sánh Danh sách yêu thích tùy chỉnh được Thêm vào danh sách yêu thích Phụ kiện khác Omron EE-1009 PCB terminalsDimension: W13xH13.5xD4Contact resistance: 20ohm maxAmbient humidity: -10 to +60°C 26.505 ₫ Thêm vào giỏ hàng Thêm vào danh sách so sánh Danh sách yêu thích tùy chỉnh được Thêm vào danh sách yêu thích Phụ kiện khác Omron EE-1001-1 PCB terminalsDimension: W13xH16.8xD4Contact resistance: 15ohm maxAmbient humidity: -10 to +75°C 51.965 ₫ Thêm vào giỏ hàng Thêm vào danh sách so sánh Danh sách yêu thích tùy chỉnh được Thêm vào danh sách yêu thích Phụ kiện khác Omron EE-1010 1M 1m 82.935 ₫ Thêm vào giỏ hàng Thêm vào danh sách so sánh Danh sách yêu thích tùy chỉnh được Thêm vào danh sách yêu thích Phụ kiện khác Omron EE-1006 2M 2m 84.550 ₫ Thêm vào giỏ hàng Thêm vào danh sách so sánh Danh sách yêu thích tùy chỉnh được Thêm vào danh sách yêu thích Phụ kiện khác Omron EE-1006 1M 1m 86.450 ₫ Thêm vào giỏ hàng Thêm vào danh sách so sánh Danh sách yêu thích tùy chỉnh được Thêm vào danh sách yêu thích Phụ kiện khác Omron EE-1010 2M 2m 99.750 ₫ Thêm vào giỏ hàng Thêm vào danh sách so sánh Danh sách yêu thích tùy chỉnh được Thêm vào danh sách yêu thích Phụ kiện khác Omron EE-1010-R 1M 1m 176.415 ₫ Thêm vào giỏ hàng Thêm vào danh sách so sánh Danh sách yêu thích tùy chỉnh được Thêm vào danh sách yêu thích Phụ kiện khác Omron EE-1010-R 2M 2m 227.905 ₫ Thêm vào giỏ hàng Thêm vào danh sách so sánh Danh sách yêu thích tùy chỉnh được Thêm vào danh sách yêu thích
Phụ kiện khác Omron EE-1001 PCB terminalsDimension: W13xH16.8xD4Contact resistance: 15ohm maxAmbient humidity: -10 to +75°C 21.470 ₫ Thêm vào giỏ hàng Thêm vào danh sách so sánh Danh sách yêu thích tùy chỉnh được Thêm vào danh sách yêu thích
Phụ kiện khác Omron EE-1009 PCB terminalsDimension: W13xH13.5xD4Contact resistance: 20ohm maxAmbient humidity: -10 to +60°C 26.505 ₫ Thêm vào giỏ hàng Thêm vào danh sách so sánh Danh sách yêu thích tùy chỉnh được Thêm vào danh sách yêu thích
Phụ kiện khác Omron EE-1001-1 PCB terminalsDimension: W13xH16.8xD4Contact resistance: 15ohm maxAmbient humidity: -10 to +75°C 51.965 ₫ Thêm vào giỏ hàng Thêm vào danh sách so sánh Danh sách yêu thích tùy chỉnh được Thêm vào danh sách yêu thích
Phụ kiện khác Omron EE-1010 1M 1m 82.935 ₫ Thêm vào giỏ hàng Thêm vào danh sách so sánh Danh sách yêu thích tùy chỉnh được Thêm vào danh sách yêu thích
Phụ kiện khác Omron EE-1006 2M 2m 84.550 ₫ Thêm vào giỏ hàng Thêm vào danh sách so sánh Danh sách yêu thích tùy chỉnh được Thêm vào danh sách yêu thích
Phụ kiện khác Omron EE-1006 1M 1m 86.450 ₫ Thêm vào giỏ hàng Thêm vào danh sách so sánh Danh sách yêu thích tùy chỉnh được Thêm vào danh sách yêu thích
Phụ kiện khác Omron EE-1010 2M 2m 99.750 ₫ Thêm vào giỏ hàng Thêm vào danh sách so sánh Danh sách yêu thích tùy chỉnh được Thêm vào danh sách yêu thích
Phụ kiện khác Omron EE-1010-R 1M 1m 176.415 ₫ Thêm vào giỏ hàng Thêm vào danh sách so sánh Danh sách yêu thích tùy chỉnh được Thêm vào danh sách yêu thích
Phụ kiện khác Omron EE-1010-R 2M 2m 227.905 ₫ Thêm vào giỏ hàng Thêm vào danh sách so sánh Danh sách yêu thích tùy chỉnh được Thêm vào danh sách yêu thích