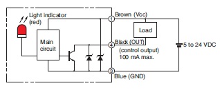
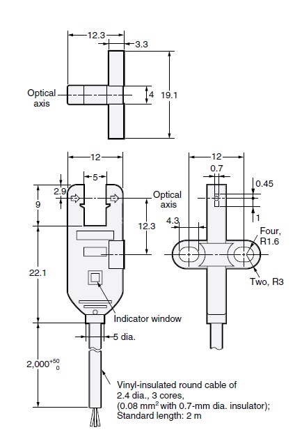
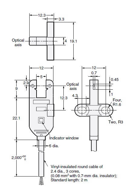
Cảm biến quang điện siêu nhỏ Omron EE-SX872A 2M NPNLight ON5...24VDCTần số đóng/mở: 3kHzChiều rộng khe/rãnh: 5mm nhà chế tạo: Omron SKU: EE-SX872A 2M Tải xuống mẫu Giá cũ: 723.848 ₫ Giá bán: 603.207 ₫ Số lượng: Thêm vào giỏ hàng Danh sách yêu thích tùy chỉnh được Thêm vào danh sách yêu thích Thêm vào danh sách so sánh Gửi email cho một người bạn Thông tin chi tiết của: Cảm biến quang điện siêu nhỏ Omron EE-SX872A 2M Thông số kỹ thuật cơ bản của: EE-SX872A 2M Type Grooved Type (T-shaped) Luminous method Non-modulated Sensing method Through-beam type Sensing distance Slot width: 5 mm Control output (Output type) NPN open collector output Operation mode Light-ON Connection method Pre-wired models Thông số kỹ thuật chi tiết của: EE-SX872A 2M ModelEE-SX872A 2MTypeGrooved Type (T-shaped)Luminous methodNon-modulatedSensing methodThrough-beam typeSensing distanceSlot width: 5 mmOperation modeLight-ONStandard sensing objectOpaque, 2 x 0.8 mm min.Differential distance elements0.025 mmLight source (Peak wavelength)GaAs infrared LED (940 nm)IndicatorNo incident light (red)Power supply voltage5 to 24 VDC ±10%ripple (p-p) 10 % max.Current consumption12 mA max.Control outputOutput typeNPN open collector outputLoad power supply voltage5 to 24 VDCLoad curren100 mA max.Residual voltageat 100 mA load current: 0.8 V max.at 40 mA load current: 0.4 V max.Protection circuitsOutput short-cut protectionResponse frequency elements3 kHz max.Illumination on the surface receiverFluorescent light: 1000 lx max.Ambient temperatureOperating: -25 to 55 ℃ (with no icing)Storage: -30 to 80 ℃ (with no icing)Ambient humidityOperating: 5 to 85 % (with no condensation)Storage: 5 to 95 % (with no condensation)Vibration resistanceDestruction: 10 to 2000 Hz, peak acceleration 100 m/s2, 1.5-mm double amplitude 2 h each in X, Y, and Z directions (4 min periods)Shock resistanceDestruction: 500 m/s2 for 3 times each in X, Y, and Z directionsDegree of protectionIP64 IEC60529Connection methodPre-wired modelsCable length2 mWeightPackage: Approx. 20 gMaterialCase: Polybutylene terephthalate (PBT) Cam Kết Chất Lượng và Dịch Vụ Chúng tôi có hơn 35.000 sản phẩm vì vậy hãy liên hệ với chúng tôi Để được tư vấn và check tình trạng hàng bạn nhé! AUTO TECH VN cam kết: 1. Hàng Chính Hãng. 2. Xuất được Hóa đơn VAT. 3. Cấp CO/CQ đầy đủ. 4. Giá cạnh tranh. 5. Sản phẩm bảo hành theo chính sách của hãng.6. Miễn Phí hỗ trợ cài đặt và sử dụng thiết bị. Thông Tin Liên Hệ Mua Hàng AUTO TECH VN - AUT.VN ĐT/ Zalo : 0968.053.025 Email: support@aut.vn Email2: sale@aut.vn Địa chỉ: 07 KĐT Flora Mizuki, Đường Số 1, Bình Hưng, Bình Chánh, Hồ Chí Minh Thẻ sản phẩm Cảm biến quang điện siêu nhỏ (361) , Photomicrosensor (105) , Sensors (1856) , PhotomicroSensors (136) , Slot-type (128) , EE-SX77/SX87 (12) Những sản phẩm liên quan Cảm biến quang điện siêu nhỏ Omron EE-SX872 2M NPNLight ON5...24VDCTần số đóng/mở: 3kHzChiều rộng khe/rãnh: 5mm 434.333 ₫ 361.944 ₫ Thêm vào giỏ hàng Thêm vào danh sách so sánh Danh sách yêu thích tùy chỉnh được Thêm vào danh sách yêu thích Cảm biến quang điện siêu nhỏ Omron EE-SX772A 2M NPNDark ON5...24VDCTần số đóng/mở: 3kHzChiều rộng khe/rãnh: 5mm 537.214 ₫ 447.678 ₫ Thêm vào giỏ hàng Thêm vào danh sách so sánh Danh sách yêu thích tùy chỉnh được Thêm vào danh sách yêu thích Cảm biến quang điện siêu nhỏ Omron EE-SX772 2M NPNDark ON5...24VDCTần số đóng/mở: 3kHzChiều rộng khe/rãnh: 5mm 643.302 ₫ 536.085 ₫ Thêm vào giỏ hàng Thêm vào danh sách so sánh Danh sách yêu thích tùy chỉnh được Thêm vào danh sách yêu thích Cảm biến quang điện siêu nhỏ Omron EE-SX872R 2M PNPLight ON5...24VDCTần số đóng/mở: 3kHzChiều rộng khe/rãnh: 5mm 586.753 ₫ 488.961 ₫ Thêm vào giỏ hàng Thêm vào danh sách so sánh Danh sách yêu thích tùy chỉnh được Thêm vào danh sách yêu thích Cảm biến quang điện siêu nhỏ Omron EE-SX772P 2M PNPDark ON5...24VDCTần số đóng/mở: 3kHzChiều rộng khe/rãnh: 5mm 657.558 ₫ 547.965 ₫ Thêm vào giỏ hàng Thêm vào danh sách so sánh Danh sách yêu thích tùy chỉnh được Thêm vào danh sách yêu thích Cảm biến quang điện siêu nhỏ Omron EE-SX772R 2M PNPDark ON5...24VDCTần số đóng/mở: 3kHzChiều rộng khe/rãnh: 5mm 700.445 ₫ 583.704 ₫ Thêm vào giỏ hàng Thêm vào danh sách so sánh Danh sách yêu thích tùy chỉnh được Thêm vào danh sách yêu thích Cảm biến quang điện siêu nhỏ Omron EE-SX872P 2M PNPLight ON5...24VDCTần số đóng/mở: 3kHzChiều rộng khe/rãnh: 5mm 740.362 ₫ 616.968 ₫ Thêm vào giỏ hàng Thêm vào danh sách so sánh Danh sách yêu thích tùy chỉnh được Thêm vào danh sách yêu thích Cảm biến quang điện siêu nhỏ Omron EE-SX770A 2M NPNDark ON5...24VDCTần số đóng/mở: 3kHzChiều rộng khe/rãnh: 5mm 590.911 ₫ 492.426 ₫ Thêm vào giỏ hàng Thêm vào danh sách so sánh Danh sách yêu thích tùy chỉnh được Thêm vào danh sách yêu thích
Cảm biến quang điện siêu nhỏ Omron EE-SX872 2M NPNLight ON5...24VDCTần số đóng/mở: 3kHzChiều rộng khe/rãnh: 5mm 434.333 ₫ 361.944 ₫ Thêm vào giỏ hàng Thêm vào danh sách so sánh Danh sách yêu thích tùy chỉnh được Thêm vào danh sách yêu thích
Cảm biến quang điện siêu nhỏ Omron EE-SX772A 2M NPNDark ON5...24VDCTần số đóng/mở: 3kHzChiều rộng khe/rãnh: 5mm 537.214 ₫ 447.678 ₫ Thêm vào giỏ hàng Thêm vào danh sách so sánh Danh sách yêu thích tùy chỉnh được Thêm vào danh sách yêu thích
Cảm biến quang điện siêu nhỏ Omron EE-SX772 2M NPNDark ON5...24VDCTần số đóng/mở: 3kHzChiều rộng khe/rãnh: 5mm 643.302 ₫ 536.085 ₫ Thêm vào giỏ hàng Thêm vào danh sách so sánh Danh sách yêu thích tùy chỉnh được Thêm vào danh sách yêu thích
Cảm biến quang điện siêu nhỏ Omron EE-SX872R 2M PNPLight ON5...24VDCTần số đóng/mở: 3kHzChiều rộng khe/rãnh: 5mm 586.753 ₫ 488.961 ₫ Thêm vào giỏ hàng Thêm vào danh sách so sánh Danh sách yêu thích tùy chỉnh được Thêm vào danh sách yêu thích
Cảm biến quang điện siêu nhỏ Omron EE-SX772P 2M PNPDark ON5...24VDCTần số đóng/mở: 3kHzChiều rộng khe/rãnh: 5mm 657.558 ₫ 547.965 ₫ Thêm vào giỏ hàng Thêm vào danh sách so sánh Danh sách yêu thích tùy chỉnh được Thêm vào danh sách yêu thích
Cảm biến quang điện siêu nhỏ Omron EE-SX772R 2M PNPDark ON5...24VDCTần số đóng/mở: 3kHzChiều rộng khe/rãnh: 5mm 700.445 ₫ 583.704 ₫ Thêm vào giỏ hàng Thêm vào danh sách so sánh Danh sách yêu thích tùy chỉnh được Thêm vào danh sách yêu thích
Cảm biến quang điện siêu nhỏ Omron EE-SX872P 2M PNPLight ON5...24VDCTần số đóng/mở: 3kHzChiều rộng khe/rãnh: 5mm 740.362 ₫ 616.968 ₫ Thêm vào giỏ hàng Thêm vào danh sách so sánh Danh sách yêu thích tùy chỉnh được Thêm vào danh sách yêu thích
Cảm biến quang điện siêu nhỏ Omron EE-SX770A 2M NPNDark ON5...24VDCTần số đóng/mở: 3kHzChiều rộng khe/rãnh: 5mm 590.911 ₫ 492.426 ₫ Thêm vào giỏ hàng Thêm vào danh sách so sánh Danh sách yêu thích tùy chỉnh được Thêm vào danh sách yêu thích