Cảm biến sợi quang Omron E3NX-FA8

Cảm biến sợi quang  Omron E3NX-FA8 
Smart Fiber Amplifier Unit 
1 output 
PNP 
Wire-saving connector models 

Mua Ngay : Zalo

nhà chế tạo: Omron
SKU: E3NX-FA8
Ngày giao hàng: 1-3 days
Giá cũ: 3.309.530 ₫
2.757.942 ₫
Giao đến
*
*
Phương pháp vận chuyển
Tên
Ngày dự kiến giao hàng
Giá bán
Không có tùy chọn giao hàng nào

Thông Tin Sản Phẩm: E3NX-FA8

Thông Tin Kỹ Thuật cơ bản của : Cảm biến sợi quang Omron E3NX-FA9

Type Standard Type
Input/Output 1 output
Power supply voltage 10 to 30 VDC ripple (p-p) 10% included
Operation mode Light-ON/Dark-ON selectable
Connection method Wire-saving connector models

Thông số kỹ thuật chi tiết sản phẩm: Cảm biến sợi quang Omron E3NX-FA9

TypeStandard Type
Input/Output1 output
Sensing distance (Reference)E32-T11RStandard mode: 1500 mmHigh-speed mode: 1050 mmSuper-high-speed mode: 280 mmGiga mode: 3000 mm
E32-D11RStandard mode: 520 mmHigh-speed mode: 360 mmSuper-high-speed mode: 100 mmGiga mode: 1260 mm
Light sourceRed, 4-element LED (Emission wave length: 625 nm)
Power supply voltage10 to 30 VDC ripple (p-p) 10% included
Power consumptionNormal mode: 840 mW max. (at power supply voltage of 24 V, current consumption: 35 mA max.)Eco ON: 650 mW max. (at power supply voltage of 24 V, current consumption: 27 mA max.)Eco LO: 750 mW max. (at power supply voltage of 24 V, current consumption: 31 mA max.)
Operation modeLight-ON/Dark-ON selectable
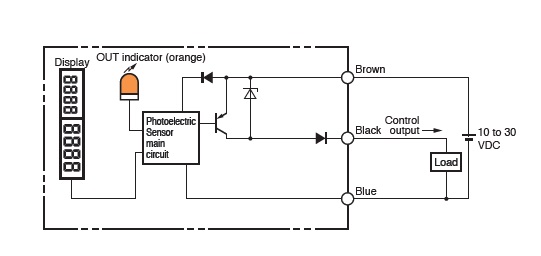
Control outputPNP open collector30 V max.DCLoad current: 100 mA max. (Groups of 1 to 3 units)/20 mA max. (at 4 or more units are connected)Residual voltage: 1 V max. (10 mA max.)/2 V max. (10 to 100 mA)OFF current: 0.1 mA max.
Response timeOperateStandard mode: 1 msHigh-speed mode (HS): 250 µsSuper-high-speed mode (SHS): 30 µsGiga-power Mode (GIGA): 16 ms
ResetStandard mode: 1 msHigh-speed mode (HS): 250 µsSuper-high-speed mode (SHS): 30 µsGiga-power Mode (GIGA): 16 ms
Protective circuitOutput short-circuit protectionOutput reverse polarity protectionPower supply reverse polarity protection
IndicatorDigital display: 7-segment displays (Sub digital display: green, Main digital display: white)Display orientation: Switchable between normal and reversedIndicators: OUT indicator (Orange), L/D indicator (Orange), ST indicator (Blue), DPC indicator (Green)
Number of mutual interference prevention10 units (can not be used in the Super-high-speed Mode)
FunctionAuto power control, Dynamic power control, Timer, ZERO reset, Resetting setting, ECO mode, BANK switch, Sensor OFF setting, Power tuning, Output 1 setting, Hysteresis setting
Sensitivity settingSmart Tuning (2-point tuning, full auto tuning, position tuning, maximum sensitivity tuning, power tuning, or percentage tuning (-99% to 99%)) or manual adjustment
Ambient illuminanceReceiver side, Incandescent lamp: 20000 lux max. Sunlight: 30000 lux max.
Ambient temperature range (Operating)Groups of 1 to 2 units: -25 to 55 ℃Groups of 3 to 10 units: -25 to 50 ℃Groups of 11 to 16 units: -25 to 45 ℃Groups of 17 to 30 units: -25 to 40 ℃(with no freezing or condensation)
Ambient temperature range (Storage)-30 to 70 ℃ (with no freezing or condensation)
Ambient humidity range (Operating)35 to 85 % (with no condensation)
Ambient humidity range (Strage)35 to 85 % (with no condensation)
Insulation resistance20 MΩ or higher (500 VDC megger)
Dielectric strength1,000 VAC 50/60 Hz 1 min
Vibration resistanceDestruction: 10 to 55 Hz, 1.5 mm double amplitude each in X, Y, and Z directions for 2 h
Shock resistanceDestruction: 500 m/s2 3 times each in X, Y, and Z directions
Connection methodWire-saving connector models
MassMain Unit: Approx. 20 gPackage: Approx. 60 g
Mounting methodDIN Track、Mounting Bracket
MaterialCase: Polycarbonate (PC)Cover: Polycarbonate (PC)
Applicable connectorE3X-CN11E3X-CN12
AccessoriesInstruction manual

 

Cam Kết Chất Lượng và Dịch Vụ

Chúng tôi có hơn 35.000 sản phẩm vì vậy hãy liên hệ với chúng tôi 
Để được tư vấn và check tình trạng hàng bạn nhé!
AUTO TECH VN cam kết:
1. Hàng Chính Hãng.
2. Xuất được Hóa đơn VAT.
3. Cấp CO/CQ đầy đủ.
4. Giá cạnh tranh.
5. Sản phẩm bảo hành theo chính sách của hãng.
6. Miễn Phí hỗ trợ cài đặt và sử dụng thiết bị.

Thông Tin Liên Hệ

AUTO TECH VN - AUT.VN 
ĐT/ Zalo : 0968.053.025
Email: support@aut.vn Email2: sale@aut.vn
Địa chỉ: 07 KĐT Flora Mizuki, Đường Số 1, Bình Hưng, Bình Chánh, Hồ Chí Minh

chỉ có thành viên mới được trả lời