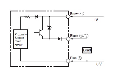
Cảm biến tiệm cận Omron E2V-X2B1 5M Cảm biến tiệm cận Omron E2V-X2B1 5M All Metals and Long-distance Type Proximity Sensor Shielded M12 Sensing distance: 2 mm DC 3-wire PNP NO Pre-wired model 5 m Mua Ngay : nhà chế tạo: Omron SKU: E2V-X2B1 5M Ngày giao hàng: 1-3 days Giá cũ: 4.439.318 ₫ Giá bán: 3.699.432 ₫ Số lượng: Thêm vào giỏ hàng Giao đến Chọn quốc gia Vietnam Vietnam * Khác * Phương pháp vận chuyển Tên Ngày dự kiến giao hàng Giá bán Không có tùy chọn giao hàng nào Áp dụng Custom wishlist được Thêm vào danh sách yêu thích Thêm vào danh sách so sánh Thông Tin Sản Phẩm: E2V-X2B1 5M Thông Tin Kỹ Thuật cơ bản của : Cảm biến tiệm cận Omron E2V-X2B2 2M Sensing head size M12 Type Cylinder type (with screw), Shielded Power source DC Three-wires models Sensing distance 2 mm ±10% Setting distance 0 to 1.6 mm Operation mode NO Thông số kỹ thuật chi tiết sản phẩm: Cảm biến tiệm cận Omron E2V-X2B2 2M Sensing head sizeM12TypeCylinder type (with screw), ShieldedPower sourceDC Three-wires modelsSensing distance2 mm ±10%Setting distance0 to 1.6 mmDifferential distance10% max. of sensing distanceSensing objectFerrous metal, Non-ferrous metal (Sensing distance is different according to the material.)Standard sensing objectAluminum 12 x 12 x 3 mmResponse frequency150 Hz (Average value)Power supply voltage12 to 24 VDC ripple (p-p) 10% max.Operating voltage range10 to 30 VDCPower consumptionat 30 VDC, current consumption: 15 mA max.: 450 mWControl output (Output type)PNP open collectorControl output (Switching capacity)100 mA max.IndicatorOperation indicator (yellow/blink), Operation setting indicator (yellow/light)Operation modeNOProtective circuitOutput short-cut protectionOutput reverse polarity protectionPower supply reverse polarity protectionSurge suppressorAmbient temperature (Operating)-25 to 70 ℃Ambient temperature (Storage)-25 to 70 ℃Ambient humidity (Operating)35 to 95 %Ambient humidity (Storage)35 to 95 %Temperature influence±10% max. of sensing distance at 23 ℃ in the temperature range of -25 to 70 ℃Voltage influence±1.5% max. of sensing distance at rated voltage in the rated voltage ±15% rangeInsulation resistanceBetween charged parts and the case: 50 MΩ min. at 500 VDCDielectric strengthBetween charged parts and the case: 1,000 VAC 50/60 Hz 1 minVibration resistanceDestruction: 10 to 55 Hz, 1.5 mm double amplitude each in X, Y, and Z directions for 2 hShock resistanceDestruction: 1000 m/s2 10 times each in X, Y, and Z directionsDegree of protectionIEC: IP67Company standard: Oil-proofConnection methodPre-wired models (5 m)MaterialCase: Brass nickel platingSensing surface: Heat-resistant ABS resinMounting nut: Brass nickel platingToothed washers: Iron zinc platingAccessoriesInstruction manual Cam Kết Chất Lượng và Dịch Vụ Chúng tôi có hơn 35.000 sản phẩm vì vậy hãy liên hệ với chúng tôi Để được tư vấn và check tình trạng hàng bạn nhé! AUTO TECH VN cam kết: 1. Hàng Chính Hãng. 2. Xuất được Hóa đơn VAT. 3. Cấp CO/CQ đầy đủ. 4. Giá cạnh tranh. 5. Sản phẩm bảo hành theo chính sách của hãng.6. Miễn Phí hỗ trợ cài đặt và sử dụng thiết bị. Thông Tin Liên Hệ AUTO TECH VN - AUT.VN ĐT/ Zalo : 0968.053.025 Email: support@aut.vn Email2: sale@aut.vn Địa chỉ: 07 KĐT Flora Mizuki, Đường Số 1, Bình Hưng, Bình Chánh, Hồ Chí Minh Thẻ sản phẩm Cảm biến tiệm cận (8116) , All Metals and Long-distance Type Proximity Sensor (66) , E2V-X2B1 5M (1) , Sensors (1856) , ProximitySensors (661) , Others (85) , E2V-X[] (66) , E2V-X2B15M (1)