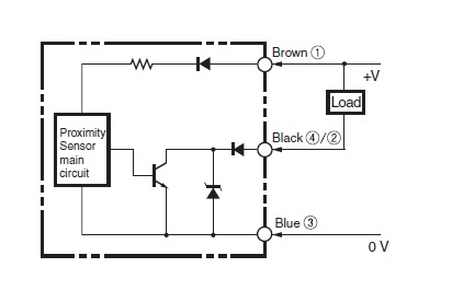
Cảm biến tiệm cận Omron E2V-X4C2 5M Ngõ ra: NPNKích cỡ: M12Chế độ hoạt động: NCNguồn cấp: 12...24VDCKiểu đấu nối: Dây liềnLoại chống nhiễu: ShieldedKhoảng cách phát hiện: 4mm nhà chế tạo: Omron SKU: E2V-X4C2 5M Tải xuống mẫu Giá cũ: 4.314.103 ₫ Giá bán: 3.595.086 ₫ Số lượng: Thêm vào giỏ hàng Danh sách yêu thích tùy chỉnh được Thêm vào danh sách yêu thích Thêm vào danh sách so sánh Gửi email cho một người bạn Thông tin chi tiết của: Cảm biến tiệm cận Omron E2V-X4C2 5M Thông số kỹ thuật cơ bản của: E2V-X4C2 5M Sensing head size M12 Type Cylinder type (with screw), Shielded Power source DC Three-wires models Sensing distance 4 mm ±10% Setting distance 0 to 3.2 mm Operation mode NC Thông số kỹ thuật chi tiết của: E2V-X4C2 5M ModelE2V-X4C2 5MSensing head sizeM12TypeCylinder type (with screw), ShieldedPower sourceDC Three-wires modelsSensing distance4 mm ±10%Setting distance0 to 3.2 mmDifferential distance10% max. of sensing distanceSensing objectFerrous metal, Non-ferrous metal (Sensing distance is different according to the material.)Standard sensing objectAluminum 12 x 12 x 3 mmResponse frequency40 Hz (Average value)Power supply voltage12 to 24 VDC ripple (p-p) 10% max.Operating voltage range10 to 30 VDCPower consumptionat 30 VDC, current consumption: 15 mA max.: 450 mWControl output (Output type)NPN open collectorControl output (Switching capacity)100 mA max.IndicatorOperation indicator (yellow)Operation modeNCProtective circuitOutput short-cut protectionOutput reverse polarity protectionPower supply reverse polarity protectionSurge suppressorAmbient temperature (Operating)-25 to 70 ℃Ambient temperature (Storage)-25 to 70 ℃Ambient humidity (Operating)35 to 95 %Ambient humidity (Storage)35 to 95 %Temperature influence±15% max. of sensing distance at 23 ℃ in the temperature range of −25 to 70 ℃Voltage influence±1.5% max. of sensing distance at rated voltage in the rated voltage ±15% rangeInsulation resistanceBetween charged parts and the case: 50 MΩ min. at 500 VDCDielectric strengthBetween charged parts and the case: 1,000 VAC 50/60 Hz 1 minVibration resistanceDestruction: 10 to 55 Hz, 1.5 mm double amplitude each in X, Y, and Z directions for 2 hShock resistanceDestruction: 1000 m/s2 10 times each in X, Y, and Z directionsDegree of protectionIEC: IP67Company standard: Oil-proofConnection methodPre-wired models (5 m)MaterialCase: Brass nickel platingSensing surface: Heat-resistant ABS resinMounting nut: Brass nickel platingToothed washers: Iron zinc platingAccessoriesInstruction manual Cam Kết Chất Lượng và Dịch Vụ Chúng tôi có hơn 35.000 sản phẩm vì vậy hãy liên hệ với chúng tôi Để được tư vấn và check tình trạng hàng bạn nhé! AUTO TECH VN cam kết: 1. Hàng Chính Hãng. 2. Xuất được Hóa đơn VAT. 3. Cấp CO/CQ đầy đủ. 4. Giá cạnh tranh. 5. Sản phẩm bảo hành theo chính sách của hãng.6. Miễn Phí hỗ trợ cài đặt và sử dụng thiết bị. Thông Tin Liên Hệ Mua Hàng AUTO TECH VN - AUT.VN ĐT/ Zalo : 0968.053.025 Email: support@aut.vn Email2: sale@aut.vn Địa chỉ: 07 KĐT Flora Mizuki, Đường Số 1, Bình Hưng, Bình Chánh, Hồ Chí Minh Thẻ sản phẩm Cảm biến tiệm cận (8626) , Sensors (1856) , ProximitySensors (661) , Others (85) , All Metals and Long-distance Type Proximity Sensor (66) , E2V-X[] (66) Những sản phẩm liên quan Cảm biến tiệm cận Omron TL-W20ME1 10M Ngõ ra: NPNChiều dài cáp: 10mChế độ hoạt động: NONguồn cấp: 12...24VDCKích cỡ: W40xH53xD23mmKiểu đấu nối: Dây liềnKhoảng cách phát hiện: 20mmLoại chống nhiễu: Non-shielded 1.820.105 ₫ Thêm vào giỏ hàng Thêm vào danh sách so sánh Danh sách yêu thích tùy chỉnh được Thêm vào danh sách yêu thích Cảm biến tiệm cận Omron TL-W20ME2 2M Ngõ ra: NPNChiều dài cáp: 2mChế độ hoạt động: NCNguồn cấp: 12...24VDCKích cỡ: W40xH53xD23mmKiểu đấu nối: Dây liềnKhoảng cách phát hiện: 20mmLoại chống nhiễu: Non-shielded 2.234.747 ₫ 1.862.289 ₫ Thêm vào giỏ hàng Thêm vào danh sách so sánh Danh sách yêu thích tùy chỉnh được Thêm vào danh sách yêu thích Cảm biến tiệm cận Omron TL-W20ME1 2M Ngõ ra: NPNChiều dài cáp: 2mChế độ hoạt động: NONguồn cấp: 12...24VDCKích cỡ: W40xH53xD23mmKiểu đấu nối: Dây liềnKhoảng cách phát hiện: 20mmLoại chống nhiễu: Non-shielded 2.247.221 ₫ 1.872.684 ₫ Thêm vào giỏ hàng Thêm vào danh sách so sánh Danh sách yêu thích tùy chỉnh được Thêm vào danh sách yêu thích Cảm biến tiệm cận Omron TL-N20ME2 2M Ngõ ra: NPNKích cỡ: D34mmChiều dài cáp: 2mChế độ hoạt động: NCNguồn cấp: 12...24VDCKiểu đấu nối: Dây liềnKhoảng cách phát hiện: 20mmLoại chống nhiễu: Non-shielded 2.289.870 ₫ 1.908.225 ₫ Thêm vào giỏ hàng Thêm vào danh sách so sánh Danh sách yêu thích tùy chỉnh được Thêm vào danh sách yêu thích Cảm biến tiệm cận Omron TL-W20ME2 5M Ngõ ra: NPNChiều dài cáp: 5mChế độ hoạt động: NCNguồn cấp: 12...24VDCKích cỡ: W40xH53xD23mmKiểu đấu nối: Dây liềnKhoảng cách phát hiện: 20mmLoại chống nhiễu: Non-shielded 2.559.546 ₫ 2.132.955 ₫ Thêm vào giỏ hàng Thêm vào danh sách so sánh Danh sách yêu thích tùy chỉnh được Thêm vào danh sách yêu thích Cảm biến tiệm cận Omron TL-N20ME2 5M Ngõ ra: NPNKích cỡ: D34mmChiều dài cáp: 5mChế độ hoạt động: NCNguồn cấp: 12...24VDCKiểu đấu nối: Dây liềnKhoảng cách phát hiện: 20mmLoại chống nhiễu: Non-shielded 2.574.515 ₫ 2.145.429 ₫ Thêm vào giỏ hàng Thêm vào danh sách so sánh Danh sách yêu thích tùy chỉnh được Thêm vào danh sách yêu thích Cảm biến tiệm cận Omron TL-N20ME1 10M Ngõ ra: NPNKích cỡ: D34mmChiều dài cáp: 10mChế độ hoạt động: NONguồn cấp: 12...24VDCKiểu đấu nối: Dây liềnKhoảng cách phát hiện: 20mmLoại chống nhiễu: Non-shielded 2.336.145 ₫ Thêm vào giỏ hàng Thêm vào danh sách so sánh Danh sách yêu thích tùy chỉnh được Thêm vào danh sách yêu thích Cảm biến tiệm cận Omron E2EW-X10B130-M1 Ngõ ra: PNPKích cỡ: M30Chế độ hoạt động: NONguồn cấp: 10...30VDCKiểu đấu nối: Giắc cắmLoại chống nhiễu: ShieldedKhoảng cách phát hiện: 10mm 2.434.090 ₫ Thêm vào giỏ hàng Thêm vào danh sách so sánh Danh sách yêu thích tùy chỉnh được Thêm vào danh sách yêu thích
Cảm biến tiệm cận Omron TL-W20ME1 10M Ngõ ra: NPNChiều dài cáp: 10mChế độ hoạt động: NONguồn cấp: 12...24VDCKích cỡ: W40xH53xD23mmKiểu đấu nối: Dây liềnKhoảng cách phát hiện: 20mmLoại chống nhiễu: Non-shielded 1.820.105 ₫ Thêm vào giỏ hàng Thêm vào danh sách so sánh Danh sách yêu thích tùy chỉnh được Thêm vào danh sách yêu thích
Cảm biến tiệm cận Omron TL-W20ME2 2M Ngõ ra: NPNChiều dài cáp: 2mChế độ hoạt động: NCNguồn cấp: 12...24VDCKích cỡ: W40xH53xD23mmKiểu đấu nối: Dây liềnKhoảng cách phát hiện: 20mmLoại chống nhiễu: Non-shielded 2.234.747 ₫ 1.862.289 ₫ Thêm vào giỏ hàng Thêm vào danh sách so sánh Danh sách yêu thích tùy chỉnh được Thêm vào danh sách yêu thích
Cảm biến tiệm cận Omron TL-W20ME1 2M Ngõ ra: NPNChiều dài cáp: 2mChế độ hoạt động: NONguồn cấp: 12...24VDCKích cỡ: W40xH53xD23mmKiểu đấu nối: Dây liềnKhoảng cách phát hiện: 20mmLoại chống nhiễu: Non-shielded 2.247.221 ₫ 1.872.684 ₫ Thêm vào giỏ hàng Thêm vào danh sách so sánh Danh sách yêu thích tùy chỉnh được Thêm vào danh sách yêu thích
Cảm biến tiệm cận Omron TL-N20ME2 2M Ngõ ra: NPNKích cỡ: D34mmChiều dài cáp: 2mChế độ hoạt động: NCNguồn cấp: 12...24VDCKiểu đấu nối: Dây liềnKhoảng cách phát hiện: 20mmLoại chống nhiễu: Non-shielded 2.289.870 ₫ 1.908.225 ₫ Thêm vào giỏ hàng Thêm vào danh sách so sánh Danh sách yêu thích tùy chỉnh được Thêm vào danh sách yêu thích
Cảm biến tiệm cận Omron TL-W20ME2 5M Ngõ ra: NPNChiều dài cáp: 5mChế độ hoạt động: NCNguồn cấp: 12...24VDCKích cỡ: W40xH53xD23mmKiểu đấu nối: Dây liềnKhoảng cách phát hiện: 20mmLoại chống nhiễu: Non-shielded 2.559.546 ₫ 2.132.955 ₫ Thêm vào giỏ hàng Thêm vào danh sách so sánh Danh sách yêu thích tùy chỉnh được Thêm vào danh sách yêu thích
Cảm biến tiệm cận Omron TL-N20ME2 5M Ngõ ra: NPNKích cỡ: D34mmChiều dài cáp: 5mChế độ hoạt động: NCNguồn cấp: 12...24VDCKiểu đấu nối: Dây liềnKhoảng cách phát hiện: 20mmLoại chống nhiễu: Non-shielded 2.574.515 ₫ 2.145.429 ₫ Thêm vào giỏ hàng Thêm vào danh sách so sánh Danh sách yêu thích tùy chỉnh được Thêm vào danh sách yêu thích
Cảm biến tiệm cận Omron TL-N20ME1 10M Ngõ ra: NPNKích cỡ: D34mmChiều dài cáp: 10mChế độ hoạt động: NONguồn cấp: 12...24VDCKiểu đấu nối: Dây liềnKhoảng cách phát hiện: 20mmLoại chống nhiễu: Non-shielded 2.336.145 ₫ Thêm vào giỏ hàng Thêm vào danh sách so sánh Danh sách yêu thích tùy chỉnh được Thêm vào danh sách yêu thích
Cảm biến tiệm cận Omron E2EW-X10B130-M1 Ngõ ra: PNPKích cỡ: M30Chế độ hoạt động: NONguồn cấp: 10...30VDCKiểu đấu nối: Giắc cắmLoại chống nhiễu: ShieldedKhoảng cách phát hiện: 10mm 2.434.090 ₫ Thêm vào giỏ hàng Thêm vào danh sách so sánh Danh sách yêu thích tùy chỉnh được Thêm vào danh sách yêu thích