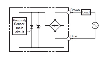
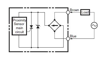
Cảm biến tiệm cận Omron E2FQ-X5Y1 2M Kích cỡ: M18Ngõ ra: 2 dây ACChiều dài cáp: 2mChế độ hoạt động: NONguồn cấp: 24...240VACKiểu đấu nối: Dây liềnLoại chống nhiễu: ShieldedKhoảng cách phát hiện: 5mm nhà chế tạo: Omron SKU: E2FQ-X5Y1 2M Tải xuống mẫu Giá cũ: 4.258.980 ₫ Giá bán: 3.549.150 ₫ Số lượng: Thêm vào giỏ hàng Danh sách yêu thích tùy chỉnh được Thêm vào danh sách yêu thích Thêm vào danh sách so sánh Gửi email cho một người bạn Thông tin chi tiết của: Cảm biến tiệm cận Omron E2FQ-X5Y1 2M Thông số kỹ thuật cơ bản của: E2FQ-X5Y1 2M Sensing head size M18 Type Cylinder type (with screw), Shielded Power source AC 2-wire models Sensing distance 5 mm ±10% Setting distance 0 to 4 mm Operation mode NO Thông số kỹ thuật chi tiết của: E2FQ-X5Y1 2M ModelE2FQ-X5Y1 2MSensing head sizeM18TypeCylinder type (with screw), ShieldedPower sourceAC 2-wire modelsSensing distance5 mm ±10%Setting distance0 to 4 mmDifferential distance10% max. of sensing distanceSensing objectFerrous metal (Sensitivity lowers with non-ferrous metals.)Standard sensing objectIron 18 x 18 x 1 mmResponse frequency25 Hz (Average value)Power supply voltage24 to 240 VACOperating voltage range20 to 264 VACLeakage currentat 200 VAC: 1.7 mA max.Control output (Switching capacity)5 to 300 mAIndicatorOperation indicator (red)Operation modeNOProtective circuitSurge suppressorAmbient temperature (Operating)-25 to 70 ℃Ambient temperature (Storage)-25 to 70 ℃Ambient humidity (Operating)35 to 95 %Ambient humidity (Storage)35 to 95 %Temperature influence±10% max. of sensing distance at 23 ℃ in the temperature range of -25 to 70 ℃Voltage influence±1% max. of sensing distance at rated voltage in the rated voltage ±10% rangeInsulation resistanceBetween charged parts and the case: 50 MΩ min. at 500 VDCDielectric strengthBetween charged parts and the case: 4,000 VAC 50/60 Hz 1 minVibration resistanceDestruction: 10 to 55 Hz, 1.5 mm double amplitude each in X, Y, and Z directions for 2 hShock resistanceDestruction: 1000 m/s2 10 times each in X, Y, and Z directionsDegree of protectionIEC: IP67Company standard: Oil-proofConnection methodPre-wired models (2 m)WeightPackage: Approx. 130 gMaterialCase: Fluoride resinSensing surface: Fluoride resinClamping nuts: Fluoride resinToothed washers: Iron zinc platingAccessoriesInstruction manual Cam Kết Chất Lượng và Dịch Vụ Chúng tôi có hơn 35.000 sản phẩm vì vậy hãy liên hệ với chúng tôi Để được tư vấn và check tình trạng hàng bạn nhé! AUTO TECH VN cam kết: 1. Hàng Chính Hãng. 2. Xuất được Hóa đơn VAT. 3. Cấp CO/CQ đầy đủ. 4. Giá cạnh tranh. 5. Sản phẩm bảo hành theo chính sách của hãng.6. Miễn Phí hỗ trợ cài đặt và sử dụng thiết bị. Thông Tin Liên Hệ Mua Hàng AUTO TECH VN - AUT.VN ĐT/ Zalo : 0968.053.025 Email: support@aut.vn Email2: sale@aut.vn Địa chỉ: 07 KĐT Flora Mizuki, Đường Số 1, Bình Hưng, Bình Chánh, Hồ Chí Minh Thẻ sản phẩm Cảm biến tiệm cận (8626) , Sensors (1856) , ProximitySensors (661) , Cylindrical (390) , Chemical-resistant Proximity Sensor (16) , E2FQ (16) Những sản phẩm liên quan Cảm biến tiệm cận Omron E2FQ-X5Y1 5M Kích cỡ: M18Ngõ ra: 2 dây ACChiều dài cáp: 5mChế độ hoạt động: NONguồn cấp: 24...240VACKiểu đấu nối: Dây liềnLoại chống nhiễu: ShieldedKhoảng cách phát hiện: 5mm 4.342.972 ₫ 3.619.143 ₫ Thêm vào giỏ hàng Thêm vào danh sách so sánh Danh sách yêu thích tùy chỉnh được Thêm vào danh sách yêu thích Cảm biến tiệm cận Omron E2FQ-X5F1 2M Ngõ ra: PNPKích cỡ: M18Chiều dài cáp: 2mChế độ hoạt động: NONguồn cấp: 12...24VDCKiểu đấu nối: Dây liềnLoại chống nhiễu: ShieldedKhoảng cách phát hiện: 5mm 2.895.220 ₫ Thêm vào giỏ hàng Thêm vào danh sách so sánh Danh sách yêu thích tùy chỉnh được Thêm vào danh sách yêu thích Cảm biến tiệm cận Omron E2FQ-X5D1 2M Kích cỡ: M18Ngõ ra: 2 dây DCChiều dài cáp: 2mChế độ hoạt động: NONguồn cấp: 12...24VDCKiểu đấu nối: Dây liềnLoại chống nhiễu: ShieldedKhoảng cách phát hiện: 5mm 3.482.860 ₫ 2.902.383 ₫ Thêm vào giỏ hàng Thêm vào danh sách so sánh Danh sách yêu thích tùy chỉnh được Thêm vào danh sách yêu thích Cảm biến tiệm cận Omron E2FQ-X5E1 5M Ngõ ra: NPNKích cỡ: M18Chiều dài cáp: 5mChế độ hoạt động: NONguồn cấp: 12...24VDCKiểu đấu nối: Dây liềnLoại chống nhiễu: ShieldedKhoảng cách phát hiện: 5mm 3.620.549 ₫ 3.017.124 ₫ Thêm vào giỏ hàng Thêm vào danh sách so sánh Danh sách yêu thích tùy chỉnh được Thêm vào danh sách yêu thích Cảm biến tiệm cận Omron E2FQ-X5E1 2M (M18, NPN, NO) Thương hiệu: Omron (Chính hãng).Khoảng cách phát hiện: 5mm (Shielded).Ngõ ra: NPN, chế độ NO (Thường mở).Kích cỡ: M18, vỏ nhựa Fluoride chịu dầu.Nguồn cấp: 12-24 VDC.Kiểu đấu nối: Dây liền 2 mét.Độ bền cao: Chuẩn chống nước IP67. 4.558.200 ₫ 3.646.560 ₫ Thêm vào giỏ hàng Thêm vào danh sách so sánh Danh sách yêu thích tùy chỉnh được Thêm vào danh sách yêu thích Cảm biến tiệm cận Omron E2FQ-X5D1 5M Kích cỡ: M18Ngõ ra: 2 dây DCChiều dài cáp: 5mChế độ hoạt động: NONguồn cấp: 12...24VDCKiểu đấu nối: Dây liềnLoại chống nhiễu: ShieldedKhoảng cách phát hiện: 5mm 3.731.983 ₫ 3.109.986 ₫ Thêm vào giỏ hàng Thêm vào danh sách so sánh Danh sách yêu thích tùy chỉnh được Thêm vào danh sách yêu thích Cảm biến tiệm cận Omron E2FQ-X10Y1 2M Kích cỡ: M30Ngõ ra: 2 dây ACChiều dài cáp: 2mChế độ hoạt động: NONguồn cấp: 24...240VACKiểu đấu nối: Dây liềnLoại chống nhiễu: ShieldedKhoảng cách phát hiện: 10mm 5.410.865 ₫ 4.509.054 ₫ Thêm vào giỏ hàng Thêm vào danh sách so sánh Danh sách yêu thích tùy chỉnh được Thêm vào danh sách yêu thích Cảm biến tiệm cận Omron E2FQ-X10Y1 5M Kích cỡ: M30Ngõ ra: 2 dây ACChiều dài cáp: 5mChế độ hoạt động: NONguồn cấp: 24...240VACKiểu đấu nối: Dây liềnLoại chống nhiễu: ShieldedKhoảng cách phát hiện: 10mm 5.757.642 ₫ 4.798.035 ₫ Thêm vào giỏ hàng Thêm vào danh sách so sánh Danh sách yêu thích tùy chỉnh được Thêm vào danh sách yêu thích
Cảm biến tiệm cận Omron E2FQ-X5Y1 5M Kích cỡ: M18Ngõ ra: 2 dây ACChiều dài cáp: 5mChế độ hoạt động: NONguồn cấp: 24...240VACKiểu đấu nối: Dây liềnLoại chống nhiễu: ShieldedKhoảng cách phát hiện: 5mm 4.342.972 ₫ 3.619.143 ₫ Thêm vào giỏ hàng Thêm vào danh sách so sánh Danh sách yêu thích tùy chỉnh được Thêm vào danh sách yêu thích
Cảm biến tiệm cận Omron E2FQ-X5F1 2M Ngõ ra: PNPKích cỡ: M18Chiều dài cáp: 2mChế độ hoạt động: NONguồn cấp: 12...24VDCKiểu đấu nối: Dây liềnLoại chống nhiễu: ShieldedKhoảng cách phát hiện: 5mm 2.895.220 ₫ Thêm vào giỏ hàng Thêm vào danh sách so sánh Danh sách yêu thích tùy chỉnh được Thêm vào danh sách yêu thích
Cảm biến tiệm cận Omron E2FQ-X5D1 2M Kích cỡ: M18Ngõ ra: 2 dây DCChiều dài cáp: 2mChế độ hoạt động: NONguồn cấp: 12...24VDCKiểu đấu nối: Dây liềnLoại chống nhiễu: ShieldedKhoảng cách phát hiện: 5mm 3.482.860 ₫ 2.902.383 ₫ Thêm vào giỏ hàng Thêm vào danh sách so sánh Danh sách yêu thích tùy chỉnh được Thêm vào danh sách yêu thích
Cảm biến tiệm cận Omron E2FQ-X5E1 5M Ngõ ra: NPNKích cỡ: M18Chiều dài cáp: 5mChế độ hoạt động: NONguồn cấp: 12...24VDCKiểu đấu nối: Dây liềnLoại chống nhiễu: ShieldedKhoảng cách phát hiện: 5mm 3.620.549 ₫ 3.017.124 ₫ Thêm vào giỏ hàng Thêm vào danh sách so sánh Danh sách yêu thích tùy chỉnh được Thêm vào danh sách yêu thích
Cảm biến tiệm cận Omron E2FQ-X5E1 2M (M18, NPN, NO) Thương hiệu: Omron (Chính hãng).Khoảng cách phát hiện: 5mm (Shielded).Ngõ ra: NPN, chế độ NO (Thường mở).Kích cỡ: M18, vỏ nhựa Fluoride chịu dầu.Nguồn cấp: 12-24 VDC.Kiểu đấu nối: Dây liền 2 mét.Độ bền cao: Chuẩn chống nước IP67. 4.558.200 ₫ 3.646.560 ₫ Thêm vào giỏ hàng Thêm vào danh sách so sánh Danh sách yêu thích tùy chỉnh được Thêm vào danh sách yêu thích
Cảm biến tiệm cận Omron E2FQ-X5D1 5M Kích cỡ: M18Ngõ ra: 2 dây DCChiều dài cáp: 5mChế độ hoạt động: NONguồn cấp: 12...24VDCKiểu đấu nối: Dây liềnLoại chống nhiễu: ShieldedKhoảng cách phát hiện: 5mm 3.731.983 ₫ 3.109.986 ₫ Thêm vào giỏ hàng Thêm vào danh sách so sánh Danh sách yêu thích tùy chỉnh được Thêm vào danh sách yêu thích
Cảm biến tiệm cận Omron E2FQ-X10Y1 2M Kích cỡ: M30Ngõ ra: 2 dây ACChiều dài cáp: 2mChế độ hoạt động: NONguồn cấp: 24...240VACKiểu đấu nối: Dây liềnLoại chống nhiễu: ShieldedKhoảng cách phát hiện: 10mm 5.410.865 ₫ 4.509.054 ₫ Thêm vào giỏ hàng Thêm vào danh sách so sánh Danh sách yêu thích tùy chỉnh được Thêm vào danh sách yêu thích
Cảm biến tiệm cận Omron E2FQ-X10Y1 5M Kích cỡ: M30Ngõ ra: 2 dây ACChiều dài cáp: 5mChế độ hoạt động: NONguồn cấp: 24...240VACKiểu đấu nối: Dây liềnLoại chống nhiễu: ShieldedKhoảng cách phát hiện: 10mm 5.757.642 ₫ 4.798.035 ₫ Thêm vào giỏ hàng Thêm vào danh sách so sánh Danh sách yêu thích tùy chỉnh được Thêm vào danh sách yêu thích