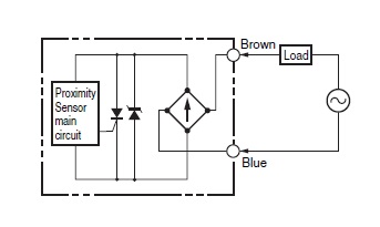
Cảm biến tiệm cận Omron E2E2-X10MY2 2M Kích cỡ: M18Ngõ ra: 2 dây ACChiều dài cáp: 2mChế độ hoạt động: NCNguồn cấp: 24...240VACKiểu đấu nối: Dây liềnKhoảng cách phát hiện: 10mmLoại chống nhiễu: Non-shielded nhà chế tạo: Omron SKU: E2E2-X10MY2 2M Tải xuống mẫu Giá cũ: 1.568.754 ₫ Giá bán: 1.307.295 ₫ Số lượng: Thêm vào giỏ hàng Danh sách yêu thích tùy chỉnh được Thêm vào danh sách yêu thích Thêm vào danh sách so sánh Gửi email cho một người bạn Thông tin chi tiết của: Cảm biến tiệm cận Omron E2E2-X10MY2 2M Thông số kỹ thuật cơ bản của: E2E2-X10MY2 2M Sensing head size M18 Type Cylinder type (with screw), Unshielded Power source AC 2-wire models Sensing distance 10 mm ±10% Setting distance 0 to 8 mm Operation mode NC Thông số kỹ thuật chi tiết của: E2E2-X10MY2 2M ModelE2E2-X10MY2 2MSensing head sizeM18TypeCylinder type (with screw), UnshieldedPower sourceAC 2-wire modelsSensing distance10 mm ±10%Setting distance0 to 8 mmDifferential distance10% max. of sensing distanceSensing objectFerrous metal (Sensitivity lowers with non-ferrous metals.)Standard sensing objectIron 30 x 30 x 1 mmResponse frequency25 Hz (Average value)Power supply voltage24 to 240 VACOperating voltage range20 to 264 VACLeakage current1.7 mA max.Control output (Switching capacity)5 to 300 mAIndicatorOperation indicator (red)Operation modeNCAmbient temperature (Operating)-40 to 85 ℃Ambient temperature (Storage)-40 to 85 ℃Ambient humidity (Operating)35 to 95 %Ambient humidity (Storage)35 to 95 %Temperature influence±10% max. of sensing distance at 23 ℃ in the temperature range of -25 to 70 ℃±15% max. of sensing distance at 23 ℃ in the temperature range of -40 to 85 ℃Voltage influence±1% max. of sensing distance at rated voltage in the rated voltage ±15% rangeInsulation resistanceBetween charged parts and the case: 50 MΩ min. at 500 VDCDielectric strengthBetween charged parts and the case: 4,000 VAC 50/60 Hz 1 minVibration resistanceDestruction: 10 to 55 Hz, 1.5 mm double amplitude each in X, Y, and Z directions for 2 hShock resistanceDestruction: 1000 m/s2 10 times each in X, Y, and Z directionsDegree of protectionIEC: IP67Company standard: Oil-proofConnection methodPre-wired models (2 m)WeightPackage: Approx. 150 gMaterialCase: BrassSensing surface: Polybutylene terephthalate (PBT)Clamping nuts: Brass nickel platingToothed washers: Iron zinc platingAccessoriesInstruction manual Cam Kết Chất Lượng và Dịch Vụ Chúng tôi có hơn 35.000 sản phẩm vì vậy hãy liên hệ với chúng tôi Để được tư vấn và check tình trạng hàng bạn nhé! AUTO TECH VN cam kết: 1. Hàng Chính Hãng. 2. Xuất được Hóa đơn VAT. 3. Cấp CO/CQ đầy đủ. 4. Giá cạnh tranh. 5. Sản phẩm bảo hành theo chính sách của hãng.6. Miễn Phí hỗ trợ cài đặt và sử dụng thiết bị. Thông Tin Liên Hệ Mua Hàng AUTO TECH VN - AUT.VN ĐT/ Zalo : 0968.053.025 Email: support@aut.vn Email2: sale@aut.vn Địa chỉ: 07 KĐT Flora Mizuki, Đường Số 1, Bình Hưng, Bình Chánh, Hồ Chí Minh Thẻ sản phẩm Cảm biến tiệm cận (8626) , Sensors (1856) , ProximitySensors (661) , Long Size Proximity Sensor (12) , Others (85) , E2E2 (18) Những sản phẩm liên quan Cảm biến tiệm cận Omron E2E2-X10MY1 5M Kích cỡ: M18Ngõ ra: 2 dây ACChiều dài cáp: 5mChế độ hoạt động: NONguồn cấp: 24...240VACKiểu đấu nối: Dây liềnKhoảng cách phát hiện: 10mmLoại chống nhiễu: Non-shielded 1.748.974 ₫ 1.457.478 ₫ Thêm vào giỏ hàng Thêm vào danh sách so sánh Danh sách yêu thích tùy chỉnh được Thêm vào danh sách yêu thích Cảm biến tiệm cận Omron E2E2-X10MY1 2M Kích cỡ: M18Ngõ ra: 2 dây ACChiều dài cáp: 2mChế độ hoạt động: NONguồn cấp: 24...240VACKiểu đấu nối: Dây liềnKhoảng cách phát hiện: 10mmLoại chống nhiễu: Non-shielded 1.845.320 ₫ 1.537.767 ₫ Thêm vào giỏ hàng Thêm vào danh sách so sánh Danh sách yêu thích tùy chỉnh được Thêm vào danh sách yêu thích Cảm biến tiệm cận Omron E2E2-X5Y1 2M Kích cỡ: M18Ngõ ra: 2 dây ACChiều dài cáp: 2mChế độ hoạt động: NONguồn cấp: 24...240VACKiểu đấu nối: Dây liềnLoại chống nhiễu: ShieldedKhoảng cách phát hiện: 5mm 2.011.878 ₫ 1.676.565 ₫ Thêm vào giỏ hàng Thêm vào danh sách so sánh Danh sách yêu thích tùy chỉnh được Thêm vào danh sách yêu thích Cảm biến tiệm cận Omron E2E2-X5Y2 2M Kích cỡ: M18Ngõ ra: 2 dây ACChiều dài cáp: 2mChế độ hoạt động: NCNguồn cấp: 24...240VACKiểu đấu nối: Dây liềnLoại chống nhiễu: ShieldedKhoảng cách phát hiện: 5mm 2.123.312 ₫ 1.769.427 ₫ Thêm vào giỏ hàng Thêm vào danh sách so sánh Danh sách yêu thích tùy chỉnh được Thêm vào danh sách yêu thích Cảm biến tiệm cận Omron E2E2-X5Y1 5M Kích cỡ: M18Ngõ ra: 2 dây ACChiều dài cáp: 5mChế độ hoạt động: NONguồn cấp: 24...240VACKiểu đấu nối: Dây liềnLoại chống nhiễu: ShieldedKhoảng cách phát hiện: 5mm 2.164.655 ₫ 1.803.879 ₫ Thêm vào giỏ hàng Thêm vào danh sách so sánh Danh sách yêu thích tùy chỉnh được Thêm vào danh sách yêu thích Cảm biến tiệm cận Omron E2E2-X10MC1 2M Ngõ ra: NPNKích cỡ: M18Chiều dài cáp: 2mChế độ hoạt động: NONguồn cấp: 12...24VDCKiểu đấu nối: Dây liềnKhoảng cách phát hiện: 10mmLoại chống nhiễu: Non-shielded 950 ₫ Thêm vào giỏ hàng Thêm vào danh sách so sánh Danh sách yêu thích tùy chỉnh được Thêm vào danh sách yêu thích Cảm biến tiệm cận Omron E2E2-X10MC1 5M Ngõ ra: NPNKích cỡ: M18Chiều dài cáp: 5mChế độ hoạt động: NONguồn cấp: 12...24VDCKiểu đấu nối: Dây liềnKhoảng cách phát hiện: 10mmLoại chống nhiễu: Non-shielded 950 ₫ Thêm vào giỏ hàng Thêm vào danh sách so sánh Danh sách yêu thích tùy chỉnh được Thêm vào danh sách yêu thích Cảm biến tiệm cận Omron E2E2-X10MC2 2M Ngõ ra: NPNKích cỡ: M18Chiều dài cáp: 2mChế độ hoạt động: NCNguồn cấp: 12...24VDCKiểu đấu nối: Dây liềnKhoảng cách phát hiện: 10mmLoại chống nhiễu: Non-shielded 950 ₫ Thêm vào giỏ hàng Thêm vào danh sách so sánh Danh sách yêu thích tùy chỉnh được Thêm vào danh sách yêu thích
Cảm biến tiệm cận Omron E2E2-X10MY1 5M Kích cỡ: M18Ngõ ra: 2 dây ACChiều dài cáp: 5mChế độ hoạt động: NONguồn cấp: 24...240VACKiểu đấu nối: Dây liềnKhoảng cách phát hiện: 10mmLoại chống nhiễu: Non-shielded 1.748.974 ₫ 1.457.478 ₫ Thêm vào giỏ hàng Thêm vào danh sách so sánh Danh sách yêu thích tùy chỉnh được Thêm vào danh sách yêu thích
Cảm biến tiệm cận Omron E2E2-X10MY1 2M Kích cỡ: M18Ngõ ra: 2 dây ACChiều dài cáp: 2mChế độ hoạt động: NONguồn cấp: 24...240VACKiểu đấu nối: Dây liềnKhoảng cách phát hiện: 10mmLoại chống nhiễu: Non-shielded 1.845.320 ₫ 1.537.767 ₫ Thêm vào giỏ hàng Thêm vào danh sách so sánh Danh sách yêu thích tùy chỉnh được Thêm vào danh sách yêu thích
Cảm biến tiệm cận Omron E2E2-X5Y1 2M Kích cỡ: M18Ngõ ra: 2 dây ACChiều dài cáp: 2mChế độ hoạt động: NONguồn cấp: 24...240VACKiểu đấu nối: Dây liềnLoại chống nhiễu: ShieldedKhoảng cách phát hiện: 5mm 2.011.878 ₫ 1.676.565 ₫ Thêm vào giỏ hàng Thêm vào danh sách so sánh Danh sách yêu thích tùy chỉnh được Thêm vào danh sách yêu thích
Cảm biến tiệm cận Omron E2E2-X5Y2 2M Kích cỡ: M18Ngõ ra: 2 dây ACChiều dài cáp: 2mChế độ hoạt động: NCNguồn cấp: 24...240VACKiểu đấu nối: Dây liềnLoại chống nhiễu: ShieldedKhoảng cách phát hiện: 5mm 2.123.312 ₫ 1.769.427 ₫ Thêm vào giỏ hàng Thêm vào danh sách so sánh Danh sách yêu thích tùy chỉnh được Thêm vào danh sách yêu thích
Cảm biến tiệm cận Omron E2E2-X5Y1 5M Kích cỡ: M18Ngõ ra: 2 dây ACChiều dài cáp: 5mChế độ hoạt động: NONguồn cấp: 24...240VACKiểu đấu nối: Dây liềnLoại chống nhiễu: ShieldedKhoảng cách phát hiện: 5mm 2.164.655 ₫ 1.803.879 ₫ Thêm vào giỏ hàng Thêm vào danh sách so sánh Danh sách yêu thích tùy chỉnh được Thêm vào danh sách yêu thích
Cảm biến tiệm cận Omron E2E2-X10MC1 2M Ngõ ra: NPNKích cỡ: M18Chiều dài cáp: 2mChế độ hoạt động: NONguồn cấp: 12...24VDCKiểu đấu nối: Dây liềnKhoảng cách phát hiện: 10mmLoại chống nhiễu: Non-shielded 950 ₫ Thêm vào giỏ hàng Thêm vào danh sách so sánh Danh sách yêu thích tùy chỉnh được Thêm vào danh sách yêu thích
Cảm biến tiệm cận Omron E2E2-X10MC1 5M Ngõ ra: NPNKích cỡ: M18Chiều dài cáp: 5mChế độ hoạt động: NONguồn cấp: 12...24VDCKiểu đấu nối: Dây liềnKhoảng cách phát hiện: 10mmLoại chống nhiễu: Non-shielded 950 ₫ Thêm vào giỏ hàng Thêm vào danh sách so sánh Danh sách yêu thích tùy chỉnh được Thêm vào danh sách yêu thích
Cảm biến tiệm cận Omron E2E2-X10MC2 2M Ngõ ra: NPNKích cỡ: M18Chiều dài cáp: 2mChế độ hoạt động: NCNguồn cấp: 12...24VDCKiểu đấu nối: Dây liềnKhoảng cách phát hiện: 10mmLoại chống nhiễu: Non-shielded 950 ₫ Thêm vào giỏ hàng Thêm vào danh sách so sánh Danh sách yêu thích tùy chỉnh được Thêm vào danh sách yêu thích