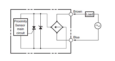
Cảm biến tiệm cận Omron E2K-X4MY1 2M Non-shieldedKích cỡ: M12Ngõ ra: 2 dây ACChiều dài cáp: 2mChế độ hoạt động: NOKiểu đấu nối: Dây liềnNguồn cấp: 100...220VACKhoảng cách phát hiện: 4mm nhà chế tạo: Omron SKU: E2K-X4MY1 2M Tải xuống mẫu Giá cũ: 3.538.050 ₫ Giá bán: 2.830.440 ₫ Số lượng: Thêm vào giỏ hàng Danh sách yêu thích tùy chỉnh được Thêm vào danh sách yêu thích Thêm vào danh sách so sánh Gửi email cho một người bạn Thông tin chi tiết của: Cảm biến tiệm cận Omron E2K-X4MY1 2M Thông số kỹ thuật cơ bản của: E2K-X4MY1 2M Sensing head size M12 Type Cylinder type (with screw), Capacitive type, Unshielded Power source AC 2-wire models Sensing distance 4 mm ±10% Setting distance 0 to 2.8 mm Operation mode NO Thông số kỹ thuật chi tiết của: E2K-X4MY1 2M ModelE2K-X4MY1 2MSensing head sizeM12TypeCylinder type (with screw), Capacitive type, UnshieldedPower sourceAC 2-wire modelsSensing distance4 mm ±10%Setting distance0 to 2.8 mmDifferential distance4 to 20% of sensing distanceSensing objectConductor and dielectricsStandard sensing objectWith grounded metal 50 x 50 x 1 mmResponse frequency10 HzPower supply voltage100 to 220 VACOperating voltage range90 to 250 VACLeakage current2.2 mA max.Control output (Switching capacity)10 to 200 mAIndicatorOperation indicator (red)Operation modeNOProtective circuitSurge suppressorAmbient temperature (Operating)-25 to 70 ℃Ambient temperature (Storage)-25 to 70 ℃Ambient humidity (Operating)35 to 95 %Ambient humidity (Storage)35 to 95 %Temperature influence±20% max. of sensing distance at 23 ℃ in the temperature range of −25 to 70 ℃Voltage influence±2% max. of sensing distance at rated voltage in the rated voltage ±10% rangeInsulation resistanceBetween charged parts and the case: 50 MΩ min. at 500 VDCDielectric strengthBetween charged parts and the case: 2,000 VAC 50/60 Hz 1 minVibration resistanceDestruction: 10 to 55 Hz, 1.5 mm double amplitude each in X, Y, and Z directions for 2 hShock resistanceDestruction: 500 m/s2 3 times each in X, Y and Z directionsDegree of protectionIEC: IP66Company standard: Oil-proofConnection methodPre-wired models (2 m)WeightPackage: Approx. 65 gMaterialCase: Heat-resistant ABS resinSensing surface: Heat-resistant ABS resinClamping nuts: PolyacetalAccessoriesInstruction manual Cam Kết Chất Lượng và Dịch Vụ Chúng tôi có hơn 35.000 sản phẩm vì vậy hãy liên hệ với chúng tôi Để được tư vấn và check tình trạng hàng bạn nhé! AUTO TECH VN cam kết: 1. Hàng Chính Hãng. 2. Xuất được Hóa đơn VAT. 3. Cấp CO/CQ đầy đủ. 4. Giá cạnh tranh. 5. Sản phẩm bảo hành theo chính sách của hãng.6. Miễn Phí hỗ trợ cài đặt và sử dụng thiết bị. Thông Tin Liên Hệ Mua Hàng AUTO TECH VN - AUT.VN ĐT/ Zalo : 0968.053.025 Email: support@aut.vn Email2: sale@aut.vn Địa chỉ: 07 KĐT Flora Mizuki, Đường Số 1, Bình Hưng, Bình Chánh, Hồ Chí Minh Thẻ sản phẩm Cảm biến tiệm cận (8626) , Sensors (1856) , ProximitySensors (661) , Proximity Sensor (81) , Capacitive (57) , E2K-X (30) Những sản phẩm liên quan Cảm biến tiệm cận Omron E2K-X4MY2 2M Non-shieldedKích cỡ: M12Ngõ ra: 2 dây ACChiều dài cáp: 2mChế độ hoạt động: NCKiểu đấu nối: Dây liềnNguồn cấp: 100...220VACKhoảng cách phát hiện: 4mm 2.981.100 ₫ 2.384.880 ₫ Thêm vào giỏ hàng Thêm vào danh sách so sánh Danh sách yêu thích tùy chỉnh được Thêm vào danh sách yêu thích Cảm biến tiệm cận Omron E2K-X8MY2 2M Non-shieldedKích cỡ: M18Ngõ ra: 2 dây ACChiều dài cáp: 2mChế độ hoạt động: NCKiểu đấu nối: Dây liềnNguồn cấp: 100...220VACKhoảng cách phát hiện: 8mm 3.357.900 ₫ 2.686.320 ₫ Thêm vào giỏ hàng Thêm vào danh sách so sánh Danh sách yêu thích tùy chỉnh được Thêm vào danh sách yêu thích Cảm biến tiệm cận Omron E2K-X8MY1 2M Non-shieldedKích cỡ: M18Ngõ ra: 2 dây ACChiều dài cáp: 2mChế độ hoạt động: NOKiểu đấu nối: Dây liềnNguồn cấp: 100...220VACKhoảng cách phát hiện: 8mm 3.407.100 ₫ 2.725.680 ₫ Thêm vào giỏ hàng Thêm vào danh sách so sánh Danh sách yêu thích tùy chỉnh được Thêm vào danh sách yêu thích Cảm biến tiệm cận Omron E2K-X4MF2 2M Ngõ ra: PNPNon-shieldedKích cỡ: M12Chiều dài cáp: 2mChế độ hoạt động: NCNguồn cấp: 12...24VDCKiểu đấu nối: Dây liềnKhoảng cách phát hiện: 4mm 2.342.400 ₫ 1.873.920 ₫ Thêm vào giỏ hàng Thêm vào danh sách so sánh Danh sách yêu thích tùy chỉnh được Thêm vào danh sách yêu thích Cảm biến tiệm cận Omron E2K-X4MF1 2M Ngõ ra: PNPNon-shieldedKích cỡ: M12Chiều dài cáp: 2mChế độ hoạt động: NONguồn cấp: 12...24VDCKiểu đấu nối: Dây liềnKhoảng cách phát hiện: 4mm 2.568.450 ₫ 2.054.760 ₫ Thêm vào giỏ hàng Thêm vào danh sách so sánh Danh sách yêu thích tùy chỉnh được Thêm vào danh sách yêu thích Cảm biến tiệm cận Omron E2K-X8ME2 2M Ngõ ra: NPNNon-shieldedKích cỡ: M18Chiều dài cáp: 2mChế độ hoạt động: NCNguồn cấp: 12...24VDCKiểu đấu nối: Dây liềnKhoảng cách phát hiện: 8mm 2.735.400 ₫ 2.188.320 ₫ Thêm vào giỏ hàng Thêm vào danh sách so sánh Danh sách yêu thích tùy chỉnh được Thêm vào danh sách yêu thích Cảm biến tiệm cận Omron E2K-X8MF2 2M Ngõ ra: PNPNon-shieldedKích cỡ: M18Chiều dài cáp: 2mChế độ hoạt động: NCNguồn cấp: 12...24VDCKiểu đấu nối: Dây liềnKhoảng cách phát hiện: 8mm 2.879.700 ₫ 2.303.760 ₫ Thêm vào giỏ hàng Thêm vào danh sách so sánh Danh sách yêu thích tùy chỉnh được Thêm vào danh sách yêu thích Cảm biến tiệm cận Omron E2K-X4ME2 2M Ngõ ra: NPNNon-shieldedKích cỡ: M12Chiều dài cáp: 2mChế độ hoạt động: NCNguồn cấp: 12...24VDCKiểu đấu nối: Dây liềnKhoảng cách phát hiện: 4mm 2.912.550 ₫ 2.330.040 ₫ Thêm vào giỏ hàng Thêm vào danh sách so sánh Danh sách yêu thích tùy chỉnh được Thêm vào danh sách yêu thích
Cảm biến tiệm cận Omron E2K-X4MY2 2M Non-shieldedKích cỡ: M12Ngõ ra: 2 dây ACChiều dài cáp: 2mChế độ hoạt động: NCKiểu đấu nối: Dây liềnNguồn cấp: 100...220VACKhoảng cách phát hiện: 4mm 2.981.100 ₫ 2.384.880 ₫ Thêm vào giỏ hàng Thêm vào danh sách so sánh Danh sách yêu thích tùy chỉnh được Thêm vào danh sách yêu thích
Cảm biến tiệm cận Omron E2K-X8MY2 2M Non-shieldedKích cỡ: M18Ngõ ra: 2 dây ACChiều dài cáp: 2mChế độ hoạt động: NCKiểu đấu nối: Dây liềnNguồn cấp: 100...220VACKhoảng cách phát hiện: 8mm 3.357.900 ₫ 2.686.320 ₫ Thêm vào giỏ hàng Thêm vào danh sách so sánh Danh sách yêu thích tùy chỉnh được Thêm vào danh sách yêu thích
Cảm biến tiệm cận Omron E2K-X8MY1 2M Non-shieldedKích cỡ: M18Ngõ ra: 2 dây ACChiều dài cáp: 2mChế độ hoạt động: NOKiểu đấu nối: Dây liềnNguồn cấp: 100...220VACKhoảng cách phát hiện: 8mm 3.407.100 ₫ 2.725.680 ₫ Thêm vào giỏ hàng Thêm vào danh sách so sánh Danh sách yêu thích tùy chỉnh được Thêm vào danh sách yêu thích
Cảm biến tiệm cận Omron E2K-X4MF2 2M Ngõ ra: PNPNon-shieldedKích cỡ: M12Chiều dài cáp: 2mChế độ hoạt động: NCNguồn cấp: 12...24VDCKiểu đấu nối: Dây liềnKhoảng cách phát hiện: 4mm 2.342.400 ₫ 1.873.920 ₫ Thêm vào giỏ hàng Thêm vào danh sách so sánh Danh sách yêu thích tùy chỉnh được Thêm vào danh sách yêu thích
Cảm biến tiệm cận Omron E2K-X4MF1 2M Ngõ ra: PNPNon-shieldedKích cỡ: M12Chiều dài cáp: 2mChế độ hoạt động: NONguồn cấp: 12...24VDCKiểu đấu nối: Dây liềnKhoảng cách phát hiện: 4mm 2.568.450 ₫ 2.054.760 ₫ Thêm vào giỏ hàng Thêm vào danh sách so sánh Danh sách yêu thích tùy chỉnh được Thêm vào danh sách yêu thích
Cảm biến tiệm cận Omron E2K-X8ME2 2M Ngõ ra: NPNNon-shieldedKích cỡ: M18Chiều dài cáp: 2mChế độ hoạt động: NCNguồn cấp: 12...24VDCKiểu đấu nối: Dây liềnKhoảng cách phát hiện: 8mm 2.735.400 ₫ 2.188.320 ₫ Thêm vào giỏ hàng Thêm vào danh sách so sánh Danh sách yêu thích tùy chỉnh được Thêm vào danh sách yêu thích
Cảm biến tiệm cận Omron E2K-X8MF2 2M Ngõ ra: PNPNon-shieldedKích cỡ: M18Chiều dài cáp: 2mChế độ hoạt động: NCNguồn cấp: 12...24VDCKiểu đấu nối: Dây liềnKhoảng cách phát hiện: 8mm 2.879.700 ₫ 2.303.760 ₫ Thêm vào giỏ hàng Thêm vào danh sách so sánh Danh sách yêu thích tùy chỉnh được Thêm vào danh sách yêu thích
Cảm biến tiệm cận Omron E2K-X4ME2 2M Ngõ ra: NPNNon-shieldedKích cỡ: M12Chiều dài cáp: 2mChế độ hoạt động: NCNguồn cấp: 12...24VDCKiểu đấu nối: Dây liềnKhoảng cách phát hiện: 4mm 2.912.550 ₫ 2.330.040 ₫ Thêm vào giỏ hàng Thêm vào danh sách so sánh Danh sách yêu thích tùy chỉnh được Thêm vào danh sách yêu thích