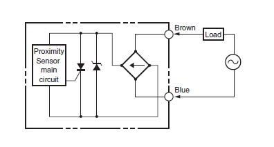
Cảm biến tiệm cận Omron E2K-X4MY2 5M Cảm biến tiệm cận Omron E2K-X4MY2 5M Proximity Sensor Cylinder type M12 Unshielded Sensing distance: 4 mm AC 2-wire NC Pre-wired model 5 m Mua Ngay : nhà chế tạo: Omron SKU: E2K-X4MY2 5M Ngày giao hàng: 1-3 days Giá cũ: 1.188 ₫ Giá bán: 990 ₫ Số lượng: Thêm vào giỏ hàng Giao đến Chọn quốc gia Vietnam Vietnam * Khác * Phương pháp vận chuyển Tên Ngày dự kiến giao hàng Giá bán Không có tùy chọn giao hàng nào Áp dụng Custom wishlist được Thêm vào danh sách yêu thích Thêm vào danh sách so sánh Thông Tin Sản Phẩm: E2K-X4MY2 5M Thông Tin Kỹ Thuật cơ bản của : Cảm biến tiệm cận Omron E2K-X8ME1 2M Sensing head size M12 Type Cylinder type (with screw), Capacitive type, Unshielded Power source AC 2-wire models Sensing distance 4 mm ±10% Setting distance 0 to 2.8 mm Operation mode NC Thông số kỹ thuật chi tiết sản phẩm: Cảm biến tiệm cận Omron E2K-X8ME1 2M Sensing head sizeM12TypeCylinder type (with screw), Capacitive type, UnshieldedPower sourceAC 2-wire modelsSensing distance4 mm ±10%Setting distance0 to 2.8 mmDifferential distance4 to 20% of sensing distanceSensing objectConductor and dielectricsStandard sensing objectWith grounded metal 50 x 50 x 1 mmResponse frequency10 HzPower supply voltage100 to 220 VACOperating voltage range90 to 250 VACLeakage current2.2 mA max.Control output (Switching capacity)10 to 200 mAIndicatorOperation indicator (red)Operation modeNCProtective circuitSurge suppressorAmbient temperature (Operating)-25 to 70 ℃Ambient temperature (Storage)-25 to 70 ℃Ambient humidity (Operating)35 to 95 %Ambient humidity (Storage)35 to 95 %Temperature influence±20% max. of sensing distance at 23 ℃ in the temperature range of −25 to 70 ℃Voltage influence±2% max. of sensing distance at rated voltage in the rated voltage ±10% rangeInsulation resistanceBetween charged parts and the case: 50 MΩ min. at 500 VDCDielectric strengthBetween charged parts and the case: 2,000 VAC 50/60 Hz 1 minVibration resistanceDestruction: 10 to 55 Hz, 1.5 mm double amplitude each in X, Y, and Z directions for 2 hShock resistanceDestruction: 500 m/s2 3 times each in X, Y and Z directionsDegree of protectionIEC: IP66Company standard: Oil-proofConnection methodPre-wired models (5 m)MaterialCase: Heat-resistant ABS resinSensing surface: Heat-resistant ABS resinClamping nuts: PolyacetalAccessoriesInstruction manual Cam Kết Chất Lượng và Dịch Vụ Chúng tôi có hơn 35.000 sản phẩm vì vậy hãy liên hệ với chúng tôi Để được tư vấn và check tình trạng hàng bạn nhé! AUTO TECH VN cam kết: 1. Hàng Chính Hãng. 2. Xuất được Hóa đơn VAT. 3. Cấp CO/CQ đầy đủ. 4. Giá cạnh tranh. 5. Sản phẩm bảo hành theo chính sách của hãng.6. Miễn Phí hỗ trợ cài đặt và sử dụng thiết bị. Thông Tin Liên Hệ AUTO TECH VN - AUT.VN ĐT/ Zalo : 0968.053.025 Email: support@aut.vn Email2: sale@aut.vn Địa chỉ: 07 KĐT Flora Mizuki, Đường Số 1, Bình Hưng, Bình Chánh, Hồ Chí Minh Thẻ sản phẩm Cảm biến tiệm cận (8131) , Proximity Sensor (81) , E2K-X4MY2 5M (1) , Sensors (1856) , ProximitySensors (661) , Capacitive (57) , E2K-X (30) , E2K-X4MY25M (1)