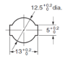
Công tắc hành trình Limit Switch Omron A-20GQ22 20A at 250VACLực tác động tối đa: 6.18NKiểu tác động: Roller plungerCấu hình tiếp điểm/đầu ra: SPDTPhương pháp kết nối: Chân hàn loại toCách lắp đặt: Lắp xuyên lỗ, Lắp bề mặt nhà chế tạo: Omron SKU: A-20GQ22 Tải xuống mẫu Giá cũ: 467.597 ₫ Giá bán: 389.664 ₫ Số lượng: Thêm vào giỏ hàng Danh sách yêu thích tùy chỉnh được Thêm vào danh sách yêu thích Thêm vào danh sách so sánh Gửi email cho một người bạn Thông tin chi tiết của: Công tắc hành trình Limit Switch Omron A-20GQ22 Thông số kỹ thuật cơ bản của: A-20GQ22 Actuator Panel mount roller plunger Contact form SPDT (Single-Pole, Double-Throw type) Terminal Solder terminal Rated current 20 A Degree of protection IP00 Thông số kỹ thuật chi tiết của: A-20GQ22 ModelA-20GQ22ActuatorPanel mount roller plunger 12.7 dia. x 4.8Stainless steel rollerContact formSPDT (Single-Pole, Double-Throw type)RivetAg alloyContact gap (standard value)0.5 mmTerminalSolder terminalLoadHigh-capacityRated current20 ARatings (AC) Non-Inductive loadResistive load: 20 A at 125 VAC, 20 A at 250 VAC, 15 A at 500 VACLamp load: 7.5 A at 125 VAC, 7.5 A at 250 VAC, 4 A at 500 VACInductive load: 20 A at 125 VAC, 20 A at 250 VAC, 10 A at 500 VACMotor load: 12.5 A at 125 VAC, 8.3 A at 250 VAC, 2 A at 500 VACRatings (DC) Non-Inductive loadResistive load: 20 A at 8 VDC, 20 A at 14 VDC, 6 A at 30 VDC, 0.5 A at 125 VDC, 0.25 A at 250 VDCLamp load (NC): 3 A at 8 VDC, 3 A at 14 VDC, 3 A at 30 VDC, 0.5 A at 125 VDC, 0.25 A at 250 VDCLamp load (NO): 1.5 A at 8 VDC, 1.5 A at 14 VDC, 1.5 A at 30 VDC, 0.5 A at 125 VDC, 0.25 A at 250 VDCInductive load: 20 A at 8 VDC, 15 A at 14 VDC, 5 A at 30 VDC, 0.05 A at 125 VDC, 0.03 A at 250 VDCMotor load: 12.5 A at 8 VDC, 12.5 A at 14 VDC, 5 A at 30 VDC, 0.05 A at 125 VDC, 0.03 A at 250 VDCInrush currentNC: 75 A max.NO: 75 A max.Ambient temperature-25 to 80 ℃Ambient humidity35 to 85 % Cam Kết Chất Lượng và Dịch Vụ Chúng tôi có hơn 35.000 sản phẩm vì vậy hãy liên hệ với chúng tôi Để được tư vấn và check tình trạng hàng bạn nhé! AUTO TECH VN cam kết: 1. Hàng Chính Hãng. 2. Xuất được Hóa đơn VAT. 3. Cấp CO/CQ đầy đủ. 4. Giá cạnh tranh. 5. Sản phẩm bảo hành theo chính sách của hãng.6. Miễn Phí hỗ trợ cài đặt và sử dụng thiết bị. Thông Tin Liên Hệ Mua Hàng AUTO TECH VN - AUT.VN ĐT/ Zalo : 0968.053.025 Email: support@aut.vn Email2: sale@aut.vn Địa chỉ: 07 KĐT Flora Mizuki, Đường Số 1, Bình Hưng, Bình Chánh, Hồ Chí Minh Thẻ sản phẩm Công tắc hành trình Limit Switch (4121) , Switches (1905) , General-purpose Basic Switch (125) , BasicSwitches (14) , BasicSwitches(Z-Size) (14) , A (15) Những sản phẩm liên quan Phụ kiện khác Omron AP-B Screw terminal useMaterial: Phenol resinDimension: W53.8xH20.2xD21 16.625 ₫ Thêm vào giỏ hàng Thêm vào danh sách so sánh Danh sách yêu thích tùy chỉnh được Thêm vào danh sách yêu thích Phụ kiện khác Omron AP-A Soldering terminal useMaterial: Phenol resinDimension: W52.8xH16.3xD21 21.375 ₫ Thêm vào giỏ hàng Thêm vào danh sách so sánh Danh sách yêu thích tùy chỉnh được Thêm vào danh sách yêu thích Phụ kiện khác Omron AP1-A Soldering terminal useMaterial: Metal press moldDimension: W54.4xH17.1xD22.6 30.875 ₫ Thêm vào giỏ hàng Thêm vào danh sách so sánh Danh sách yêu thích tùy chỉnh được Thêm vào danh sách yêu thích Phụ kiện khác Omron AP1-B Screw terminal useMaterial: Metal press moldDimension: W55.4xH21xD22.6mm 34.010 ₫ Thêm vào giỏ hàng Thêm vào danh sách so sánh Danh sách yêu thích tùy chỉnh được Thêm vào danh sách yêu thích Phụ kiện khác Omron AP-Z Material: Vinyl chlorideDimension: W52.8xH46xD21mmScrew terminal use, Soldering terminal use 44.935 ₫ Thêm vào giỏ hàng Thêm vào danh sách so sánh Danh sách yêu thích tùy chỉnh được Thêm vào danh sách yêu thích Công tắc hành trình Limit Switch Omron A-20GV2 20A at 250VACCách lắp đặt: Lắp bề mặtLực tác động tối đa: 0.88NCấu hình tiếp điểm/đầu ra: SPDTKiểu tác động: Hinge roller leverPhương pháp kết nối: Chân hàn loại to 285.001 ₫ 237.501 ₫ Thêm vào giỏ hàng Thêm vào danh sách so sánh Danh sách yêu thích tùy chỉnh được Thêm vào danh sách yêu thích Công tắc hành trình Limit Switch Omron A-20GV-B 20A at 250VACCách lắp đặt: Lắp bề mặtKiểu tác động: Hinge leverLực tác động tối đa: 0.69NPhương pháp kết nối: Bắt vítCấu hình tiếp điểm/đầu ra: SPDT 286.546 ₫ 238.788 ₫ Thêm vào giỏ hàng Thêm vào danh sách so sánh Danh sách yêu thích tùy chỉnh được Thêm vào danh sách yêu thích Công tắc hành trình Limit Switch Omron A-20G 20A at 250VACCách lắp đặt: Lắp bề mặtKiểu tác động: Pin plungerCấu hình tiếp điểm/đầu ra: SPDTLực tác động tối đa: 3.92...6.13NPhương pháp kết nối: Chân hàn loại to 299.851 ₫ 249.876 ₫ Thêm vào giỏ hàng Thêm vào danh sách so sánh Danh sách yêu thích tùy chỉnh được Thêm vào danh sách yêu thích Công tắc hành trình Limit Switch Omron A-20G-B 20A at 250VACCách lắp đặt: Lắp bề mặtKiểu tác động: Pin plungerPhương pháp kết nối: Bắt vítCấu hình tiếp điểm/đầu ra: SPDTLực tác động tối đa: 3.92...6.13N 317.790 ₫ 264.825 ₫ Thêm vào giỏ hàng Thêm vào danh sách so sánh Danh sách yêu thích tùy chỉnh được Thêm vào danh sách yêu thích Công tắc hành trình Limit Switch Omron A-20GV21 20A at 250VACCách lắp đặt: Lắp bề mặtKiểu tác động: Hinge leverLực tác động tối đa: 1.57NCấu hình tiếp điểm/đầu ra: SPDTPhương pháp kết nối: Chân hàn loại to 332.640 ₫ 277.200 ₫ Thêm vào giỏ hàng Thêm vào danh sách so sánh Danh sách yêu thích tùy chỉnh được Thêm vào danh sách yêu thích Công tắc hành trình Limit Switch Omron A-20GD 20A at 250VACCách lắp đặt: Lắp bề mặtKiểu tác động: Pin plungerCấu hình tiếp điểm/đầu ra: SPDTLực tác động tối đa: 3.92...6.13NPhương pháp kết nối: Chân hàn loại to 356.281 ₫ 296.901 ₫ Thêm vào giỏ hàng Thêm vào danh sách so sánh Danh sách yêu thích tùy chỉnh được Thêm vào danh sách yêu thích Công tắc hành trình Limit Switch Omron A-20GV22-B 20A at 250VACCách lắp đặt: Lắp bề mặtLực tác động tối đa: 1.57NPhương pháp kết nối: Bắt vítCấu hình tiếp điểm/đầu ra: SPDTKiểu tác động: Hinge roller lever 373.982 ₫ 311.652 ₫ Thêm vào giỏ hàng Thêm vào danh sách so sánh Danh sách yêu thích tùy chỉnh được Thêm vào danh sách yêu thích Công tắc hành trình Limit Switch Omron A-20GV 20A at 250VACCách lắp đặt: Lắp bề mặtKiểu tác động: Hinge leverLực tác động tối đa: 0.69NCấu hình tiếp điểm/đầu ra: SPDTPhương pháp kết nối: Chân hàn loại to 378.616 ₫ 315.513 ₫ Thêm vào giỏ hàng Thêm vào danh sách so sánh Danh sách yêu thích tùy chỉnh được Thêm vào danh sách yêu thích
Phụ kiện khác Omron AP-B Screw terminal useMaterial: Phenol resinDimension: W53.8xH20.2xD21 16.625 ₫ Thêm vào giỏ hàng Thêm vào danh sách so sánh Danh sách yêu thích tùy chỉnh được Thêm vào danh sách yêu thích
Phụ kiện khác Omron AP-A Soldering terminal useMaterial: Phenol resinDimension: W52.8xH16.3xD21 21.375 ₫ Thêm vào giỏ hàng Thêm vào danh sách so sánh Danh sách yêu thích tùy chỉnh được Thêm vào danh sách yêu thích
Phụ kiện khác Omron AP1-A Soldering terminal useMaterial: Metal press moldDimension: W54.4xH17.1xD22.6 30.875 ₫ Thêm vào giỏ hàng Thêm vào danh sách so sánh Danh sách yêu thích tùy chỉnh được Thêm vào danh sách yêu thích
Phụ kiện khác Omron AP1-B Screw terminal useMaterial: Metal press moldDimension: W55.4xH21xD22.6mm 34.010 ₫ Thêm vào giỏ hàng Thêm vào danh sách so sánh Danh sách yêu thích tùy chỉnh được Thêm vào danh sách yêu thích
Phụ kiện khác Omron AP-Z Material: Vinyl chlorideDimension: W52.8xH46xD21mmScrew terminal use, Soldering terminal use 44.935 ₫ Thêm vào giỏ hàng Thêm vào danh sách so sánh Danh sách yêu thích tùy chỉnh được Thêm vào danh sách yêu thích
Công tắc hành trình Limit Switch Omron A-20GV2 20A at 250VACCách lắp đặt: Lắp bề mặtLực tác động tối đa: 0.88NCấu hình tiếp điểm/đầu ra: SPDTKiểu tác động: Hinge roller leverPhương pháp kết nối: Chân hàn loại to 285.001 ₫ 237.501 ₫ Thêm vào giỏ hàng Thêm vào danh sách so sánh Danh sách yêu thích tùy chỉnh được Thêm vào danh sách yêu thích
Công tắc hành trình Limit Switch Omron A-20GV-B 20A at 250VACCách lắp đặt: Lắp bề mặtKiểu tác động: Hinge leverLực tác động tối đa: 0.69NPhương pháp kết nối: Bắt vítCấu hình tiếp điểm/đầu ra: SPDT 286.546 ₫ 238.788 ₫ Thêm vào giỏ hàng Thêm vào danh sách so sánh Danh sách yêu thích tùy chỉnh được Thêm vào danh sách yêu thích
Công tắc hành trình Limit Switch Omron A-20G 20A at 250VACCách lắp đặt: Lắp bề mặtKiểu tác động: Pin plungerCấu hình tiếp điểm/đầu ra: SPDTLực tác động tối đa: 3.92...6.13NPhương pháp kết nối: Chân hàn loại to 299.851 ₫ 249.876 ₫ Thêm vào giỏ hàng Thêm vào danh sách so sánh Danh sách yêu thích tùy chỉnh được Thêm vào danh sách yêu thích
Công tắc hành trình Limit Switch Omron A-20G-B 20A at 250VACCách lắp đặt: Lắp bề mặtKiểu tác động: Pin plungerPhương pháp kết nối: Bắt vítCấu hình tiếp điểm/đầu ra: SPDTLực tác động tối đa: 3.92...6.13N 317.790 ₫ 264.825 ₫ Thêm vào giỏ hàng Thêm vào danh sách so sánh Danh sách yêu thích tùy chỉnh được Thêm vào danh sách yêu thích
Công tắc hành trình Limit Switch Omron A-20GV21 20A at 250VACCách lắp đặt: Lắp bề mặtKiểu tác động: Hinge leverLực tác động tối đa: 1.57NCấu hình tiếp điểm/đầu ra: SPDTPhương pháp kết nối: Chân hàn loại to 332.640 ₫ 277.200 ₫ Thêm vào giỏ hàng Thêm vào danh sách so sánh Danh sách yêu thích tùy chỉnh được Thêm vào danh sách yêu thích
Công tắc hành trình Limit Switch Omron A-20GD 20A at 250VACCách lắp đặt: Lắp bề mặtKiểu tác động: Pin plungerCấu hình tiếp điểm/đầu ra: SPDTLực tác động tối đa: 3.92...6.13NPhương pháp kết nối: Chân hàn loại to 356.281 ₫ 296.901 ₫ Thêm vào giỏ hàng Thêm vào danh sách so sánh Danh sách yêu thích tùy chỉnh được Thêm vào danh sách yêu thích
Công tắc hành trình Limit Switch Omron A-20GV22-B 20A at 250VACCách lắp đặt: Lắp bề mặtLực tác động tối đa: 1.57NPhương pháp kết nối: Bắt vítCấu hình tiếp điểm/đầu ra: SPDTKiểu tác động: Hinge roller lever 373.982 ₫ 311.652 ₫ Thêm vào giỏ hàng Thêm vào danh sách so sánh Danh sách yêu thích tùy chỉnh được Thêm vào danh sách yêu thích
Công tắc hành trình Limit Switch Omron A-20GV 20A at 250VACCách lắp đặt: Lắp bề mặtKiểu tác động: Hinge leverLực tác động tối đa: 0.69NCấu hình tiếp điểm/đầu ra: SPDTPhương pháp kết nối: Chân hàn loại to 378.616 ₫ 315.513 ₫ Thêm vào giỏ hàng Thêm vào danh sách so sánh Danh sách yêu thích tùy chỉnh được Thêm vào danh sách yêu thích