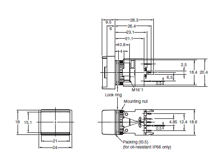
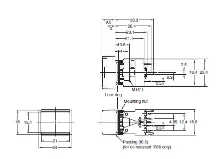
Công tắc nút nhấn Omron A16L-JAM-5D-2P Công tắc nút nhấn Omron A16L-JAM-5D-2P Pushbutton Switch (Cylindrical 16-dia.) Lighted LED (5 VDC) Rectangular 2-way guard Blue Momentary DPDT PCB terminal IP40 Mua Ngay : nhà chế tạo: Omron SKU: A16L-JAM-5D-2P Ngày giao hàng: 1-3 days Giá cũ: 1.188 ₫ Giá bán: 990 ₫ Số lượng: Thêm vào giỏ hàng Giao đến Chọn quốc gia Vietnam Vietnam * Khác * Phương pháp vận chuyển Tên Ngày dự kiến giao hàng Giá bán Không có tùy chọn giao hàng nào Áp dụng Custom wishlist được Thêm vào danh sách yêu thích Thêm vào danh sách so sánh Thông Tin Sản Phẩm: A16L-JAM-5D-2P Thông Tin Kỹ Thuật cơ bản của : Công tắc nút nhấn Omron A16L-JGM-12D-1P Type Pushbutton Switch Shape Cylindrical type (16 mm dia.) Operating portion Rectangular 2-way guard Blue Lighted method Lighted (LED) Terminal PCB terminal Thông số kỹ thuật chi tiết sản phẩm: Công tắc nút nhấn Omron A16L-JGM-12D-1P TypePushbutton Switch ShapeCylindrical type (16 mm dia.)Lighted/Non-lightedLightedOperating portionShape of operating portionRectangular 2-way guardColor of operating portionBlueOperating functionMomentaryLoadGeneral load/Micro loadMinimum applicable load1 mA at 5 VDCLampMethod of lamp unitLEDLamp colorBlueRated voltage5 VDCOperating voltage5 VDC ±5%Rated current8 mAContact ratingContact formDPDTRatings (AC)Resistive load: 5 A at 125 VAC/3 A at 250 VACRatings (DC)Resistive load: 3 A at 30 VDCRatings explanationConditions: No vibration and no shock, Temperature 20±2 ℃, Operating frequency 20 operations/minTerminal specificationsPCB terminalPermissible operating frequencyElectrical: Max. 20 operations / 1 minuteMechanical: Max. 120 operations / 1 minuteInsulation resistance100 MΩ min. (at 500 VDC)Dielectric strengthBetween each terminal of the same polarities: 1000 VAC 50/60 Hz 1 minBetween each terminal of the different polarities: 2000 VAC 50/60 Hz 1 minBetween each terminaland ground: 2000 VAC 50/60 Hz 1 minBetween lamp terminals: 1000 VAC 50/60 Hz 1 min (with LED not mounted)Vibration resistanceMalfunction: 10 to 55 Hz, 1.5 mm double amplitude (malfunction: 1 ms max.)Shock resistanceDestruction: 500 m/s2 max.Malfunction: 150 m/s2 max. (malfunction time is 1 ms max.)Ambient temperature rangeOperating: -10 to 55 ℃ (with no freezing or condensation)Storage: -25 to 65 ℃ (with no freezing or condensation)Ambient humidity rangeOperating: 35 to 85 %Degree of protectionIP40Classification of protection against electric shockClass IIPTI (Tracking characteristic)175Pollution degree3 (IEC60947-5-1) Cam Kết Chất Lượng và Dịch Vụ Chúng tôi có hơn 35.000 sản phẩm vì vậy hãy liên hệ với chúng tôi Để được tư vấn và check tình trạng hàng bạn nhé! AUTO TECH VN cam kết: 1. Hàng Chính Hãng. 2. Xuất được Hóa đơn VAT. 3. Cấp CO/CQ đầy đủ. 4. Giá cạnh tranh. 5. Sản phẩm bảo hành theo chính sách của hãng.6. Miễn Phí hỗ trợ cài đặt và sử dụng thiết bị. Thông Tin Liên Hệ AUTO TECH VN - AUT.VN ĐT/ Zalo : 0968.053.025 Email: support@aut.vn Email2: sale@aut.vn Địa chỉ: 07 KĐT Flora Mizuki, Đường Số 1, Bình Hưng, Bình Chánh, Hồ Chí Minh Thẻ sản phẩm Công tắc nút nhấn (48137) , Pushbutton Switch Cylindrical 16-dia (54) , A16L-JAM-5D-2P (1)