Đồng hồ nhiệt Omron E5AC-QQ4ASM-011

Đồng hồ nhiệt  Omron E5AC-QQ4ASM-011 
Digital Temperature Controller 
96 x 96 mm 
Voltage output (for driving SSR)/Voltage output (for driving SSR) 
Auxiliary output: 4 
Power supply voltage: 100 to 240 VAC 
Universal inputs 
HB alarm and HS alarm: 1 
6 event inputs 
Remote SP input 
Transfer output 
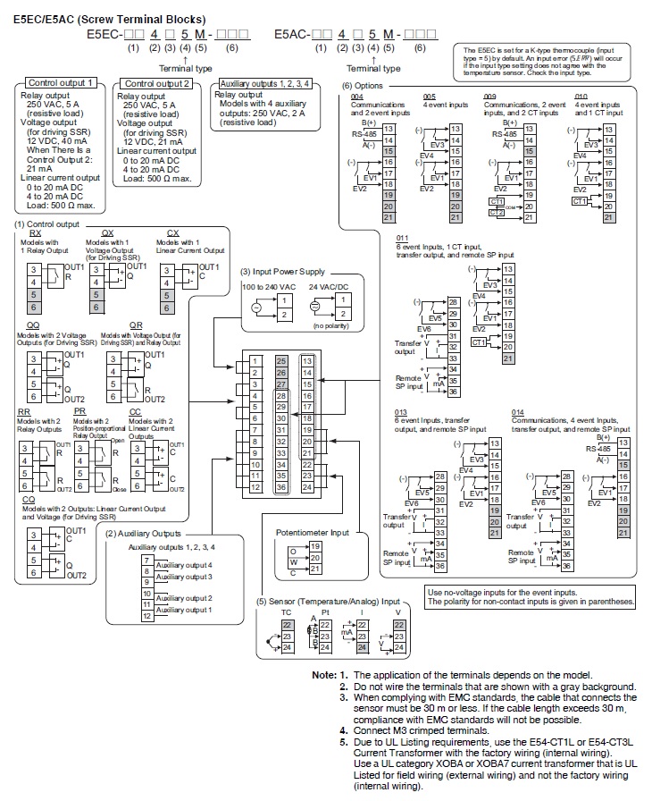
Screw terminal block model 

Mua Ngay : Zalo

nhà chế tạo: Omron
SKU: E5AC-QQ4ASM-011
Ngày giao hàng: 1-3 days
Giá cũ: 1.188 ₫
990 ₫
Giao đến
*
*
Phương pháp vận chuyển
Tên
Ngày dự kiến giao hàng
Giá bán
Không có tùy chọn giao hàng nào

Thông Tin Sản Phẩm: E5AC-QQ4ASM-011

Thông Tin Kỹ Thuật cơ bản của : Đồng hồ nhiệt Omron E5AC-QQ4ASM-012

Shape DIN 96 x 96
Terminal type Screw terminal block
Input type Thermocouple/Platinum resistance thermometer/Infrared Thermosensor/Analog input
Control output 1 Voltage output (for driving SSR)
Control output 2 Voltage output (for driving SSR)
Number of total auxiliary output 4 point
Power supply voltage 100 to 240 VAC (50/60 Hz)
Number of transfer output 1 point
Number of event input 6 point
Remote SP input Yes
Heater burnout /SSR failure detector 1 point

Thông số kỹ thuật chi tiết sản phẩm: Đồng hồ nhiệt Omron E5AC-QQ4ASM-012

Ratings
ShapeDIN 96 x 96
Fixed/ProgrammableFixed
Power supply voltage100 to 240 VAC (50/60 Hz)
Allowable voltage variable range85 to 110% of the power supply voltage
Power consumption9 VA max. (at 100 to 240 VAC)
InputNumber of input points1 point
Temperature inputThermocouple: K, J, T, E, L, U, N, R, S, B, C/W, PLIIPlatinum resistance thermometer: Pt100, JPt100Infrared Thermosensor: 10 to 70 ℃, 60 to 120 ℃, 115 to 165 ℃, 140 to 260 ℃
Analog input4 to 20 mA, 0 to 20 mA, 1 to 5 V, 0 to 5 V, 0 to 10 V
Input impedanceCurrent input: 150 Ω max., voltage input: 1 MΩ min. (Applicable when connecting 1:1 to ES2-HB-N/THB-N.)
Control methodON/OFF or 2-PID control with auto-tuning
Control outputNumber of total control output2 point
Control output 1Voltage output (for driving SSR)
Control output 2Voltage output (for driving SSR)
Voltage output (for driving SSR)2 point12 VDC±20%, Maximum load current: 21 mA, PNP, with short-circuit protection circuit
Auxiliary outputNumber of total auxiliary output4 point
Relay outputSPST-NO, 250 VAC, 2 A (resistive load), electrical life: 100,000 operations (minimum applicable load: 5 V, 10 mA)
Event input6 pointContact input: ON: 1 kΩ max., OFF: 100 kΩ min.No-contact input: ON: Residual voltage 1.5 V max., OFF: Leakage current 0.1 mA max.Current flow: Approx. 7 mA per point
Transfer output1 pointCurrent output: 4 to 20 mA DC (Load: 500 Ω max., Resolution: approx. 10000)Linear voltage output: 1 to 5 VDC (Load: 1 kΩ min., Resolution: approx. 10000)Accuracy: ±0.3% FS max.
Remote SP inputCurrent input: 4 to 20 mA DC, 0 to 20 mA DC (Input Impedance 150 Ω max.)Voltage input: 1 to 5 VDC, 0 to 5 VDC, 0 to 10 VDC (Input Impedance 1 MΩ min.)Accuracy: ±0.2% FS ±1 digit max.
Setting methodDigital setting using front panel keys
Indication method11-segment digital display and individual indicators
Multi SP functionsUp to eight set points (SP0 to SP7) can be saved and selected using the event inputs, or key operations.
Sampling period50 ms
HysteresisTemperature input: 0.1 to 999.9 ℃ or °F (in units of 0.1 ℃ or °F)Analog input: 0.01 to 99.99% FS (in units of 0.01% FS)
Proportional bandTemperature input: 0.1 to 999.9 ℃ or °F (in units of 0.1 ℃ or °F)Analog input: 0.1% to 999.9% FS (in units of 0.1% FS)
Integral time0 to 9999 s (in units of 1 s), 0.0 to 999.9 s (in units of 0.1 s)
Derivative time0 to 9999 s (in units of 1 s), 0.0 to 999.9 s (in units of 0.1 s)
for coolingProportional band (P)Temperature input: 0.1 to 999.9 ℃ or °F (in units of 0.1 ℃ or °F)Analog input: 0.1% to 999.9% FS (in units of 0.1% FS)
Integral time (I)0 to 9999 s (in units of 1 s), 0.0 to 999.9 s (in units of 0.1 s)
Derivative time (D)0 to 9999 s (in units of 1 s), 0.0 to 999.9 s (in units of 0.1 s)
Control period0.1 s, 0.2 s, 0.5 s, 1 to 99 s (in units of 1 s)
Manual reset value0.0 to 100.0% (in units of 0.1%)
Insulation resistance20 MΩ min. (at 500 VDC)
Dielectric strength3,000 VAC 50/60 Hz 1 min (Between current-carrying terminals of different polarity)
Vibration resistanceDestruction: 10 to 55 Hz, 20 m/s2 for 2 h each in X, Y, and Z directionsMalfunction: 10 to 55 Hz, 20 m/s2 for 10 min each in X, Y, and Z directions
Shock resistanceDestruction: 300 m/s2, 3 times each in X, Y, and Z directionsMalfunction: 100 m/s2, 3 times each in X, Y, and Z directions
Ambient temperature (Operating)-10 to 55 ℃ (with no freezing or condensation)For 3-year warranty with standard mounting: -10 to 50 ℃ (with no freezing or condensation)
Ambient temperature (Storage)-25 to 65 ℃ (with no freezing or condensation)
Ambient humidity (Operating)25 to 85 %
Altitude2000 m max.
Degree of protectionFront panel: IP66, Rear case: IP20, Terminal section: IP00
Memory protectionNon-volatile memory (number of writes: 1,000,000)
Case colorBlack
Terminal typeScrew terminal block
AccessoriesMounting adapter, Waterproof packing, Front Port Cover
WeightMain Unit: Approx. 250 gAdapter: Approx. 4 g x 2
Sold separatelyUSB Serial Conversion Cable: E58-CIFQ2Communications Conversion Cable: E58-CIFQ2-ETerminal Cover: E53-COV24Waterproof packing: Y92S-P10Waterproof Cover: Y92A-96NFront Port Cover: Y92S-P7Adapter: Y92F-51CX-Thermo Support Software: EST2-2C-MV4Current Transformer (CT): E54-CT1/E54-CT1L/E54-CT3/E54-CT3L

 

Cam Kết Chất Lượng và Dịch Vụ

Chúng tôi có hơn 35.000 sản phẩm vì vậy hãy liên hệ với chúng tôi 
Để được tư vấn và check tình trạng hàng bạn nhé!
AUTO TECH VN cam kết:
1. Hàng Chính Hãng.
2. Xuất được Hóa đơn VAT.
3. Cấp CO/CQ đầy đủ.
4. Giá cạnh tranh.
5. Sản phẩm bảo hành theo chính sách của hãng.
6. Miễn Phí hỗ trợ cài đặt và sử dụng thiết bị.

Thông Tin Liên Hệ

AUTO TECH VN - AUT.VN 
ĐT/ Zalo : 0968.053.025
Email: support@aut.vn Email2: sale@aut.vn
Địa chỉ: 07 KĐT Flora Mizuki, Đường Số 1, Bình Hưng, Bình Chánh, Hồ Chí Minh

chỉ có thành viên mới được trả lời