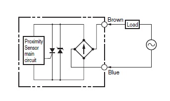
Cảm biến tiệm cận Omron E2E2-X2Y1 2M Kích cỡ: M12Ngõ ra: 2 dây ACChiều dài cáp: 2mChế độ hoạt động: NONguồn cấp: 24...240VACKiểu đấu nối: Dây liềnLoại chống nhiễu: ShieldedKhoảng cách phát hiện: 2mm nhà chế tạo: Omron SKU: E2E2-X2Y1 2M Tải xuống mẫu Giá cũ: 1.900.444 ₫ Giá bán: 1.583.703 ₫ Số lượng: Thêm vào giỏ hàng Danh sách yêu thích tùy chỉnh được Thêm vào danh sách yêu thích Thêm vào danh sách so sánh Gửi email cho một người bạn Thông tin chi tiết của: Cảm biến tiệm cận Omron E2E2-X2Y1 2M Thông số kỹ thuật cơ bản của: E2E2-X2Y1 2M Sensing head size M12 Type Cylinder type (with screw), Shielded Power source AC 2-wire models Sensing distance 2 mm ±10% Setting distance 0 to 1.6 mm Operation mode NO Thông số kỹ thuật chi tiết của: E2E2-X2Y1 2M ModelE2E2-X2Y1 2MSensing head sizeM12TypeCylinder type (with screw), ShieldedPower sourceAC 2-wire modelsSensing distance2 mm ±10%Setting distance0 to 1.6 mmDifferential distance10% max. of sensing distanceSensing objectFerrous metal (Sensitivity lowers with non-ferrous metals.)Standard sensing objectIron 12 x 12 x 1 mmResponse frequency25 Hz (Average value)Power supply voltage24 to 240 VACOperating voltage range20 to 264 VACLeakage current1.7 mA max.Control output (Switching capacity)5 to 200 mAIndicatorOperation indicator (red)Operation modeNOAmbient temperature (Operating)-40 to 85 ℃Ambient temperature (Storage)-40 to 85 ℃Ambient humidity (Operating)35 to 95 %Ambient humidity (Storage)35 to 95 %Temperature influence±10% max. of sensing distance at 23 ℃ in the temperature range of -25 to 70 ℃±15% max. of sensing distance at 23 ℃ in the temperature range of -40 to 85 ℃Voltage influence±1% max. of sensing distance at rated voltage in the rated voltage ±15% rangeInsulation resistanceBetween charged parts and the case: 50 MΩ min. at 500 VDCDielectric strengthBetween charged parts and the case: 4,000 VAC 50/60 Hz 1 minVibration resistanceDestruction: 10 to 55 Hz, 1.5 mm double amplitude each in X, Y, and Z directions for 2 hShock resistanceDestruction: 1000 m/s2 10 times each in X, Y, and Z directionsDegree of protectionIEC: IP67Company standard: Oil-proofConnection methodPre-wired models (2 m)WeightPackage: Approx. 65 gMaterialCase: BrassSensing surface: Polybutylene terephthalate (PBT)Clamping nuts: Brass nickel platingToothed washers: Iron zinc platingAccessoriesInstruction manual Cam Kết Chất Lượng và Dịch Vụ Chúng tôi có hơn 35.000 sản phẩm vì vậy hãy liên hệ với chúng tôi Để được tư vấn và check tình trạng hàng bạn nhé! AUTO TECH VN cam kết: 1. Hàng Chính Hãng. 2. Xuất được Hóa đơn VAT. 3. Cấp CO/CQ đầy đủ. 4. Giá cạnh tranh. 5. Sản phẩm bảo hành theo chính sách của hãng.6. Miễn Phí hỗ trợ cài đặt và sử dụng thiết bị. Thông Tin Liên Hệ Mua Hàng AUTO TECH VN - AUT.VN ĐT/ Zalo : 0968.053.025 Email: support@aut.vn Email2: sale@aut.vn Địa chỉ: 07 KĐT Flora Mizuki, Đường Số 1, Bình Hưng, Bình Chánh, Hồ Chí Minh Thẻ sản phẩm Cảm biến tiệm cận (8626) , Omron (49476) , Sensors (1856) , Proximity Sensors (106) , Others (85) , E2E2 (18) Những sản phẩm liên quan Cảm biến tiệm cận Omron E2E2-X2Y2 2M Kích cỡ: M12Ngõ ra: 2 dây ACChiều dài cáp: 2mChế độ hoạt động: NCNguồn cấp: 24...240VACKiểu đấu nối: Dây liềnLoại chống nhiễu: ShieldedKhoảng cách phát hiện: 2mm 1.804.097 ₫ 1.503.414 ₫ Thêm vào giỏ hàng Thêm vào danh sách so sánh Danh sách yêu thích tùy chỉnh được Thêm vào danh sách yêu thích Cảm biến tiệm cận Omron E2E2-X2Y1 5M Kích cỡ: M12Ngõ ra: 2 dây ACChiều dài cáp: 5mChế độ hoạt động: NONguồn cấp: 24...240VACKiểu đấu nối: Dây liềnLoại chống nhiễu: ShieldedKhoảng cách phát hiện: 2mm 2.025.659 ₫ 1.688.049 ₫ Thêm vào giỏ hàng Thêm vào danh sách so sánh Danh sách yêu thích tùy chỉnh được Thêm vào danh sách yêu thích Cảm biến tiệm cận Omron E2ER-X3D1-M1TGJ 0.3M Kích cỡ: M12Ngõ ra: 2 dây DCChiều dài cáp: 0.3mChế độ hoạt động: NONguồn cấp: 10...30VDCLoại chống nhiễu: ShieldedKhoảng cách phát hiện: 3mmKiểu đấu nối: Dây có giắc cắm 2.848.955 ₫ Thêm vào giỏ hàng Thêm vào danh sách so sánh Danh sách yêu thích tùy chỉnh được Thêm vào danh sách yêu thích Cảm biến tiệm cận Omron E2ER-X3D2-M1TGJ 0.3M Kích cỡ: M12Ngõ ra: 2 dây DCChiều dài cáp: 0.3mChế độ hoạt động: NCNguồn cấp: 10...30VDCLoại chống nhiễu: ShieldedKhoảng cách phát hiện: 3mmKiểu đấu nối: Dây có giắc cắm 2.951.365 ₫ Thêm vào giỏ hàng Thêm vào danh sách so sánh Danh sách yêu thích tùy chỉnh được Thêm vào danh sách yêu thích Cảm biến tiệm cận Omron E2ER-X3D2 2M Kích cỡ: M12Ngõ ra: 2 dây DCChiều dài cáp: 2mChế độ hoạt động: NCNguồn cấp: 10...30VDCKiểu đấu nối: Dây liềnLoại chống nhiễu: ShieldedKhoảng cách phát hiện: 3mm 3.169.200 ₫ Thêm vào giỏ hàng Thêm vào danh sách so sánh Danh sách yêu thích tùy chỉnh được Thêm vào danh sách yêu thích Cảm biến tiệm cận Omron E2ER-X3D1 2M Kích cỡ: M12Ngõ ra: 2 dây DCChiều dài cáp: 2mChế độ hoạt động: NONguồn cấp: 10...30VDCKiểu đấu nối: Dây liềnLoại chống nhiễu: ShieldedKhoảng cách phát hiện: 3mm 3.438.810 ₫ Thêm vào giỏ hàng Thêm vào danh sách so sánh Danh sách yêu thích tùy chỉnh được Thêm vào danh sách yêu thích Cảm biến tiệm cận Omron E2ER-X3D2 5M Kích cỡ: M12Ngõ ra: 2 dây DCChiều dài cáp: 5mChế độ hoạt động: NCNguồn cấp: 10...30VDCKiểu đấu nối: Dây liềnLoại chống nhiễu: ShieldedKhoảng cách phát hiện: 3mm 3.593.945 ₫ Thêm vào giỏ hàng Thêm vào danh sách so sánh Danh sách yêu thích tùy chỉnh được Thêm vào danh sách yêu thích Cảm biến tiệm cận Omron E2ER-X3D1 5M Kích cỡ: M12Ngõ ra: 2 dây DCChiều dài cáp: 5mChế độ hoạt động: NONguồn cấp: 10...30VDCKiểu đấu nối: Dây liềnLoại chống nhiễu: ShieldedKhoảng cách phát hiện: 3mm 3.750.220 ₫ Thêm vào giỏ hàng Thêm vào danh sách so sánh Danh sách yêu thích tùy chỉnh được Thêm vào danh sách yêu thích
Cảm biến tiệm cận Omron E2E2-X2Y2 2M Kích cỡ: M12Ngõ ra: 2 dây ACChiều dài cáp: 2mChế độ hoạt động: NCNguồn cấp: 24...240VACKiểu đấu nối: Dây liềnLoại chống nhiễu: ShieldedKhoảng cách phát hiện: 2mm 1.804.097 ₫ 1.503.414 ₫ Thêm vào giỏ hàng Thêm vào danh sách so sánh Danh sách yêu thích tùy chỉnh được Thêm vào danh sách yêu thích
Cảm biến tiệm cận Omron E2E2-X2Y1 5M Kích cỡ: M12Ngõ ra: 2 dây ACChiều dài cáp: 5mChế độ hoạt động: NONguồn cấp: 24...240VACKiểu đấu nối: Dây liềnLoại chống nhiễu: ShieldedKhoảng cách phát hiện: 2mm 2.025.659 ₫ 1.688.049 ₫ Thêm vào giỏ hàng Thêm vào danh sách so sánh Danh sách yêu thích tùy chỉnh được Thêm vào danh sách yêu thích
Cảm biến tiệm cận Omron E2ER-X3D1-M1TGJ 0.3M Kích cỡ: M12Ngõ ra: 2 dây DCChiều dài cáp: 0.3mChế độ hoạt động: NONguồn cấp: 10...30VDCLoại chống nhiễu: ShieldedKhoảng cách phát hiện: 3mmKiểu đấu nối: Dây có giắc cắm 2.848.955 ₫ Thêm vào giỏ hàng Thêm vào danh sách so sánh Danh sách yêu thích tùy chỉnh được Thêm vào danh sách yêu thích
Cảm biến tiệm cận Omron E2ER-X3D2-M1TGJ 0.3M Kích cỡ: M12Ngõ ra: 2 dây DCChiều dài cáp: 0.3mChế độ hoạt động: NCNguồn cấp: 10...30VDCLoại chống nhiễu: ShieldedKhoảng cách phát hiện: 3mmKiểu đấu nối: Dây có giắc cắm 2.951.365 ₫ Thêm vào giỏ hàng Thêm vào danh sách so sánh Danh sách yêu thích tùy chỉnh được Thêm vào danh sách yêu thích
Cảm biến tiệm cận Omron E2ER-X3D2 2M Kích cỡ: M12Ngõ ra: 2 dây DCChiều dài cáp: 2mChế độ hoạt động: NCNguồn cấp: 10...30VDCKiểu đấu nối: Dây liềnLoại chống nhiễu: ShieldedKhoảng cách phát hiện: 3mm 3.169.200 ₫ Thêm vào giỏ hàng Thêm vào danh sách so sánh Danh sách yêu thích tùy chỉnh được Thêm vào danh sách yêu thích
Cảm biến tiệm cận Omron E2ER-X3D1 2M Kích cỡ: M12Ngõ ra: 2 dây DCChiều dài cáp: 2mChế độ hoạt động: NONguồn cấp: 10...30VDCKiểu đấu nối: Dây liềnLoại chống nhiễu: ShieldedKhoảng cách phát hiện: 3mm 3.438.810 ₫ Thêm vào giỏ hàng Thêm vào danh sách so sánh Danh sách yêu thích tùy chỉnh được Thêm vào danh sách yêu thích
Cảm biến tiệm cận Omron E2ER-X3D2 5M Kích cỡ: M12Ngõ ra: 2 dây DCChiều dài cáp: 5mChế độ hoạt động: NCNguồn cấp: 10...30VDCKiểu đấu nối: Dây liềnLoại chống nhiễu: ShieldedKhoảng cách phát hiện: 3mm 3.593.945 ₫ Thêm vào giỏ hàng Thêm vào danh sách so sánh Danh sách yêu thích tùy chỉnh được Thêm vào danh sách yêu thích
Cảm biến tiệm cận Omron E2ER-X3D1 5M Kích cỡ: M12Ngõ ra: 2 dây DCChiều dài cáp: 5mChế độ hoạt động: NONguồn cấp: 10...30VDCKiểu đấu nối: Dây liềnLoại chống nhiễu: ShieldedKhoảng cách phát hiện: 3mm 3.750.220 ₫ Thêm vào giỏ hàng Thêm vào danh sách so sánh Danh sách yêu thích tùy chỉnh được Thêm vào danh sách yêu thích