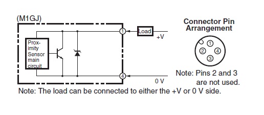
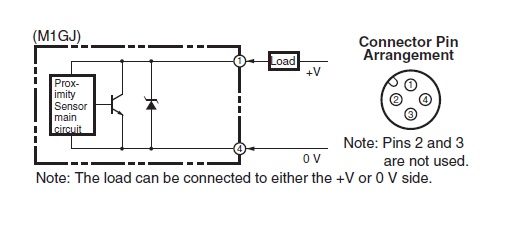
Cảm biến tiệm cận Omron E2EZ-X2D1-M1GJ 0.3M Kích cỡ: M12Ngõ ra: 2 dây DCChiều dài cáp: 0.3mChế độ hoạt động: NONguồn cấp: 12...24VDCLoại chống nhiễu: ShieldedKhoảng cách phát hiện: 2mmKiểu đấu nối: Dây có giắc cắm nhà chế tạo: Omron SKU: E2EZ-X2D1-M1GJ 0.3M Tải xuống mẫu Giá cũ: 3.385.206 ₫ Giá bán: 2.821.005 ₫ Số lượng: Thêm vào giỏ hàng Danh sách yêu thích tùy chỉnh được Thêm vào danh sách yêu thích Thêm vào danh sách so sánh Gửi email cho một người bạn Thông tin chi tiết của: Cảm biến tiệm cận Omron E2EZ-X2D1-M1GJ 0.3M Thông số kỹ thuật cơ bản của: E2EZ-X2D1-M1GJ 0.3M Sensing head size M12 Type Cylinder type (with screw), Shielded Power source DC 2-wire models Sensing distance 2 mm ±10% Setting distance 0 to 1.6 mm Operation mode NO Thông số kỹ thuật chi tiết của: E2EZ-X2D1-M1GJ 0.3M ModelE2EZ-X2D1-M1GJ 0.3MSensing head sizeM12TypeCylinder type (with screw), ShieldedPower sourceDC 2-wire modelsSensing distance2 mm ±10%Setting distance0 to 1.6 mmDifferential distance20% max. of sensing distanceSensing objectFerrous metal (Sensitivity lowers with non-ferrous metals.)Standard sensing objectIron 12 x 12 x 1 mmResponse frequency200 Hz (Average value)Power supply voltage12 to 24 VDC ripple (p-p) 10% max.Operating voltage range10 to 30 VDCLeakage current0.8 mA max.Control output (Switching capacity)3 to 100 mAControl output (Residual voltage)3 V max. (Load current 100 mA with cable length of 2 m)IndicatorOperation indicator (red), Operation setting indicator (green)Operation modeNOPolarityPolarityProtective circuitOutput short-cut protectionSurge suppressorAmbient temperature (Operating)0 to 50 ℃Ambient temperature (Storage)0 to 50 ℃Ambient humidity (Operating)35 to 95 %Ambient humidity (Storage)35 to 95 %Temperature influence±20% max. of sensing distance at 23 ℃ in the temperature range of 0 to 50 ℃Voltage influence±2.5% max. of sensing distance at rated voltage in the rated voltage ±10% rangeInsulation resistanceBetween charged parts and the case: 50 MΩ min. at 500 VDCDielectric strengthBetween charged parts and the case: 1,000 VAC 50/60 Hz 1 minVibration resistanceDestruction: 10 to 55 Hz, 1.5 mm double amplitude each in X, Y, and Z directions for 2 hShock resistanceDestruction: 1000 m/s2 10 times each in X, Y, and Z directionsDegree of protectionIEC: IP67Company standard: Oil-proofConnection methodPre-wired M12 connector models (1-4 pin arrangement) (0.3 m)WeightPackage: Approx. 40 gMaterialCase: Brass nickel platingSensing surface: Polybutylene terephthalate (PBT)Clamping nuts: Iron zinc platingToothed washers: Iron zinc platingAccessoriesInstruction manual Cam Kết Chất Lượng và Dịch Vụ Chúng tôi có hơn 35.000 sản phẩm vì vậy hãy liên hệ với chúng tôi Để được tư vấn và check tình trạng hàng bạn nhé! AUTO TECH VN cam kết: 1. Hàng Chính Hãng. 2. Xuất được Hóa đơn VAT. 3. Cấp CO/CQ đầy đủ. 4. Giá cạnh tranh. 5. Sản phẩm bảo hành theo chính sách của hãng.6. Miễn Phí hỗ trợ cài đặt và sử dụng thiết bị. Thông Tin Liên Hệ Mua Hàng AUTO TECH VN - AUT.VN ĐT/ Zalo : 0968.053.025 Email: support@aut.vn Email2: sale@aut.vn Địa chỉ: 07 KĐT Flora Mizuki, Đường Số 1, Bình Hưng, Bình Chánh, Hồ Chí Minh Thẻ sản phẩm Cảm biến tiệm cận (8626) , Omron (49476) , Sensors (1856) , Proximity Sensors (106) , Cylindrical (390) , E2EZ (16) Những sản phẩm liên quan Cable cho cảm biến Omron XS2F-D422-DA0-F 2mLoại cực: FemaleSố cực ở đầu nối: 4Giắc cắm M12 - Dây dẫnHình dạng đầu nối: Ổ cắm 90° 246.240 ₫ Thêm vào giỏ hàng Thêm vào danh sách so sánh Danh sách yêu thích tùy chỉnh được Thêm vào danh sách yêu thích Cable cho cảm biến Omron XS2F-D422-GA0-F 5mLoại cực: FemaleSố cực ở đầu nối: 4Giắc cắm M12 - Dây dẫnHình dạng đầu nối: Ổ cắm 90° 373.920 ₫ Thêm vào giỏ hàng Thêm vào danh sách so sánh Danh sách yêu thích tùy chỉnh được Thêm vào danh sách yêu thích Cable cho cảm biến Omron XS2F-D421-DA0-F 2mLoại cực: FemaleSố cực ở đầu nối: 4Giắc cắm M12 - Dây dẫnHình dạng đầu nối: Ổ cắm thẳng 401.565 ₫ Thêm vào giỏ hàng Thêm vào danh sách so sánh Danh sách yêu thích tùy chỉnh được Thêm vào danh sách yêu thích Cable cho cảm biến Omron XS2F-D421-GA0-F 5mLoại cực: FemaleSố cực ở đầu nối: 4Giắc cắm M12 - Dây dẫnHình dạng đầu nối: Ổ cắm thẳng 441.465 ₫ Thêm vào giỏ hàng Thêm vào danh sách so sánh Danh sách yêu thích tùy chỉnh được Thêm vào danh sách yêu thích Cảm biến tiệm cận Omron E2EZ-X2D2-M1GJ 0.3M Kích cỡ: M12Ngõ ra: 2 dây DCChiều dài cáp: 0.3mChế độ hoạt động: NCNguồn cấp: 12...24VDCLoại chống nhiễu: ShieldedKhoảng cách phát hiện: 2mmKiểu đấu nối: Dây có giắc cắm 2.663.040 ₫ Thêm vào giỏ hàng Thêm vào danh sách so sánh Danh sách yêu thích tùy chỉnh được Thêm vào danh sách yêu thích Cảm biến tiệm cận Omron E2EZ-X2D1-M1GJ 1M Kích cỡ: M12Ngõ ra: 2 dây DCChiều dài cáp: 1mChế độ hoạt động: NONguồn cấp: 12...24VDCLoại chống nhiễu: ShieldedKhoảng cách phát hiện: 2mmKiểu đấu nối: Dây có giắc cắm 3.272.655 ₫ Thêm vào giỏ hàng Thêm vào danh sách so sánh Danh sách yêu thích tùy chỉnh được Thêm vào danh sách yêu thích Cảm biến tiệm cận Omron E2EZ-X2D2-M1GJ 1M Kích cỡ: M12Ngõ ra: 2 dây DCChiều dài cáp: 1mChế độ hoạt động: NCNguồn cấp: 12...24VDCLoại chống nhiễu: ShieldedKhoảng cách phát hiện: 2mmKiểu đấu nối: Dây có giắc cắm 3.272.655 ₫ Thêm vào giỏ hàng Thêm vào danh sách so sánh Danh sách yêu thích tùy chỉnh được Thêm vào danh sách yêu thích Cảm biến tiệm cận Omron E2EZ-X8D1-M1GJ 0.3M(NEW) Kích cỡ: M30Ngõ ra: 2 dây DCChiều dài cáp: 0.3mChế độ hoạt động: NONguồn cấp: 12...24VDCLoại chống nhiễu: ShieldedKhoảng cách phát hiện: 8mmKiểu đấu nối: Dây có giắc cắm 2.451.760 ₫ Thêm vào giỏ hàng Thêm vào danh sách so sánh Danh sách yêu thích tùy chỉnh được Thêm vào danh sách yêu thích Cảm biến tiệm cận Omron E2EZ-X4D1-M1GJ 0.3M(NEW) Kích cỡ: M18Ngõ ra: 2 dây DCChiều dài cáp: 0.3mChế độ hoạt động: NONguồn cấp: 12...24VDCLoại chống nhiễu: ShieldedKhoảng cách phát hiện: 4mmKiểu đấu nối: Dây có giắc cắm 2.595.875 ₫ Thêm vào giỏ hàng Thêm vào danh sách so sánh Danh sách yêu thích tùy chỉnh được Thêm vào danh sách yêu thích Cảm biến tiệm cận Omron E2EZ-X4D1-M1GJ 1M(NEW) Kích cỡ: M18Ngõ ra: 2 dây DCChiều dài cáp: 1mChế độ hoạt động: NONguồn cấp: 12...24VDCLoại chống nhiễu: ShieldedKhoảng cách phát hiện: 4mmKiểu đấu nối: Dây có giắc cắm 2.807.155 ₫ Thêm vào giỏ hàng Thêm vào danh sách so sánh Danh sách yêu thích tùy chỉnh được Thêm vào danh sách yêu thích Cảm biến tiệm cận Omron E2EZ-X4D2-M1GJ 0.3M Kích cỡ: M18Ngõ ra: 2 dây DCChiều dài cáp: 0.3mChế độ hoạt động: NCNguồn cấp: 12...24VDCLoại chống nhiễu: ShieldedKhoảng cách phát hiện: 4mmKiểu đấu nối: Dây có giắc cắm 2.840.215 ₫ Thêm vào giỏ hàng Thêm vào danh sách so sánh Danh sách yêu thích tùy chỉnh được Thêm vào danh sách yêu thích Cảm biến tiệm cận Omron E2EQ-X3D1-M1GJ 1M Kích cỡ: M12Ngõ ra: 2 dây DCChiều dài cáp: 1mChế độ hoạt động: NONguồn cấp: 12...24VDCLoại chống nhiễu: ShieldedKhoảng cách phát hiện: 3mmKiểu đấu nối: Dây có giắc cắm 3.996.194 ₫ 3.330.162 ₫ Thêm vào giỏ hàng Thêm vào danh sách so sánh Danh sách yêu thích tùy chỉnh được Thêm vào danh sách yêu thích
Cable cho cảm biến Omron XS2F-D422-DA0-F 2mLoại cực: FemaleSố cực ở đầu nối: 4Giắc cắm M12 - Dây dẫnHình dạng đầu nối: Ổ cắm 90° 246.240 ₫ Thêm vào giỏ hàng Thêm vào danh sách so sánh Danh sách yêu thích tùy chỉnh được Thêm vào danh sách yêu thích
Cable cho cảm biến Omron XS2F-D422-GA0-F 5mLoại cực: FemaleSố cực ở đầu nối: 4Giắc cắm M12 - Dây dẫnHình dạng đầu nối: Ổ cắm 90° 373.920 ₫ Thêm vào giỏ hàng Thêm vào danh sách so sánh Danh sách yêu thích tùy chỉnh được Thêm vào danh sách yêu thích
Cable cho cảm biến Omron XS2F-D421-DA0-F 2mLoại cực: FemaleSố cực ở đầu nối: 4Giắc cắm M12 - Dây dẫnHình dạng đầu nối: Ổ cắm thẳng 401.565 ₫ Thêm vào giỏ hàng Thêm vào danh sách so sánh Danh sách yêu thích tùy chỉnh được Thêm vào danh sách yêu thích
Cable cho cảm biến Omron XS2F-D421-GA0-F 5mLoại cực: FemaleSố cực ở đầu nối: 4Giắc cắm M12 - Dây dẫnHình dạng đầu nối: Ổ cắm thẳng 441.465 ₫ Thêm vào giỏ hàng Thêm vào danh sách so sánh Danh sách yêu thích tùy chỉnh được Thêm vào danh sách yêu thích
Cảm biến tiệm cận Omron E2EZ-X2D2-M1GJ 0.3M Kích cỡ: M12Ngõ ra: 2 dây DCChiều dài cáp: 0.3mChế độ hoạt động: NCNguồn cấp: 12...24VDCLoại chống nhiễu: ShieldedKhoảng cách phát hiện: 2mmKiểu đấu nối: Dây có giắc cắm 2.663.040 ₫ Thêm vào giỏ hàng Thêm vào danh sách so sánh Danh sách yêu thích tùy chỉnh được Thêm vào danh sách yêu thích
Cảm biến tiệm cận Omron E2EZ-X2D1-M1GJ 1M Kích cỡ: M12Ngõ ra: 2 dây DCChiều dài cáp: 1mChế độ hoạt động: NONguồn cấp: 12...24VDCLoại chống nhiễu: ShieldedKhoảng cách phát hiện: 2mmKiểu đấu nối: Dây có giắc cắm 3.272.655 ₫ Thêm vào giỏ hàng Thêm vào danh sách so sánh Danh sách yêu thích tùy chỉnh được Thêm vào danh sách yêu thích
Cảm biến tiệm cận Omron E2EZ-X2D2-M1GJ 1M Kích cỡ: M12Ngõ ra: 2 dây DCChiều dài cáp: 1mChế độ hoạt động: NCNguồn cấp: 12...24VDCLoại chống nhiễu: ShieldedKhoảng cách phát hiện: 2mmKiểu đấu nối: Dây có giắc cắm 3.272.655 ₫ Thêm vào giỏ hàng Thêm vào danh sách so sánh Danh sách yêu thích tùy chỉnh được Thêm vào danh sách yêu thích
Cảm biến tiệm cận Omron E2EZ-X8D1-M1GJ 0.3M(NEW) Kích cỡ: M30Ngõ ra: 2 dây DCChiều dài cáp: 0.3mChế độ hoạt động: NONguồn cấp: 12...24VDCLoại chống nhiễu: ShieldedKhoảng cách phát hiện: 8mmKiểu đấu nối: Dây có giắc cắm 2.451.760 ₫ Thêm vào giỏ hàng Thêm vào danh sách so sánh Danh sách yêu thích tùy chỉnh được Thêm vào danh sách yêu thích
Cảm biến tiệm cận Omron E2EZ-X4D1-M1GJ 0.3M(NEW) Kích cỡ: M18Ngõ ra: 2 dây DCChiều dài cáp: 0.3mChế độ hoạt động: NONguồn cấp: 12...24VDCLoại chống nhiễu: ShieldedKhoảng cách phát hiện: 4mmKiểu đấu nối: Dây có giắc cắm 2.595.875 ₫ Thêm vào giỏ hàng Thêm vào danh sách so sánh Danh sách yêu thích tùy chỉnh được Thêm vào danh sách yêu thích
Cảm biến tiệm cận Omron E2EZ-X4D1-M1GJ 1M(NEW) Kích cỡ: M18Ngõ ra: 2 dây DCChiều dài cáp: 1mChế độ hoạt động: NONguồn cấp: 12...24VDCLoại chống nhiễu: ShieldedKhoảng cách phát hiện: 4mmKiểu đấu nối: Dây có giắc cắm 2.807.155 ₫ Thêm vào giỏ hàng Thêm vào danh sách so sánh Danh sách yêu thích tùy chỉnh được Thêm vào danh sách yêu thích
Cảm biến tiệm cận Omron E2EZ-X4D2-M1GJ 0.3M Kích cỡ: M18Ngõ ra: 2 dây DCChiều dài cáp: 0.3mChế độ hoạt động: NCNguồn cấp: 12...24VDCLoại chống nhiễu: ShieldedKhoảng cách phát hiện: 4mmKiểu đấu nối: Dây có giắc cắm 2.840.215 ₫ Thêm vào giỏ hàng Thêm vào danh sách so sánh Danh sách yêu thích tùy chỉnh được Thêm vào danh sách yêu thích
Cảm biến tiệm cận Omron E2EQ-X3D1-M1GJ 1M Kích cỡ: M12Ngõ ra: 2 dây DCChiều dài cáp: 1mChế độ hoạt động: NONguồn cấp: 12...24VDCLoại chống nhiễu: ShieldedKhoảng cách phát hiện: 3mmKiểu đấu nối: Dây có giắc cắm 3.996.194 ₫ 3.330.162 ₫ Thêm vào giỏ hàng Thêm vào danh sách so sánh Danh sách yêu thích tùy chỉnh được Thêm vào danh sách yêu thích