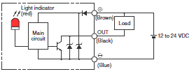
Cảm biến quang điện Omron EE-SPX613 1M 12...24VDCLoại đầu ra: NPNĐộ dày ống dẫn áp dụng: 1mmĐường kính ống dẫn áp dụng: 6...13mmVật liệu ống dẫn áp dụng: Nhựa FEP hoặc bất kỳ vật liệu nào khác trong suốt như FEP, nhà chế tạo: Omron SKU: EE-SPX613 1M Tải xuống mẫu Giá cũ: 1.774.991 ₫ Giá bán: 1.479.159 ₫ Số lượng: Thêm vào giỏ hàng Danh sách yêu thích tùy chỉnh được Thêm vào danh sách yêu thích Thêm vào danh sách so sánh Gửi email cho một người bạn Thông tin chi tiết của: Cảm biến quang điện Omron EE-SPX613 1M Thông số kỹ thuật cơ bản của: EE-SPX613 1M Type Tubemounting Sensing method Through-beam type Control output (Output type) NPN open collector output Operation mode Dark-ON/Light-ON (selectable) Connection method Pre-wired models Thông số kỹ thuật chi tiết của: EE-SPX613 1M ModelEE-SPX613 1MTypeTubemountingSensing methodThrough-beam typeOperation modeDark-ON/Light-ON (selectable)Applicable pipeAny 6 to 13 mm diameter pipe with a wall thickness of 1 mm that is made of FEP or any other material as transparent as FEP.Standard sensing objectLiquids in pipes (High-viscosity liquids or liquids with floating materials may not be detected.)Light source (Peak wavelength)GaAs infrared LED (940 nm)IndicatorLight indicator GaP (Red LED: Peak wavelength of 700 nm)Power supply voltage12 to 24 VDC ±10%ripple (p-p) 5 % max.Current consumptionAverage value: 30 mA max.Peak: 80 mA max.Control outputOutput typeNPN open collector outputLoad power supply voltage5 to 24 VDCLoad curren100 mA max.Residual voltageat 100 mA load current: 0.8 V max.at 40 mA load current: 0.4 V max.Illumination on the surface receiverIncandescent light, sunlight: 3000 lx max.Ambient temperatureOperating: -10 to 55 ℃ (with no freezing or condensation)Storage: -25 to 65 ℃ (with no freezing or condensation)Ambient humidityOperating: 5 to 85 % (with no condensation)Storage: 5 to 95 % (with no condensation)Vibration resistanceDestruction: 10 to 500 Hz, 1.0 mm single amplitude or acceleration 150 m/s2, 3 times each in X, Y, and Z directions (11 min/sweeps)Shock resistanceDestruction: 500 m/s2 for 3 times each in X, Y, and Z directionsDegree of protectionIP50Connection methodPre-wired modelsCable length1 mWeightPackage: Approx. 55 gMaterialCase: Polycarbonate (PC)Cover: Polycarbonate (PC)AccessoriesCable tie, slip protection tube, Instruction manual Cam Kết Chất Lượng và Dịch Vụ Chúng tôi có hơn 35.000 sản phẩm vì vậy hãy liên hệ với chúng tôi Để được tư vấn và check tình trạng hàng bạn nhé! AUTO TECH VN cam kết: 1. Hàng Chính Hãng. 2. Xuất được Hóa đơn VAT. 3. Cấp CO/CQ đầy đủ. 4. Giá cạnh tranh. 5. Sản phẩm bảo hành theo chính sách của hãng.6. Miễn Phí hỗ trợ cài đặt và sử dụng thiết bị. Thông Tin Liên Hệ Mua Hàng AUTO TECH VN - AUT.VN ĐT/ Zalo : 0968.053.025 Email: support@aut.vn Email2: sale@aut.vn Địa chỉ: 07 KĐT Flora Mizuki, Đường Số 1, Bình Hưng, Bình Chánh, Hồ Chí Minh Thẻ sản phẩm Cảm biến quang điện (2512) , Sensors (1856) , PhotomicroSensors (136) , ForSpecialApplications (3) , EE-SPX613 (3) Những sản phẩm liên quan Cảm biến quang điện Omron EE-SPX613 5M 12...24VDCLoại đầu ra: NPNĐộ dày ống dẫn áp dụng: 1mmĐường kính ống dẫn áp dụng: 6...13mmVật liệu ống dẫn áp dụng: Nhựa FEP hoặc bất kỳ vật liệu nào khác trong suốt như FEP, 1.719.975 ₫ Thêm vào giỏ hàng Thêm vào danh sách so sánh Danh sách yêu thích tùy chỉnh được Thêm vào danh sách yêu thích Cảm biến quang điện siêu nhỏ Omron EE-SPX613 3M 12...24VDCLoại đầu ra: NPNĐộ dày ống dẫn áp dụng: 1mmĐường kính ống dẫn áp dụng: 6...13mmVật liệu ống dẫn áp dụng: Nhựa FEP hoặc bất kỳ vật liệu nào khác trong suốt như FEP, 2.192.098 ₫ 1.826.748 ₫ Thêm vào giỏ hàng Thêm vào danh sách so sánh Danh sách yêu thích tùy chỉnh được Thêm vào danh sách yêu thích Cảm biến quang điện Autonics BL13-TDT-P 12...24VDCLoại đầu ra: PNPĐộ dày ống dẫn áp dụng: 1mmĐường kính ống dẫn áp dụng: 6...13mmVật liệu ống dẫn áp dụng: Nhựa FEP hoặc bất kỳ vật liệu nào khác trong suốt như FEP, 1.423.080 ₫ 1.274.400 ₫ Thêm vào giỏ hàng Thêm vào danh sách so sánh Danh sách yêu thích tùy chỉnh được Thêm vào danh sách yêu thích Cảm biến quang điện Omron E2K-L13MC1 2M 12...24VDCLoại đầu ra: NPNĐộ dày ống dẫn áp dụng: 1mmĐường kính ống dẫn áp dụng: 8...11mmVật liệu ống dẫn áp dụng: Nhựa FEP hoặc bất kỳ vật liệu nào khác trong suốt như FEP 3.772.260 ₫ Thêm vào giỏ hàng Thêm vào danh sách so sánh Danh sách yêu thích tùy chỉnh được Thêm vào danh sách yêu thích Cảm biến quang điện Omron E2K-L13MC2 2M 12...24VDCLoại đầu ra: NPNĐộ dày ống dẫn áp dụng: 1mmĐường kính ống dẫn áp dụng: 8...11mmVật liệu ống dẫn áp dụng: Nhựa FEP hoặc bất kỳ vật liệu nào khác trong suốt như FEP 3.794.205 ₫ Thêm vào giỏ hàng Thêm vào danh sách so sánh Danh sách yêu thích tùy chỉnh được Thêm vào danh sách yêu thích Cảm biến quang điện Omron E2K-L13MC1 5M 12...24VDCLoại đầu ra: NPNĐộ dày ống dẫn áp dụng: 1mmĐường kính ống dẫn áp dụng: 8...11mmVật liệu ống dẫn áp dụng: Nhựa FEP hoặc bất kỳ vật liệu nào khác trong suốt như FEP 3.927.395 ₫ Thêm vào giỏ hàng Thêm vào danh sách so sánh Danh sách yêu thích tùy chỉnh được Thêm vào danh sách yêu thích Cảm biến quang điện Omron E2K-L26MC1 2M 12...24VDCLoại đầu ra: NPNĐộ dày ống dẫn áp dụng: 1.5mmĐường kính ống dẫn áp dụng: 12...26mmVật liệu ống dẫn áp dụng: Nhựa FEP hoặc bất kỳ vật liệu nào khác trong suốt như FEP 2.976.350 ₫ Thêm vào giỏ hàng Thêm vào danh sách so sánh Danh sách yêu thích tùy chỉnh được Thêm vào danh sách yêu thích Cảm biến quang điện Omron E2K-L26MC2 2M 12...24VDCLoại đầu ra: NPNĐộ dày ống dẫn áp dụng: 1.5mmĐường kính ống dẫn áp dụng: 12...26mmVật liệu ống dẫn áp dụng: Nhựa FEP hoặc bất kỳ vật liệu nào khác trong suốt như FEP 3.628.050 ₫ Thêm vào giỏ hàng Thêm vào danh sách so sánh Danh sách yêu thích tùy chỉnh được Thêm vào danh sách yêu thích
Cảm biến quang điện Omron EE-SPX613 5M 12...24VDCLoại đầu ra: NPNĐộ dày ống dẫn áp dụng: 1mmĐường kính ống dẫn áp dụng: 6...13mmVật liệu ống dẫn áp dụng: Nhựa FEP hoặc bất kỳ vật liệu nào khác trong suốt như FEP, 1.719.975 ₫ Thêm vào giỏ hàng Thêm vào danh sách so sánh Danh sách yêu thích tùy chỉnh được Thêm vào danh sách yêu thích
Cảm biến quang điện siêu nhỏ Omron EE-SPX613 3M 12...24VDCLoại đầu ra: NPNĐộ dày ống dẫn áp dụng: 1mmĐường kính ống dẫn áp dụng: 6...13mmVật liệu ống dẫn áp dụng: Nhựa FEP hoặc bất kỳ vật liệu nào khác trong suốt như FEP, 2.192.098 ₫ 1.826.748 ₫ Thêm vào giỏ hàng Thêm vào danh sách so sánh Danh sách yêu thích tùy chỉnh được Thêm vào danh sách yêu thích
Cảm biến quang điện Autonics BL13-TDT-P 12...24VDCLoại đầu ra: PNPĐộ dày ống dẫn áp dụng: 1mmĐường kính ống dẫn áp dụng: 6...13mmVật liệu ống dẫn áp dụng: Nhựa FEP hoặc bất kỳ vật liệu nào khác trong suốt như FEP, 1.423.080 ₫ 1.274.400 ₫ Thêm vào giỏ hàng Thêm vào danh sách so sánh Danh sách yêu thích tùy chỉnh được Thêm vào danh sách yêu thích
Cảm biến quang điện Omron E2K-L13MC1 2M 12...24VDCLoại đầu ra: NPNĐộ dày ống dẫn áp dụng: 1mmĐường kính ống dẫn áp dụng: 8...11mmVật liệu ống dẫn áp dụng: Nhựa FEP hoặc bất kỳ vật liệu nào khác trong suốt như FEP 3.772.260 ₫ Thêm vào giỏ hàng Thêm vào danh sách so sánh Danh sách yêu thích tùy chỉnh được Thêm vào danh sách yêu thích
Cảm biến quang điện Omron E2K-L13MC2 2M 12...24VDCLoại đầu ra: NPNĐộ dày ống dẫn áp dụng: 1mmĐường kính ống dẫn áp dụng: 8...11mmVật liệu ống dẫn áp dụng: Nhựa FEP hoặc bất kỳ vật liệu nào khác trong suốt như FEP 3.794.205 ₫ Thêm vào giỏ hàng Thêm vào danh sách so sánh Danh sách yêu thích tùy chỉnh được Thêm vào danh sách yêu thích
Cảm biến quang điện Omron E2K-L13MC1 5M 12...24VDCLoại đầu ra: NPNĐộ dày ống dẫn áp dụng: 1mmĐường kính ống dẫn áp dụng: 8...11mmVật liệu ống dẫn áp dụng: Nhựa FEP hoặc bất kỳ vật liệu nào khác trong suốt như FEP 3.927.395 ₫ Thêm vào giỏ hàng Thêm vào danh sách so sánh Danh sách yêu thích tùy chỉnh được Thêm vào danh sách yêu thích
Cảm biến quang điện Omron E2K-L26MC1 2M 12...24VDCLoại đầu ra: NPNĐộ dày ống dẫn áp dụng: 1.5mmĐường kính ống dẫn áp dụng: 12...26mmVật liệu ống dẫn áp dụng: Nhựa FEP hoặc bất kỳ vật liệu nào khác trong suốt như FEP 2.976.350 ₫ Thêm vào giỏ hàng Thêm vào danh sách so sánh Danh sách yêu thích tùy chỉnh được Thêm vào danh sách yêu thích
Cảm biến quang điện Omron E2K-L26MC2 2M 12...24VDCLoại đầu ra: NPNĐộ dày ống dẫn áp dụng: 1.5mmĐường kính ống dẫn áp dụng: 12...26mmVật liệu ống dẫn áp dụng: Nhựa FEP hoặc bất kỳ vật liệu nào khác trong suốt như FEP 3.628.050 ₫ Thêm vào giỏ hàng Thêm vào danh sách so sánh Danh sách yêu thích tùy chỉnh được Thêm vào danh sách yêu thích