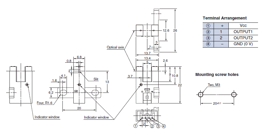
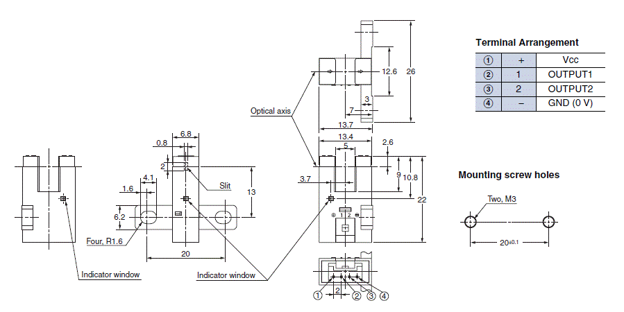
Cảm biến quang điện siêu nhỏ Omron EE-SX972-C1 NPN5...24VDCDark ON, Light ONTần số đóng/mở: 1kHzChiều rộng khe/rãnh: 5mm nhà chế tạo: Omron SKU: EE-SX972-C1 Tải xuống mẫu Giá cũ: 410.573 ₫ Giá bán: 342.144 ₫ Số lượng: Thêm vào giỏ hàng Danh sách yêu thích tùy chỉnh được Thêm vào danh sách yêu thích Thêm vào danh sách so sánh Gửi email cho một người bạn Thông tin chi tiết của: Cảm biến quang điện siêu nhỏ Omron EE-SX972-C1 Thông số kỹ thuật cơ bản của: EE-SX972-C1 Type Grooved Type (T-shaped) (Slot center 7 mm) Luminous method Non-modulated Sensing method Through-beam type Sensing distance Slot width: 5 mm Control output (Output type) NPN open collector output Operation mode With both Dark-ON and Light-ON (2 outputs) Connection method Connector type Thông số kỹ thuật chi tiết của: EE-SX972-C1 ModelEE-SX972-C1TypeGrooved Type (T-shaped) (Slot center 7 mm)Luminous methodNon-modulatedSensing methodThrough-beam typeSensing distanceSlot width: 5 mmOperation modeWith both Dark-ON and Light-ON (2 outputs)Standard sensing objectOpaque, 2 x 0.8 mm min.Differential distance elements0.025 mm max.Light source (Peak wavelength)Infrared LED (940 nm)IndicatorLight indicator (orange)Power supply voltage5 to 24 VDC ±10%ripple (p-p) 10 % max.Current consumption21 mAControl outputOutput typeNPN open collector outputLoad power supply voltage5 to 24 VDCLoad curren50 mA max.Residual voltageat 5 mA load current: 0.4 V max.at 50 mA load current: 1.0 V max.Protection circuitsPower supply reverse polarity protection, Output reverse polarity protection, Overcurrent protection (for only output 2)Response frequency elements1 kHz min.Average value: 3 kHzIllumination on the surface receiverFluorescent light: 1000 lx max.Ambient temperatureOperating: -25 to 55 ℃ (with no freezing or condensation)Storage: -30 to 80 ℃ (with no freezing or condensation)Ambient humidityOperating: 5 to 85 % (with no freezing or condensation)Storage: 5 to 95 % (with no freezing or condensation)Vibration resistanceDestruction: 10 to 2000 Hz, 0.75 mm single amplitude in each X, Y, and Z directions (15 min, 10 cycle)Shock resistanceDestruction: 500 m/s2 for 3 times each in X, Y, and Z directionsDegree of protectionIP50Connection methodConnector typeWeightPackage: Approx. 3 gMaterialCase: Polybutylene terephthalate (PBT)Cover: Polybutylene terephthalate (PBT)Emitter/Receiver: Polycarbonate (PC) Cam Kết Chất Lượng và Dịch Vụ Chúng tôi có hơn 35.000 sản phẩm vì vậy hãy liên hệ với chúng tôi Để được tư vấn và check tình trạng hàng bạn nhé! AUTO TECH VN cam kết: 1. Hàng Chính Hãng. 2. Xuất được Hóa đơn VAT. 3. Cấp CO/CQ đầy đủ. 4. Giá cạnh tranh. 5. Sản phẩm bảo hành theo chính sách của hãng.6. Miễn Phí hỗ trợ cài đặt và sử dụng thiết bị. Thông Tin Liên Hệ Mua Hàng AUTO TECH VN - AUT.VN ĐT/ Zalo : 0968.053.025 Email: support@aut.vn Email2: sale@aut.vn Địa chỉ: 07 KĐT Flora Mizuki, Đường Số 1, Bình Hưng, Bình Chánh, Hồ Chí Minh Thẻ sản phẩm Cảm biến quang điện siêu nhỏ (361) , Photomicrosensor (105) , Sensors (1856) , PhotomicroSensors (136) , Slot-type (128) , EE-SX97 (10) Những sản phẩm liên quan Phụ kiện khác Omron EE-1017-R 1M 1m 94.620 ₫ Thêm vào giỏ hàng Thêm vào danh sách so sánh Danh sách yêu thích tùy chỉnh được Thêm vào danh sách yêu thích Phụ kiện khác Omron EE-1017 1M 1m 109.725 ₫ Thêm vào giỏ hàng Thêm vào danh sách so sánh Danh sách yêu thích tùy chỉnh được Thêm vào danh sách yêu thích Phụ kiện khác Omron EE-1017 3M 3m 155.610 ₫ Thêm vào giỏ hàng Thêm vào danh sách so sánh Danh sách yêu thích tùy chỉnh được Thêm vào danh sách yêu thích Phụ kiện khác Omron EE-1017-R 3M 3m 230.755 ₫ Thêm vào giỏ hàng Thêm vào danh sách so sánh Danh sách yêu thích tùy chỉnh được Thêm vào danh sách yêu thích Cảm biến quang Autonics BS5-T2M Dạng khe 5mm - Ngõ ra NPN Loại cảm biến: Thu phát dạng khe siêu nhỏ (5mm)Ngõ ra: NPN (Mạch thu hở)Điện áp nguồn: 5-24VDCTần số đáp ứng: 2kHz (Phản hồi cực nhanh)Chế độ hoạt động: Tùy chọn Light ON / Dark ONỨng dụng: Phát hiện vật thể siêu nhỏ trong không gian hẹp 165.450 ₫ 132.360 ₫ Thêm vào giỏ hàng Thêm vào danh sách so sánh Danh sách yêu thích tùy chỉnh được Thêm vào danh sách yêu thích Cảm biến quang điện siêu nhỏ Autonics BS5-T2M-P (Loại khe) Loại cảm biến: Quang điện dạng khe siêu nhỏ (U-shape).Ngõ ra: PNP (Mạch thu hở).Nguồn cấp: 5-24VDC linh hoạt.Tần số đáp ứng cao: 2kHz cho khả năng phát hiện chính xác.Chiều rộng khe: 5mm.Chế độ hoạt động: Tùy chọn Light ON / Dark ON. 180.150 ₫ 144.120 ₫ Thêm vào giỏ hàng Thêm vào danh sách so sánh Danh sách yêu thích tùy chỉnh được Thêm vào danh sách yêu thích Cảm biến quang điện siêu nhỏ Autonics BS5-T2R NPN5...24VDCLight ON, Dark ONTần số đóng/mở: 2kHzChiều rộng khe/rãnh: 5mm 183.900 ₫ 147.120 ₫ Thêm vào giỏ hàng Thêm vào danh sách so sánh Danh sách yêu thích tùy chỉnh được Thêm vào danh sách yêu thích Cảm biến quang điện siêu nhỏ Autonics BS5-T2R-P PNP5...24VDCLight ON, Dark ONTần số đóng/mở: 2kHzChiều rộng khe/rãnh: 5mm 183.900 ₫ 147.120 ₫ Thêm vào giỏ hàng Thêm vào danh sách so sánh Danh sách yêu thích tùy chỉnh được Thêm vào danh sách yêu thích Cảm biến quang điện siêu nhỏ Autonics BS5-T1M NPN5...24VDCLight ON, Dark ONTần số đóng/mở: 2kHzChiều rộng khe/rãnh: 5mm 196.310 ₫ 175.800 ₫ Thêm vào giỏ hàng Thêm vào danh sách so sánh Danh sách yêu thích tùy chỉnh được Thêm vào danh sách yêu thích Cảm biến quang điện siêu nhỏ Autonics BS5-T1M-P | PNP, 5mm - AUT VN Loại cảm biến: Thu phát qua khe (Through-beam)Ngõ ra: PNP (Mạch thu hở)Điện áp hoạt động: 5-24VDCChế độ hoạt động: Light ON / Dark ON (Cài đặt bằng dây)Tần số đáp ứng: 2kHzChiều rộng khe nhận diện: 5mmNguồn sáng: LED hồng ngoại (940nm) 196.310 ₫ 175.800 ₫ Thêm vào giỏ hàng Thêm vào danh sách so sánh Danh sách yêu thích tùy chỉnh được Thêm vào danh sách yêu thích Cảm biến quang điện siêu nhỏ Autonics BS5-T1R NPN5...24VDCLight ON, Dark ONTần số đóng/mở: 2kHzChiều rộng khe/rãnh: 5mm 196.310 ₫ 175.800 ₫ Thêm vào giỏ hàng Thêm vào danh sách so sánh Danh sách yêu thích tùy chỉnh được Thêm vào danh sách yêu thích Cảm biến quang điện siêu nhỏ Autonics BS5-T1R-P PNP5...24VDCLight ON, Dark ONTần số đóng/mở: 2kHzChiều rộng khe/rãnh: 5mm 262.200 ₫ 209.760 ₫ Thêm vào giỏ hàng Thêm vào danh sách so sánh Danh sách yêu thích tùy chỉnh được Thêm vào danh sách yêu thích
Phụ kiện khác Omron EE-1017-R 1M 1m 94.620 ₫ Thêm vào giỏ hàng Thêm vào danh sách so sánh Danh sách yêu thích tùy chỉnh được Thêm vào danh sách yêu thích
Phụ kiện khác Omron EE-1017 1M 1m 109.725 ₫ Thêm vào giỏ hàng Thêm vào danh sách so sánh Danh sách yêu thích tùy chỉnh được Thêm vào danh sách yêu thích
Phụ kiện khác Omron EE-1017 3M 3m 155.610 ₫ Thêm vào giỏ hàng Thêm vào danh sách so sánh Danh sách yêu thích tùy chỉnh được Thêm vào danh sách yêu thích
Phụ kiện khác Omron EE-1017-R 3M 3m 230.755 ₫ Thêm vào giỏ hàng Thêm vào danh sách so sánh Danh sách yêu thích tùy chỉnh được Thêm vào danh sách yêu thích
Cảm biến quang Autonics BS5-T2M Dạng khe 5mm - Ngõ ra NPN Loại cảm biến: Thu phát dạng khe siêu nhỏ (5mm)Ngõ ra: NPN (Mạch thu hở)Điện áp nguồn: 5-24VDCTần số đáp ứng: 2kHz (Phản hồi cực nhanh)Chế độ hoạt động: Tùy chọn Light ON / Dark ONỨng dụng: Phát hiện vật thể siêu nhỏ trong không gian hẹp 165.450 ₫ 132.360 ₫ Thêm vào giỏ hàng Thêm vào danh sách so sánh Danh sách yêu thích tùy chỉnh được Thêm vào danh sách yêu thích
Cảm biến quang điện siêu nhỏ Autonics BS5-T2M-P (Loại khe) Loại cảm biến: Quang điện dạng khe siêu nhỏ (U-shape).Ngõ ra: PNP (Mạch thu hở).Nguồn cấp: 5-24VDC linh hoạt.Tần số đáp ứng cao: 2kHz cho khả năng phát hiện chính xác.Chiều rộng khe: 5mm.Chế độ hoạt động: Tùy chọn Light ON / Dark ON. 180.150 ₫ 144.120 ₫ Thêm vào giỏ hàng Thêm vào danh sách so sánh Danh sách yêu thích tùy chỉnh được Thêm vào danh sách yêu thích
Cảm biến quang điện siêu nhỏ Autonics BS5-T2R NPN5...24VDCLight ON, Dark ONTần số đóng/mở: 2kHzChiều rộng khe/rãnh: 5mm 183.900 ₫ 147.120 ₫ Thêm vào giỏ hàng Thêm vào danh sách so sánh Danh sách yêu thích tùy chỉnh được Thêm vào danh sách yêu thích
Cảm biến quang điện siêu nhỏ Autonics BS5-T2R-P PNP5...24VDCLight ON, Dark ONTần số đóng/mở: 2kHzChiều rộng khe/rãnh: 5mm 183.900 ₫ 147.120 ₫ Thêm vào giỏ hàng Thêm vào danh sách so sánh Danh sách yêu thích tùy chỉnh được Thêm vào danh sách yêu thích
Cảm biến quang điện siêu nhỏ Autonics BS5-T1M NPN5...24VDCLight ON, Dark ONTần số đóng/mở: 2kHzChiều rộng khe/rãnh: 5mm 196.310 ₫ 175.800 ₫ Thêm vào giỏ hàng Thêm vào danh sách so sánh Danh sách yêu thích tùy chỉnh được Thêm vào danh sách yêu thích
Cảm biến quang điện siêu nhỏ Autonics BS5-T1M-P | PNP, 5mm - AUT VN Loại cảm biến: Thu phát qua khe (Through-beam)Ngõ ra: PNP (Mạch thu hở)Điện áp hoạt động: 5-24VDCChế độ hoạt động: Light ON / Dark ON (Cài đặt bằng dây)Tần số đáp ứng: 2kHzChiều rộng khe nhận diện: 5mmNguồn sáng: LED hồng ngoại (940nm) 196.310 ₫ 175.800 ₫ Thêm vào giỏ hàng Thêm vào danh sách so sánh Danh sách yêu thích tùy chỉnh được Thêm vào danh sách yêu thích
Cảm biến quang điện siêu nhỏ Autonics BS5-T1R NPN5...24VDCLight ON, Dark ONTần số đóng/mở: 2kHzChiều rộng khe/rãnh: 5mm 196.310 ₫ 175.800 ₫ Thêm vào giỏ hàng Thêm vào danh sách so sánh Danh sách yêu thích tùy chỉnh được Thêm vào danh sách yêu thích
Cảm biến quang điện siêu nhỏ Autonics BS5-T1R-P PNP5...24VDCLight ON, Dark ONTần số đóng/mở: 2kHzChiều rộng khe/rãnh: 5mm 262.200 ₫ 209.760 ₫ Thêm vào giỏ hàng Thêm vào danh sách so sánh Danh sách yêu thích tùy chỉnh được Thêm vào danh sách yêu thích