Cảm Biến Quang Điện Omron EE-SX972P-C1 - Khe 5mm, Tốc Độ & Chính Xác Vượt Trội
- Thương hiệu: Omron
- Model: EE-SX972P-C1
- Loại đầu ra: PNP Open Collector, tương thích rộng rãi với PLC và hệ thống điều khiển
- Điện áp hoạt động: 5-24 VDC, cấp nguồn linh hoạt
- Chế độ hoạt động: Dark ON / Light ON (2 ngõ ra), tối đa hóa ứng dụng
- Tần số đáp ứng cực nhanh: 1 kHz (tối đa 3 kHz), lý tưởng cho dây chuyền tốc độ cao
- Thiết kế khe hẹp: 5 mm, tối ưu cho phát hiện vật thể nhỏ và yêu cầu độ chính xác cao
Giá cũ:
444.000 ₫
355.200 ₫
Cảm Biến Quang Điện Omron EE-SX972P-C1 - Giải Pháp Tự Động Hóa Chính Xác Từ AUT VN
Trong kỷ nguyên công nghiệp 4.0, độ chính xác và tốc độ là yếu tố then chốt để duy trì lợi thế cạnh tranh. Cảm biến quang điện siêu nhỏ Omron EE-SX972P-C1, được cung cấp bởi AUT VN, là một giải pháp tối ưu, thiết kế đặc biệt để đáp ứng các yêu cầu khắt khe nhất của hệ thống tự động hóa. Với kích thước nhỏ gọn và hiệu suất vượt trội, cảm biến quang loại khe 5mm này lý tưởng cho việc phát hiện các vật thể cực nhỏ hoặc định vị chính xác trong không gian hạn chế, là lựa chọn hàng đầu cho các nhà tích hợp hệ thống và kỹ sư tự động hóa.
Điểm Nổi Bật Vượt Trội của Cảm Biến Omron EE-SX972P-C1
- Thiết kế siêu nhỏ gọn: Với kích thước tối ưu, cảm biến khe Omron EE-SX972P-C1 dễ dàng tích hợp vào các không gian hẹp, giúp tiết kiệm diện tích và đơn giản hóa thiết kế máy móc, đặc biệt trong các dây chuyền sản xuất vi mạch hoặc linh kiện nhỏ.
- Độ chính xác cực cao: Sử dụng phương pháp thu phát đối xứng (Through-beam) với khe rộng 5mm, cho phép phát hiện các vật thể mờ đục có kích thước nhỏ tới 2 x 0.8 mm một cách đáng tin cậy và lặp lại. Đây là yếu tố then chốt cho các ứng dụng đòi hỏi sự tỉ mỉ.
- Tốc độ phản hồi cực nhanh: Với tần số đáp ứng lên đến 1 kHz (có thể đạt 3 kHz trong điều kiện lý tưởng), đảm bảo khả năng phát hiện nhanh chóng, phù hợp cho các ứng dụng yêu cầu tốc độ cao như đếm sản phẩm trên băng tải tốc độ lớn hoặc kiểm tra vị trí chuyển động nhanh.
- Đầu ra PNP linh hoạt: Với đầu ra PNP Open Collector, cảm biến EE-SX972P-C1 dễ dàng kết nối và tương thích với nhiều hệ thống điều khiển công nghiệp phổ biến như PLC, vi điều khiển, bộ đếm, giúp giảm thiểu thời gian cấu hình và tối ưu hóa hệ thống.
- Chế độ hoạt động kép (Dark-ON / Light-ON): Cung cấp cả hai ngõ ra Dark-ON và Light-ON, mang lại sự linh hoạt tối đa cho người dùng trong việc cài đặt và lập trình theo yêu cầu ứng dụng cụ thể, từ phát hiện sự có mặt đến phát hiện sự vắng mặt.
- Bảo vệ toàn diện: Tích hợp mạch bảo vệ ngược cực nguồn và ngược cực đầu ra, tăng cường độ bền và tuổi thọ cho sản phẩm trong môi trường công nghiệp khắc nghiệt, giảm thiểu rủi ro hư hỏng do lỗi đấu nối.
Lợi Ích Khi Lựa Chọn Cảm Biến Quang Điện Omron EE-SX972P-C1
Đầu tư vào cảm biến quang điện siêu nhỏ Omron EE-SX972P-C1 đồng nghĩa với việc bạn đang nâng cấp hệ thống của mình lên một tầm cao mới về hiệu suất và độ tin cậy:
- Tối ưu hóa năng suất: Khả năng phát hiện chính xác và tốc độ cao giúp giảm thiểu lỗi sản xuất, tăng cường hiệu quả vận hành và tối đa hóa năng suất, đặc biệt trong các ngành yêu cầu sản lượng lớn.
- Tiết kiệm chi phí vận hành: Với độ bền cao, các tính năng bảo vệ tích hợp và tuổi thọ dài, sản phẩm giảm thiểu nhu cầu bảo trì và thay thế, mang lại lợi ích kinh tế lâu dài cho doanh nghiệp.
- Dễ dàng tích hợp: Thiết kế nhỏ gọn, tiêu chuẩn kết nối phổ biến và đầu ra linh hoạt giúp quá trình lắp đặt và kết nối vào các hệ thống hiện có trở nên nhanh chóng và thuận tiện, giảm thiểu thời gian triển khai.
- Ứng dụng đa dạng: Từ kiểm tra vị trí, đếm sản phẩm đến phát hiện cạnh và kiểm soát chuyển động, cảm biến Omron EE-SX972P-C1 là lựa chọn lý tưởng cho nhiều ngành công nghiệp như điện tử, bao bì, sản xuất ô tô, dược phẩm và robot.
Ứng Dụng Phổ Biến & Hướng Dẫn Lắp Đặt Cảm Biến Omron EE-SX972P-C1
Cảm biến EE-SX972P-C1 là thành phần không thể thiếu trong nhiều hệ thống tự động hóa công nghiệp. Với thiết kế nhỏ gọn, việc lắp đặt cần tuân thủ các nguyên tắc sau để đảm bảo hiệu suất tối ưu:
- Kiểm tra & Định vị chính xác: Phát hiện chính xác vị trí của các bộ phận nhỏ trong quá trình lắp ráp chi tiết, kiểm tra sự hiện diện của linh kiện trong các dây chuyền sản xuất bo mạch điện tử, thiết bị y tế.
- Đếm sản phẩm tốc độ cao: Đếm nhanh và chính xác số lượng sản phẩm nhỏ (ví dụ: viên thuốc, linh kiện điện tử, ốc vít) trên băng tải mà không bỏ sót, nâng cao hiệu quả đóng gói và phân loại.
- Phát hiện cạnh và căn chỉnh: Kiểm soát vị trí và căn chỉnh vật liệu dạng tấm mỏng như giấy, film, nhãn dán, hoặc kim loại tấm trong các máy in, máy cắt, máy dán nhãn, đảm bảo độ chính xác cao.
- Hệ thống rô bốt: Dẫn hướng và kiểm soát chuyển động chính xác của cánh tay robot, đặc biệt trong các ứng dụng gắp và đặt (pick-and-place) các vật thể nhỏ và tinh vi.
- Máy đóng gói: Đảm bảo quy trình đóng gói diễn ra liền mạch và chính xác, phát hiện vị trí của bao bì hoặc sản phẩm bên trong, ngăn ngừa lỗi và lãng phí vật liệu.
Nguyên tắc lắp đặt: Khi lắp đặt, cần đảm bảo khe cảm biến không bị vật cản, bụi bẩn hay hơi nước. Dây tín hiệu phải được kết nối đúng cực để tránh hư hỏng. Vị trí lắp đặt nên tránh rung động mạnh, nguồn nhiệt cao và độ ẩm vượt quá giới hạn cho phép để đảm bảo tuổi thọ và độ tin cậy của cảm biến quang Omron.
Sản Phẩm Dùng Kèm và Khả Năng Tích Hợp
Để tối ưu hóa hiệu quả của cảm biến quang siêu nhỏ EE-SX972P-C1, sản phẩm thường được sử dụng kết hợp với các thiết bị điều khiển công nghiệp khác như:
- Bộ điều khiển lập trình (PLC): Tương thích hoàn hảo với các dòng PLC của Omron, Siemens, Mitsubishi, Delta và nhiều hãng khác để điều khiển logic và xử lý tín hiệu phát hiện.
- Bộ đếm (Counter) / Bộ định thời (Timer): Để thực hiện các chức năng đếm sản phẩm hoặc định thời gian dựa trên tín hiệu phát hiện từ cảm biến trong các ứng dụng sản xuất.
- Bộ điều khiển động cơ (Motor Driver): Trong các ứng dụng điều khiển chuyển động chính xác, nơi tín hiệu từ cảm biến được dùng làm phản hồi vị trí hoặc điều khiển dừng/khởi động động cơ.
- Rơ le trung gian: Để cách ly hoặc tăng cường tín hiệu điều khiển, bảo vệ đầu ra của cảm biến khỏi dòng tải lớn hoặc chuyển đổi tín hiệu sang các mức điện áp khác.
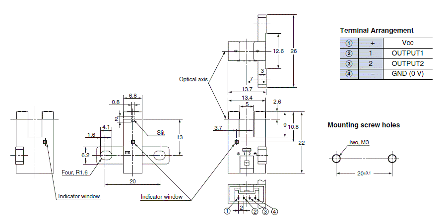
Thông Số Kỹ Thuật Chi Tiết của Cảm Biến Omron EE-SX972P-C1
Chúng tôi đã tổng hợp thông số kỹ thuật từ nhà sản xuất Omron để đảm bảo độ chính xác và tin cậy cao nhất cho sản phẩm cảm biến rãnh 5mm EE-SX972P-C1.
Nguồn dữ liệu: Trang thông tin sản phẩm chính hãng Omron.
| Thông số | Mô tả |
|---|
| Model | EE-SX972P-C1 |
| Loại | Cảm biến loại khe (Grooved Type) |
| Chế độ chiếu sáng | Không điều biến (Non-modulated) |
| Nguyên lý cảm biến | Thu phát đối xứng (Through-beam type) |
| Khoảng cách cảm biến | Chiều rộng khe: 5 mm |
| Vật thể tiêu chuẩn phát hiện | Vật thể mờ đục, kích thước tối thiểu 2 x 0.8 mm |
| Độ trễ (Hysteresis) | Tối đa 0.025 mm |
| Nguồn sáng (Bước sóng đỉnh) | LED hồng ngoại (940 nm) |
| Chỉ thị | Đèn chỉ thị hoạt động (màu cam) |
| Điện áp cấp nguồn | 5 đến 24 VDC ±10% với gợn sóng (p-p) tối đa 10% |
| Dòng tiêu thụ | 21 mA |
| Loại đầu ra điều khiển | Đầu ra PNP Open Collector |
| Điện áp tải đầu ra | 5 đến 24 VDC |
| Dòng tải đầu ra | Tối đa 50 mA |
| Điện áp dư đầu ra | Tối đa 0.4 V (dòng tải 5 mA) / Tối đa 1.0 V (dòng tải 50 mA) |
| Mạch bảo vệ | Bảo vệ ngược cực nguồn, bảo vệ ngược cực đầu ra |
| Tần số đáp ứng | 1 kHz (Tối đa 3 kHz) |
| Khả năng chịu ánh sáng môi trường | Đèn huỳnh quang: Tối đa 1000 lx |
| Nhiệt độ môi trường | Hoạt động: -25 đến 55 ℃ (không đóng băng/ngưng tụ) Lưu trữ: -30 đến 80 ℃ (không đóng băng/ngưng tụ) |
| Độ ẩm môi trường | Hoạt động: 5 đến 85 % (không đóng băng/ngưng tụ) Lưu trữ: 5 đến 95 % (không đóng băng/ngưng tụ) |
| Khả năng chống rung | 10 đến 2000 Hz, biên độ dịch chuyển kép 0.75 mm hoặc 98 m/s² theo 3 hướng X, Y, Z (15 phút, 10 chu kỳ) |
| Khả năng chống sốc | 500 m/s² (50G) cho 3 lần theo mỗi hướng X, Y, Z |
| Cấp bảo vệ | IP50 |
| Phương pháp kết nối | Loại đầu nối (Connector type) |
| Trọng lượng | Khoảng 3 g (không bao gồm bao bì) |
| Vật liệu | Vỏ: Polybutylene terephthalate (PBT) Nắp: Polybutylene terephthalate (PBT) Bộ phát/thu: Polycarbonate (PC) |
Cam Kết Chất Lượng và Dịch Vụ Từ AUT VN
Với hơn 10 năm kinh nghiệm trong lĩnh vực tự động hóa, AUT VN cam kết mang đến sản phẩm cảm biến Omron EE-SX972P-C1 chính hãng với chất lượng được kiểm định nghiêm ngặt. Chúng tôi luôn sẵn sàng hỗ trợ khách hàng từ khâu tư vấn, chọn lựa sản phẩm phù hợp đến hỗ trợ kỹ thuật sau bán hàng chuyên nghiệp. Liên hệ ngay với AUT VN hôm nay để nhận báo giá tốt nhất và trải nghiệm dịch vụ hàng đầu, giúp tối ưu hóa hệ thống tự động hóa của bạn!