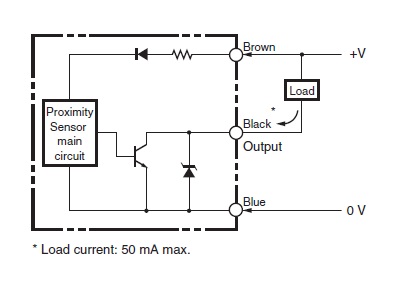
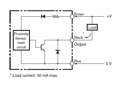
Cảm biến tiệm cận Omron E2S-Q13B 1M Ngõ ra: NPNChiều dài cáp: 1mChế độ hoạt động: NONguồn cấp: 12...24VDCKiểu đấu nối: Dây liềnKích cỡ: W5.5xH19xD5.9mmKhoảng cách phát hiện: 1.6mmLoại chống nhiễu: Non-shielded nhà chế tạo: Omron SKU: E2S-Q13B 1M Tải xuống mẫu Giá cũ: 839.441 ₫ Giá bán: 699.534 ₫ Số lượng: Thêm vào giỏ hàng Danh sách yêu thích tùy chỉnh được Thêm vào danh sách yêu thích Thêm vào danh sách so sánh Gửi email cho một người bạn Thông tin chi tiết của: Cảm biến tiệm cận Omron E2S-Q13B 1M Thông số kỹ thuật cơ bản của: E2S-Q13B 1M Sensing head size 5.5 mm x 5.5 mm x 19 mm Type Square type, Unshielded, Different frequency type Power source DC Three-wires models Sensing distance 1.6 mm ±15% Setting distance 0 to 1.2 mm Operation mode NO Thông số kỹ thuật chi tiết của: E2S-Q13B 1M ModelE2S-Q13B 1MSensing head size5.5 mm x 5.5 mm x 19 mmTypeSquare type, Unshielded, Different frequency typePower sourceDC Three-wires modelsSensing distance1.6 mm ±15%Setting distance0 to 1.2 mmDifferential distance10% max. of sensing distanceSensing objectFerrous metal (Sensitivity lowers with non-ferrous metals.)Standard sensing objectIron 12 x 12 x 1 mmResponse frequency1 kHz (Average value)Power supply voltage12 to 24 VDC ripple (p-p) 10% max.Operating voltage range10 to 30 VDCCurrent consumptionat 24 VDC, no load: 13 mA max.Control output (Output type)NPN open collectorControl output (Switching capacity)50 mA max. (30 VDC max.)Control output (Residual voltage)1 V max. (Load current 50 mA with cable length of 1 m)IndicatorOperation indicator (orange)Operation modeNOProtective circuitPower supply reverse polarity protectionSurge suppressorAmbient temperature (Operating)-25 to 70 ℃Ambient temperature (Storage)-40 to 85 ℃Ambient humidity (Operating)35 to 90 %Ambient humidity (Storage)35 to 95 %Temperature influence±15% max. of sensing distance at 23 ℃ in the temperature range of −25 to 70 ℃Voltage influence±2.5% max. of sensing distance at rated voltage in the rated voltage ±10% rangeInsulation resistanceBetween charged parts and the case: 50 MΩ min. at 500 VDCDielectric strengthBetween charged parts and the case: 1,000 VAC 50/60 Hz 1 minVibration resistanceDestruction: 10 to 55 Hz, 1.5 mm double amplitude each in X, Y, and Z directions for 2 hShock resistanceDestruction: 500 m/s2 3 times each in X, Y and Z directionsDegree of protectionIEC: IP67Connection methodPre-wired models (1 m)WeightPackage: Approx. 10 gMaterialCase: PolyarylateAccessoriesMounting Bracket Cam Kết Chất Lượng và Dịch Vụ Chúng tôi có hơn 35.000 sản phẩm vì vậy hãy liên hệ với chúng tôi Để được tư vấn và check tình trạng hàng bạn nhé! AUTO TECH VN cam kết: 1. Hàng Chính Hãng. 2. Xuất được Hóa đơn VAT. 3. Cấp CO/CQ đầy đủ. 4. Giá cạnh tranh. 5. Sản phẩm bảo hành theo chính sách của hãng.6. Miễn Phí hỗ trợ cài đặt và sử dụng thiết bị. Thông Tin Liên Hệ Mua Hàng AUTO TECH VN - AUT.VN ĐT/ Zalo : 0968.053.025 Email: support@aut.vn Email2: sale@aut.vn Địa chỉ: 07 KĐT Flora Mizuki, Đường Số 1, Bình Hưng, Bình Chánh, Hồ Chí Minh Thẻ sản phẩm Cảm biến tiệm cận (8626) , Sensors (1856) , Compact Square Type Proximity Sensor (38) , ProximitySensors (661) , Rectangular (156) , E2S (41) Những sản phẩm liên quan Cảm biến tiệm cận Omron E2S-Q13-R 1M Ngõ ra: NPNChiều dài cáp: 1mChế độ hoạt động: NONguồn cấp: 12...24VDCKiểu đấu nối: Dây liềnKích cỡ: W5.5xH19xD5.9mmKhoảng cách phát hiện: 1.6mmLoại chống nhiễu: Non-shielded 504.735 ₫ Thêm vào giỏ hàng Thêm vào danh sách so sánh Danh sách yêu thích tùy chỉnh được Thêm vào danh sách yêu thích Cảm biến tiệm cận Omron E2S-W13-R 1M Ngõ ra: NPNChiều dài cáp: 1mChế độ hoạt động: NONguồn cấp: 12...24VDCKiểu đấu nối: Dây liềnKích cỡ: W5.5xH19xD5.9mmKhoảng cách phát hiện: 1.6mmLoại chống nhiễu: Non-shielded 634.980 ₫ Thêm vào giỏ hàng Thêm vào danh sách so sánh Danh sách yêu thích tùy chỉnh được Thêm vào danh sách yêu thích Cảm biến tiệm cận Omron E2S-Q11-R 1M Ngõ ra: 2 dây DCChiều dài cáp: 1mChế độ hoạt động: NONguồn cấp: 12...24VDCKiểu đấu nối: Dây liềnKích cỡ: W5.5xH19xD5.9mmKhoảng cách phát hiện: 1.6mmLoại chống nhiễu: Non-shielded 659.110 ₫ Thêm vào giỏ hàng Thêm vào danh sách so sánh Danh sách yêu thích tùy chỉnh được Thêm vào danh sách yêu thích Cảm biến tiệm cận Omron E2S-W14 1M Ngõ ra: NPNChiều dài cáp: 1mChế độ hoạt động: NCNguồn cấp: 12...24VDCKiểu đấu nối: Dây liềnKích cỡ: W5.5xH19xD5.9mmKhoảng cách phát hiện: 1.6mmLoại chống nhiễu: Non-shielded 804.989 ₫ 670.824 ₫ Thêm vào giỏ hàng Thêm vào danh sách so sánh Danh sách yêu thích tùy chỉnh được Thêm vào danh sách yêu thích Cảm biến tiệm cận Omron E2S-W14 5M Ngõ ra: NPNChiều dài cáp: 5mChế độ hoạt động: NCNguồn cấp: 12...24VDCKiểu đấu nối: Dây liềnKích cỡ: W5.5xH19xD5.9mmKhoảng cách phát hiện: 1.6mmLoại chống nhiễu: Non-shielded 683.335 ₫ Thêm vào giỏ hàng Thêm vào danh sách so sánh Danh sách yêu thích tùy chỉnh được Thêm vào danh sách yêu thích Cảm biến tiệm cận Omron E2S-W13B 1M Ngõ ra: NPNChiều dài cáp: 1mChế độ hoạt động: NONguồn cấp: 12...24VDCKiểu đấu nối: Dây liềnKích cỡ: W5.5xH19xD5.9mmKhoảng cách phát hiện: 1.6mmLoại chống nhiễu: Non-shielded 839.441 ₫ 699.534 ₫ Thêm vào giỏ hàng Thêm vào danh sách so sánh Danh sách yêu thích tùy chỉnh được Thêm vào danh sách yêu thích Cảm biến tiệm cận Omron E2S-W11-R 1M Ngõ ra: 2 dây DCChiều dài cáp: 1mChế độ hoạt động: NONguồn cấp: 12...24VDCKiểu đấu nối: Dây liềnKích cỡ: W5.5xH19xD5.9mmKhoảng cách phát hiện: 1.6mmLoại chống nhiễu: Non-shielded 708.700 ₫ Thêm vào giỏ hàng Thêm vào danh sách so sánh Danh sách yêu thích tùy chỉnh được Thêm vào danh sách yêu thích Cảm biến tiệm cận Omron E2S-W12B 1M Ngõ ra: 2 dây DCChiều dài cáp: 1mChế độ hoạt động: NCNguồn cấp: 12...24VDCKiểu đấu nối: Dây liềnKích cỡ: W5.5xH19xD5.9mmKhoảng cách phát hiện: 1.6mmLoại chống nhiễu: Non-shielded 708.700 ₫ Thêm vào giỏ hàng Thêm vào danh sách so sánh Danh sách yêu thích tùy chỉnh được Thêm vào danh sách yêu thích
Cảm biến tiệm cận Omron E2S-Q13-R 1M Ngõ ra: NPNChiều dài cáp: 1mChế độ hoạt động: NONguồn cấp: 12...24VDCKiểu đấu nối: Dây liềnKích cỡ: W5.5xH19xD5.9mmKhoảng cách phát hiện: 1.6mmLoại chống nhiễu: Non-shielded 504.735 ₫ Thêm vào giỏ hàng Thêm vào danh sách so sánh Danh sách yêu thích tùy chỉnh được Thêm vào danh sách yêu thích
Cảm biến tiệm cận Omron E2S-W13-R 1M Ngõ ra: NPNChiều dài cáp: 1mChế độ hoạt động: NONguồn cấp: 12...24VDCKiểu đấu nối: Dây liềnKích cỡ: W5.5xH19xD5.9mmKhoảng cách phát hiện: 1.6mmLoại chống nhiễu: Non-shielded 634.980 ₫ Thêm vào giỏ hàng Thêm vào danh sách so sánh Danh sách yêu thích tùy chỉnh được Thêm vào danh sách yêu thích
Cảm biến tiệm cận Omron E2S-Q11-R 1M Ngõ ra: 2 dây DCChiều dài cáp: 1mChế độ hoạt động: NONguồn cấp: 12...24VDCKiểu đấu nối: Dây liềnKích cỡ: W5.5xH19xD5.9mmKhoảng cách phát hiện: 1.6mmLoại chống nhiễu: Non-shielded 659.110 ₫ Thêm vào giỏ hàng Thêm vào danh sách so sánh Danh sách yêu thích tùy chỉnh được Thêm vào danh sách yêu thích
Cảm biến tiệm cận Omron E2S-W14 1M Ngõ ra: NPNChiều dài cáp: 1mChế độ hoạt động: NCNguồn cấp: 12...24VDCKiểu đấu nối: Dây liềnKích cỡ: W5.5xH19xD5.9mmKhoảng cách phát hiện: 1.6mmLoại chống nhiễu: Non-shielded 804.989 ₫ 670.824 ₫ Thêm vào giỏ hàng Thêm vào danh sách so sánh Danh sách yêu thích tùy chỉnh được Thêm vào danh sách yêu thích
Cảm biến tiệm cận Omron E2S-W14 5M Ngõ ra: NPNChiều dài cáp: 5mChế độ hoạt động: NCNguồn cấp: 12...24VDCKiểu đấu nối: Dây liềnKích cỡ: W5.5xH19xD5.9mmKhoảng cách phát hiện: 1.6mmLoại chống nhiễu: Non-shielded 683.335 ₫ Thêm vào giỏ hàng Thêm vào danh sách so sánh Danh sách yêu thích tùy chỉnh được Thêm vào danh sách yêu thích
Cảm biến tiệm cận Omron E2S-W13B 1M Ngõ ra: NPNChiều dài cáp: 1mChế độ hoạt động: NONguồn cấp: 12...24VDCKiểu đấu nối: Dây liềnKích cỡ: W5.5xH19xD5.9mmKhoảng cách phát hiện: 1.6mmLoại chống nhiễu: Non-shielded 839.441 ₫ 699.534 ₫ Thêm vào giỏ hàng Thêm vào danh sách so sánh Danh sách yêu thích tùy chỉnh được Thêm vào danh sách yêu thích
Cảm biến tiệm cận Omron E2S-W11-R 1M Ngõ ra: 2 dây DCChiều dài cáp: 1mChế độ hoạt động: NONguồn cấp: 12...24VDCKiểu đấu nối: Dây liềnKích cỡ: W5.5xH19xD5.9mmKhoảng cách phát hiện: 1.6mmLoại chống nhiễu: Non-shielded 708.700 ₫ Thêm vào giỏ hàng Thêm vào danh sách so sánh Danh sách yêu thích tùy chỉnh được Thêm vào danh sách yêu thích
Cảm biến tiệm cận Omron E2S-W12B 1M Ngõ ra: 2 dây DCChiều dài cáp: 1mChế độ hoạt động: NCNguồn cấp: 12...24VDCKiểu đấu nối: Dây liềnKích cỡ: W5.5xH19xD5.9mmKhoảng cách phát hiện: 1.6mmLoại chống nhiễu: Non-shielded 708.700 ₫ Thêm vào giỏ hàng Thêm vào danh sách so sánh Danh sách yêu thích tùy chỉnh được Thêm vào danh sách yêu thích