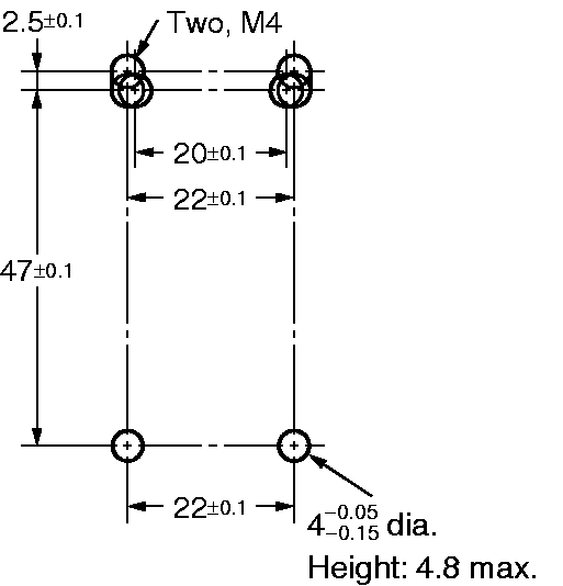
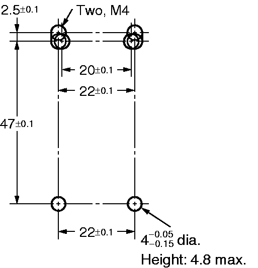
Công tắc an toàn Omron D4N-2BRE Lắp bề mặtFork lock leverCấu hình tiếp điểm/đầu ra: DPST (2NC)Lực tác động (Lực tác động tối đa): 6.4NCông suất tiếp điểm đầu ra (tải điện trở): 10A at 250VAC, 3A at 250VAC nhà chế tạo: Omron SKU: D4N-2BRE Ngày giao hàng: 1-3 days Giá cũ: 1.429.758 ₫ Giá bán: 1.191.465 ₫ Số lượng: Thêm vào giỏ hàng Giao đến Chọn quốc gia Vietnam * Khác * Phương pháp vận chuyển Tên Ngày dự kiến giao hàng Giá bán Không có tùy chọn giao hàng nào Áp dụng Custom wishlist được Thêm vào danh sách yêu thích Thêm vào danh sách so sánh Gửi email cho một người bạn Thông tin chi tiết của: Công tắc an toàn Omron D4N-2BRE Thông số kỹ thuật cơ bản của: D4N-2BRE Actuator Fork lock lever Operation type Right operation type Operating mechanism Slow action Contact form 2NC Degree of protection IP67 Thông số kỹ thuật chi tiết của: D4N-2BRE ModelD4N-2BREOperating mechanismSlow actionOperation typeRight operation typectuatorFork lock lever 2-17.5 dia. x 8Rubber rollerFrequency50/60 HzContact form2NCLoadGeneral load/Micro loadConduitG1/2Number of conduit: 1Ambient temperatureOperating: -30 to 70 ℃ (with no icing)Ambient humidity95 %RH max. Cam Kết Chất Lượng và Dịch Vụ Chúng tôi có hơn 35.000 sản phẩm vì vậy hãy liên hệ với chúng tôi Để được tư vấn và check tình trạng hàng bạn nhé! AUTO TECH VN cam kết: 1. Hàng Chính Hãng. 2. Xuất được Hóa đơn VAT. 3. Cấp CO/CQ đầy đủ. 4. Giá cạnh tranh. 5. Sản phẩm bảo hành theo chính sách của hãng.6. Miễn Phí hỗ trợ cài đặt và sử dụng thiết bị. Thông Tin Liên Hệ Mua Hàng AUTO TECH VN - AUT.VN ĐT/ Zalo : 0968.053.025 Email: support@aut.vn Email2: sale@aut.vn Địa chỉ: 07 KĐT Flora Mizuki, Đường Số 1, Bình Hưng, Bình Chánh, Hồ Chí Minh Thẻ sản phẩm Công tắc an toàn (1334) , Safety Limit Switch (369)