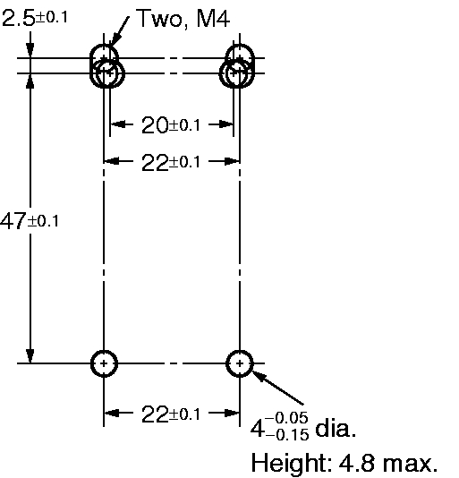
Công tắc an toàn Omron D4N-4ALE Lắp bề mặtFork lock leverLực tác động (Lực tác động tối đa): 6.4NCấu hình tiếp điểm/đầu ra: DPST (1NO+1NC)Công suất tiếp điểm đầu ra (tải điện trở): 10A at 250VAC, 3A at 250VAC nhà chế tạo: Omron SKU: D4N-4ALE Ngày giao hàng: 1-3 days Giá cũ: 1.438.074 ₫ Giá bán: 1.198.395 ₫ Số lượng: Thêm vào giỏ hàng Giao đến Chọn quốc gia Vietnam * Khác * Phương pháp vận chuyển Tên Ngày dự kiến giao hàng Giá bán Không có tùy chọn giao hàng nào Áp dụng Custom wishlist được Thêm vào danh sách yêu thích Thêm vào danh sách so sánh Gửi email cho một người bạn Thông tin chi tiết của: Công tắc an toàn Omron D4N-4ALE Thông số kỹ thuật cơ bản của: D4N-4ALE Actuator Fork lock lever Operation type Left operation type Operating mechanism Slow action Contact form 1NC/1NO Degree of protection IP67 Thông số kỹ thuật chi tiết của: D4N-4ALE ModelD4N-4ALEOperating mechanismSlow actionOperation typeLeft operation typectuatorFork lock lever 2-17.5 dia. x 8Rubber rollerFrequency50/60 HzContact form1NC/1NOLoadGeneral load/Micro loadConduitM20Number of conduit: 1Ambient temperatureOperating: -30 to 70 ℃ (with no icing)Ambient humidity95 %RH max. Cam Kết Chất Lượng và Dịch Vụ Chúng tôi có hơn 35.000 sản phẩm vì vậy hãy liên hệ với chúng tôi Để được tư vấn và check tình trạng hàng bạn nhé! AUTO TECH VN cam kết: 1. Hàng Chính Hãng. 2. Xuất được Hóa đơn VAT. 3. Cấp CO/CQ đầy đủ. 4. Giá cạnh tranh. 5. Sản phẩm bảo hành theo chính sách của hãng.6. Miễn Phí hỗ trợ cài đặt và sử dụng thiết bị. Thông Tin Liên Hệ Mua Hàng AUTO TECH VN - AUT.VN ĐT/ Zalo : 0968.053.025 Email: support@aut.vn Email2: sale@aut.vn Địa chỉ: 07 KĐT Flora Mizuki, Đường Số 1, Bình Hưng, Bình Chánh, Hồ Chí Minh Thẻ sản phẩm Công tắc an toàn (1334) , Safety Limit Switch (369)