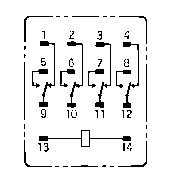
Rơ le trung gian Omron MY4-02 AC100/110 Rơ le trung gian Omron MY4-02 AC100/110 Miniature Power Relay 4-pole Single contact PCB terminals 100/110 VAC Mua Ngay : nhà chế tạo: Omron SKU: MY4-02 AC100/110 Ngày giao hàng: 1-3 days Giá cũ: 1.188 ₫ Giá bán: 990 ₫ Số lượng: Thêm vào giỏ hàng Giao đến Chọn quốc gia Vietnam * Khác * Phương pháp vận chuyển Tên Ngày dự kiến giao hàng Giá bán Không có tùy chọn giao hàng nào Áp dụng Custom wishlist được Thêm vào danh sách yêu thích Thêm vào danh sách so sánh Gửi email cho một người bạn Thông tin chi tiết của: Rơ le trung gian Omron MY4-02 AC100/110 Thông số kỹ thuật cơ bản của: MY4-02 AC100/110 Coil ratings 100 VAC 50 Hz 11.7 mA 100 VAC 60 Hz 10 mA 110 VAC 50 Hz 12.9 mA 110 VAC 60 Hz 11 mA Contact form 4PDT Contact method Single Contact material Au plating + Ag Contact rated load 220 VAC 3 A (Resistive load) 220 VAC 0.8 A (Inductive load (cosφ = 0.4)) 24 VDC 3 A (Resistive load) 24 VDC 1.5 A (Inductive load (L/R = 7 ms)) Terminal structure PCB terminal Thông số kỹ thuật chi tiết của: MY4-02 AC100/110 RatingsDegree of protectionClosed type (cover)Terminal structurePCB terminalCoilCoil ratings100 VAC 50 Hz 11.7 mA100 VAC 60 Hz 10 mA110 VAC 50 Hz 12.9 mA110 VAC 60 Hz 11 mACoil resistance3750 ΩOperate voltage (Set voltage)80 % max.Release voltage (Reset voltage)30 % min.Maximum voltage110 % (23 ℃)Power consumptionApprox. 0.9 to 1.3 VA 60 HzContactContact rated load220 VAC 3 A (Resistive load)220 VAC 0.8 A (Inductive load (cosφ = 0.4))24 VDC 3 A (Resistive load)24 VDC 1.5 A (Inductive load (L/R = 7 ms))Max. contact voltage250 VAC125 VDCMax. contact currentAC: 3 ADC: 3 AMaximum switching power660 VA (Resistive load)176 VA (Inductive load (cosφ = 0.4))72 W (Resistive load)36 W (Inductive load (L/R = 7 ms))Contact form4PDTContact methodSingleContact materialAu plating + Ag Cam Kết Chất Lượng và Dịch Vụ Chúng tôi có hơn 35.000 sản phẩm vì vậy hãy liên hệ với chúng tôi Để được tư vấn và check tình trạng hàng bạn nhé! AUTO TECH VN cam kết: 1. Hàng Chính Hãng. 2. Xuất được Hóa đơn VAT. 3. Cấp CO/CQ đầy đủ. 4. Giá cạnh tranh. 5. Sản phẩm bảo hành theo chính sách của hãng.6. Miễn Phí hỗ trợ cài đặt và sử dụng thiết bị. Thông Tin Liên Hệ Mua Hàng AUTO TECH VN - AUT.VN ĐT/ Zalo : 0968.053.025 Email: support@aut.vn Email2: sale@aut.vn Địa chỉ: 07 KĐT Flora Mizuki, Đường Số 1, Bình Hưng, Bình Chánh, Hồ Chí Minh Thẻ sản phẩm Rơ le trung gian (5065) , Miniature Power Relay (111) , Relays (1031) , GeneralPurposeRelays (605) , ForControlPanel (605) , MY (237)