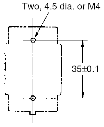
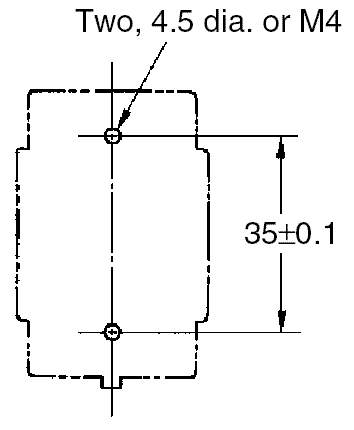
Rơ le trung gian Omron G7J Rơ le trung gian Omron G7J Power relay DPST-NO/DPST-NC Screw terminal Single contact W-bracket mounting 100/120 VAC Mua Ngay : nhà chế tạo: Omron SKU: G7J Ngày giao hàng: 1-3 days Giá cũ: 1.188 ₫ Giá bán: 990 ₫ Số lượng: Thêm vào giỏ hàng Giao đến Chọn quốc gia Vietnam Vietnam * Khác * Phương pháp vận chuyển Tên Ngày dự kiến giao hàng Giá bán Không có tùy chọn giao hàng nào Áp dụng Custom wishlist được Thêm vào danh sách yêu thích Thêm vào danh sách so sánh #N/A Thẻ sản phẩm Rơ le trung gian (3127) , G7J-2A2B-B AC100/120 (2) , Power relay (209) , Relays (1112) , G7J (82) , Omron (52279) , General Purpose Relays (304) , For Built-in (2)