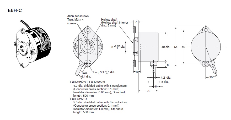
Cảm biến Encoder Omron E6H-CWZ3X 360P/R 0.5M 5...12VDC360 xung/vòngLoại lỗ liền trụcLine-driver output (TTL)A, A-, B, B-, Z, Z- phase nhà chế tạo: Omron SKU: E6H-CWZ3X 360P/R 0.5M Tải xuống mẫu Giá cũ: 10.626.304 ₫ Giá bán: 8.855.253 ₫ Số lượng: Thêm vào giỏ hàng Danh sách yêu thích tùy chỉnh được Thêm vào danh sách yêu thích Thêm vào danh sách so sánh Gửi email cho một người bạn Thông tin chi tiết của: Cảm biến Encoder Omron E6H-CWZ3X 360P/R 0.5M Thông số kỹ thuật cơ bản của: E6H-CWZ3X 360P/R 0.5M Encoding method Incremental Hollow-shaft model Resolution 360 P/R Output phases A, -A, B, -B, Z and -Z Control output Line driver output Connection method Pre-wired models (Cable length: 0.5 m) Thông số kỹ thuật chi tiết của: E6H-CWZ3X 360P/R 0.5M ModelE6H-CWZ3X 360P/R 0.5MCategoriseIncremental Hollow-shaft modelDiameter40 mm dia.Power supply voltage5 to 12 VDC (-5% to +10%) Ripple (p-p) 5% max.Current consumption150 mA max.Resolution360 P/RInrush currentApprox. 6 A (0.3 ms)Output phasesA, -A, B, -B, Z and -ZControl outputOutput typeLine driver outputOutput voltageVo: 2.5 VVs: 0.5 VLoad currentHigh level (Io): -10 mALow level (Is): 10 mAMax. response frequency100 kHzPhase difference on output90±45 ° between A and B (1/4 T ± 1/8 T)Rise and fall times of output1 µs max. (Cable length: 0.5 m, Io = -10 mA, Is = 10 mA)Starting torque1.5 mN.m max.Moment of inertia2 x 10-6 kg.m2 max.Shaft loadingRadial: 29.4 NThrust: 4.9 NMax. permissible rotation10000 r/minAmbient temperatureOperating: -10 to 70 ℃ (90% RH max.) (with no icing)Storage: -30 to 85 ℃ (with no icing)Ambient humidityOperating: 95 %RH max. (with no condensation)Storage: 95 %RH max. (with no condensation)Insulation resistanceThese data are excluded as the switch is equipped with a capacitor grounding.Dielectric strengthThese data are excluded as the switch is equipped with a capacitor grounding.Vibration resistanceDestruction: 10 to 500 Hz, 1.5 mm double amplitude or 100 m/s2 for 2 h each in X, Y, and Z directionsShock resistanceDestruction: 300 m/s2 for 11 ms 3 times each in X, Y, and Z directions (excluding any shock to shaft)Degree of protectionIEC: IP50Connection methodPre-wired models (Cable length: 0.5 m)MaterialCase: IronMain Unit: AluminumFlat spring: SUS304WeightPackage: Approx. 120 gAccessoriesInstruction manual Cam Kết Chất Lượng và Dịch Vụ Chúng tôi có hơn 35.000 sản phẩm vì vậy hãy liên hệ với chúng tôi Để được tư vấn và check tình trạng hàng bạn nhé! AUTO TECH VN cam kết: 1. Hàng Chính Hãng. 2. Xuất được Hóa đơn VAT. 3. Cấp CO/CQ đầy đủ. 4. Giá cạnh tranh. 5. Sản phẩm bảo hành theo chính sách của hãng.6. Miễn Phí hỗ trợ cài đặt và sử dụng thiết bị. Thông Tin Liên Hệ Mua Hàng AUTO TECH VN - AUT.VN ĐT/ Zalo : 0968.053.025 Email: support@aut.vn Email2: sale@aut.vn Địa chỉ: 07 KĐT Flora Mizuki, Đường Số 1, Bình Hưng, Bình Chánh, Hồ Chí Minh Thẻ sản phẩm Cảm biến Encoder (10610) , Sensors (1856) , Rotary Encoder (313) , RotaryEncoders (415) , Incremental (370) , E6H-C (21) Những sản phẩm liên quan Cảm biến Encoder Omron E6H-CWZ3E 1000P/R 0.5M 5...12VDCA,B,Z phase1000 xung/vòngLoại lỗ liền trụcVoltage output (NPN output) 5.580.205 ₫ Thêm vào giỏ hàng Thêm vào danh sách so sánh Danh sách yêu thích tùy chỉnh được Thêm vào danh sách yêu thích Cảm biến Encoder Omron E6H-CWZ6C 500P/R 0.5M 5...24VDCA,B,Z phase500 xung/vòngLoại lỗ liền trụcNPN open collector output 7.865.748 ₫ 6.554.790 ₫ Thêm vào giỏ hàng Thêm vào danh sách so sánh Danh sách yêu thích tùy chỉnh được Thêm vào danh sách yêu thích Cảm biến Encoder Omron E6H-CWZ6C 720P/R 0.5M 5...24VDCA,B,Z phase720 xung/vòngLoại lỗ liền trụcNPN open collector output 7.865.748 ₫ 6.554.790 ₫ Thêm vào giỏ hàng Thêm vào danh sách so sánh Danh sách yêu thích tùy chỉnh được Thêm vào danh sách yêu thích Cảm biến Encoder Omron E6H-CWZ3E 500P/R 0.5M 5...12VDCA,B,Z phase500 xung/vòngLoại lỗ liền trụcVoltage output (NPN output) 8.101.091 ₫ 6.750.909 ₫ Thêm vào giỏ hàng Thêm vào danh sách so sánh Danh sách yêu thích tùy chỉnh được Thêm vào danh sách yêu thích Cảm biến Encoder Omron E6H-CWZ6C 1024P/R 0.5M 5...24VDCA,B,Z phase1024 xung/vòngLoại lỗ liền trụcNPN open collector output 8.101.091 ₫ 6.750.909 ₫ Thêm vào giỏ hàng Thêm vào danh sách so sánh Danh sách yêu thích tùy chỉnh được Thêm vào danh sách yêu thích Cảm biến Encoder Omron E6H-CWZ3E 1024P/R 0.5M 5...12VDCA,B,Z phase1024 xung/vòngLoại lỗ liền trụcVoltage output (NPN output) 6.766.470 ₫ Thêm vào giỏ hàng Thêm vào danh sách so sánh Danh sách yêu thích tùy chỉnh được Thêm vào danh sách yêu thích Cảm biến Encoder Omron E6H-CWZ6C 600P/R 0.5M 5...24VDCA,B,Z phase600 xung/vòngLoại lỗ liền trụcNPN open collector output 7.021.735 ₫ Thêm vào giỏ hàng Thêm vào danh sách so sánh Danh sách yêu thích tùy chỉnh được Thêm vào danh sách yêu thích Cảm biến Encoder Omron E6H-CWZ3E 600P/R 0.5M 5...12VDCA,B,Z phase600 xung/vòngLoại lỗ liền trụcVoltage output (NPN output) 7.198.910 ₫ Thêm vào giỏ hàng Thêm vào danh sách so sánh Danh sách yêu thích tùy chỉnh được Thêm vào danh sách yêu thích
Cảm biến Encoder Omron E6H-CWZ3E 1000P/R 0.5M 5...12VDCA,B,Z phase1000 xung/vòngLoại lỗ liền trụcVoltage output (NPN output) 5.580.205 ₫ Thêm vào giỏ hàng Thêm vào danh sách so sánh Danh sách yêu thích tùy chỉnh được Thêm vào danh sách yêu thích
Cảm biến Encoder Omron E6H-CWZ6C 500P/R 0.5M 5...24VDCA,B,Z phase500 xung/vòngLoại lỗ liền trụcNPN open collector output 7.865.748 ₫ 6.554.790 ₫ Thêm vào giỏ hàng Thêm vào danh sách so sánh Danh sách yêu thích tùy chỉnh được Thêm vào danh sách yêu thích
Cảm biến Encoder Omron E6H-CWZ6C 720P/R 0.5M 5...24VDCA,B,Z phase720 xung/vòngLoại lỗ liền trụcNPN open collector output 7.865.748 ₫ 6.554.790 ₫ Thêm vào giỏ hàng Thêm vào danh sách so sánh Danh sách yêu thích tùy chỉnh được Thêm vào danh sách yêu thích
Cảm biến Encoder Omron E6H-CWZ3E 500P/R 0.5M 5...12VDCA,B,Z phase500 xung/vòngLoại lỗ liền trụcVoltage output (NPN output) 8.101.091 ₫ 6.750.909 ₫ Thêm vào giỏ hàng Thêm vào danh sách so sánh Danh sách yêu thích tùy chỉnh được Thêm vào danh sách yêu thích
Cảm biến Encoder Omron E6H-CWZ6C 1024P/R 0.5M 5...24VDCA,B,Z phase1024 xung/vòngLoại lỗ liền trụcNPN open collector output 8.101.091 ₫ 6.750.909 ₫ Thêm vào giỏ hàng Thêm vào danh sách so sánh Danh sách yêu thích tùy chỉnh được Thêm vào danh sách yêu thích
Cảm biến Encoder Omron E6H-CWZ3E 1024P/R 0.5M 5...12VDCA,B,Z phase1024 xung/vòngLoại lỗ liền trụcVoltage output (NPN output) 6.766.470 ₫ Thêm vào giỏ hàng Thêm vào danh sách so sánh Danh sách yêu thích tùy chỉnh được Thêm vào danh sách yêu thích
Cảm biến Encoder Omron E6H-CWZ6C 600P/R 0.5M 5...24VDCA,B,Z phase600 xung/vòngLoại lỗ liền trụcNPN open collector output 7.021.735 ₫ Thêm vào giỏ hàng Thêm vào danh sách so sánh Danh sách yêu thích tùy chỉnh được Thêm vào danh sách yêu thích
Cảm biến Encoder Omron E6H-CWZ3E 600P/R 0.5M 5...12VDCA,B,Z phase600 xung/vòngLoại lỗ liền trụcVoltage output (NPN output) 7.198.910 ₫ Thêm vào giỏ hàng Thêm vào danh sách so sánh Danh sách yêu thích tùy chỉnh được Thêm vào danh sách yêu thích