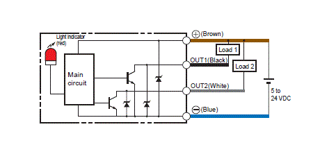
Cảm biến quang điện siêu nhỏ Omron EE-SX953-W 3M NPN5...24VDCDark ON, Light ONTần số đóng/mở: 1kHzChiều rộng khe/rãnh: 5mm nhà chế tạo: Omron SKU: EE-SX953-W 3M Tải xuống mẫu Giá cũ: 396.673 ₫ Giá bán: 330.561 ₫ Số lượng: Thêm vào giỏ hàng Danh sách yêu thích tùy chỉnh được Thêm vào danh sách yêu thích Thêm vào danh sách so sánh Gửi email cho một người bạn Thông tin chi tiết của: Cảm biến quang điện siêu nhỏ Omron EE-SX953-W 3M Thông số kỹ thuật cơ bản của: EE-SX953-W 3M Type Grooved Type (R-shaped) Luminous method Non-modulated Sensing method Through-beam type Sensing distance Slot width: 5 mm Control output (Output type) NPN open collector output Operation mode With both Dark-ON and Light-ON (2 outputs) Connection method Pre-wired models Thông số kỹ thuật chi tiết của: EE-SX953-W 3M ModelEE-SX953-W 3MTypeGrooved Type (R-shaped)Luminous methodNon-modulatedSensing methodThrough-beam typeSensing distanceSlot width: 5 mmOperation modeWith both Dark-ON and Light-ON (2 outputs)Standard sensing objectOpaque, 1.8 x 0.8 mm min.Differential distance elements0.025 mm max.Light source (Peak wavelength)Infrared LED (940 nm)IndicatorLight indicator (red)Power supply voltage5 to 24 VDC ±10%ripple (p-p) 10 % max.Current consumption15 mAControl outputOutput typeNPN open collector outputLoad power supply voltage5 to 24 VDCLoad curren50 mA max.Residual voltageat 50 mA load current: 0.7 V max.at 5 mA load current: 0.4 V max.Protection circuitsOutput short-cut protectionResponse frequency elements1 kHz min.Average value: 3 kHzIllumination on the surface receiverFluorescent light: 1000 lx max.Ambient temperatureOperating: -25 to 55 ℃Storage: -30 to 80 ℃Ambient humidityOperating: 5 to 85 %Storage: 5 to 95 %Vibration resistanceDestruction: 10 to 2000 Hz, peak acceleration 150 m/s2, 0.75 mm single amplitude 2.5 h each in X, Y, and Z directions (15 min periods, 10 cycle)Shock resistanceDestruction: 500 m/s2 for 3 times each in X, Y, and Z directionsDegree of protectionIP50Connection methodPre-wired modelsCable length3 mMaterialCase: Polybutylene terephthalate (PBT)Cover: Polybutylene terephthalate (PBT)Emitter/Receiver: Polycarbonate (PC) Cam Kết Chất Lượng và Dịch Vụ Chúng tôi có hơn 35.000 sản phẩm vì vậy hãy liên hệ với chúng tôi Để được tư vấn và check tình trạng hàng bạn nhé! AUTO TECH VN cam kết: 1. Hàng Chính Hãng. 2. Xuất được Hóa đơn VAT. 3. Cấp CO/CQ đầy đủ. 4. Giá cạnh tranh. 5. Sản phẩm bảo hành theo chính sách của hãng.6. Miễn Phí hỗ trợ cài đặt và sử dụng thiết bị. Thông Tin Liên Hệ Mua Hàng AUTO TECH VN - AUT.VN ĐT/ Zalo : 0968.053.025 Email: support@aut.vn Email2: sale@aut.vn Địa chỉ: 07 KĐT Flora Mizuki, Đường Số 1, Bình Hưng, Bình Chánh, Hồ Chí Minh Thẻ sản phẩm Cảm biến quang điện siêu nhỏ (361) , Sensors (1856) , PhotomicroSensors (136) , Slot-type (128) , Ultra-compact Photomicrosensor (22) , EE-SX95 (23) Những sản phẩm liên quan Cảm biến quang điện siêu nhỏ Omron EE-SX953-W 1M chính hãng - AUT VN Thiết kế siêu nhỏ gọn, dạng khe R (5mm) tối ưu cho không gian hẹpNgõ ra NPN Open Collector, hỗ trợ linh hoạt chế độ Dark-ON/Light-ONĐiện áp hoạt động linh hoạt 5-24VDC, tần số đáp ứng nhanh 1kHzĐộ chính xác cao, độ bền công nghiệp theo tiêu chuẩn Omron Nhật BảnTích hợp sẵn cáp kết nối 1m, dễ dàng lắp đặt vào hệ thống tự động hóa 367.500 ₫ 294.000 ₫ Thêm vào giỏ hàng Thêm vào danh sách so sánh Danh sách yêu thích tùy chỉnh được Thêm vào danh sách yêu thích Cảm biến quang điện siêu nhỏ Omron EE-SX953P-W 1M PNP5...24VDCDark ON, Light ONTần số đóng/mở: 1kHzChiều rộng khe/rãnh: 5mm 363.409 ₫ 302.841 ₫ Thêm vào giỏ hàng Thêm vào danh sách so sánh Danh sách yêu thích tùy chỉnh được Thêm vào danh sách yêu thích Cảm biến quang điện siêu nhỏ Omron EE-SX952P-W 1M PNP5...24VDCDark ON, Light ONTần số đóng/mở: 1kHzChiều rộng khe/rãnh: 5mm 422.700 ₫ 338.160 ₫ Thêm vào giỏ hàng Thêm vào danh sách so sánh Danh sách yêu thích tùy chỉnh được Thêm vào danh sách yêu thích Cảm biến quang điện Omron EE-SX952-W 3M dạng khe siêu nhỏ Dòng cảm biến quang dạng khe (F-shaped) siêu nhỏ gọn từ Omron.Chiều rộng khe 5mm, độ nhạy cao, phản hồi nhanh 1kHz.Nguồn cấp linh hoạt 5-24VDC, ngõ ra NPN (Dark-ON/Light-ON).Đi kèm dây cáp sẵn 3 mét, lắp đặt dễ dàng.Thiết kế bền bỉ, chống rung lắc, chuẩn IP50. 409.500 ₫ 327.600 ₫ Thêm vào giỏ hàng Thêm vào danh sách so sánh Danh sách yêu thích tùy chỉnh được Thêm vào danh sách yêu thích Cảm biến quang chữ U Omron EE-SX953-R 1M (NPN, Khe 5mm) - AUT VN Thương hiệu: Omron (Nhật Bản)Kiểu dáng: Dạng rãnh chữ U (R-shaped) siêu nhỏKhoảng cách phát hiện: Chiều rộng khe 5mmNgõ ra: NPN open collector (Hỗ trợ Dark-ON và Light-ON)Tần số đáp ứng: 1 kHz (Trung bình đạt 3 kHz)Kiểu kết nối: Cáp nối sẵn loại robot bền bỉ dài 1mPhân phối: AUT VN chính hãng, đầy đủ CO/CQ 439.950 ₫ 351.960 ₫ Thêm vào giỏ hàng Thêm vào danh sách so sánh Danh sách yêu thích tùy chỉnh được Thêm vào danh sách yêu thích Cảm biến quang điện Omron EE-SX952-W 1M chính hãng - AUT VN Loại cảm biến: Quang điện dạng khe hình chữ F siêu nhỏ.Khoảng cách khe phát hiện: 5mm.Ngõ ra: NPN Open Collector (Tích hợp Dark-ON/Light-ON).Điện áp hoạt động: 5 - 24 VDC.Tốc độ phản hồi nhanh: Lên đến 1kHz.Tiêu chuẩn bảo vệ: IP50, thiết kế siêu mỏng tiết kiệm không gian. 393.000 ₫ 314.400 ₫ Thêm vào giỏ hàng Thêm vào danh sách so sánh Danh sách yêu thích tùy chỉnh được Thêm vào danh sách yêu thích Cảm biến quang điện siêu nhỏ Omron EE-SX953P-R 1M PNP5...24VDCDark ON, Light ONTần số đóng/mở: 1kHzChiều rộng khe/rãnh: 5mm 385.744 ₫ 321.453 ₫ Thêm vào giỏ hàng Thêm vào danh sách so sánh Danh sách yêu thích tùy chỉnh được Thêm vào danh sách yêu thích Cảm biến quang điện siêu nhỏ Omron EE-SX953P-R 3M PNP5...24VDCDark ON, Light ONTần số đóng/mở: 1kHzChiều rộng khe/rãnh: 5mm 384.940 ₫ Thêm vào giỏ hàng Thêm vào danh sách so sánh Danh sách yêu thích tùy chỉnh được Thêm vào danh sách yêu thích
Cảm biến quang điện siêu nhỏ Omron EE-SX953-W 1M chính hãng - AUT VN Thiết kế siêu nhỏ gọn, dạng khe R (5mm) tối ưu cho không gian hẹpNgõ ra NPN Open Collector, hỗ trợ linh hoạt chế độ Dark-ON/Light-ONĐiện áp hoạt động linh hoạt 5-24VDC, tần số đáp ứng nhanh 1kHzĐộ chính xác cao, độ bền công nghiệp theo tiêu chuẩn Omron Nhật BảnTích hợp sẵn cáp kết nối 1m, dễ dàng lắp đặt vào hệ thống tự động hóa 367.500 ₫ 294.000 ₫ Thêm vào giỏ hàng Thêm vào danh sách so sánh Danh sách yêu thích tùy chỉnh được Thêm vào danh sách yêu thích
Cảm biến quang điện siêu nhỏ Omron EE-SX953P-W 1M PNP5...24VDCDark ON, Light ONTần số đóng/mở: 1kHzChiều rộng khe/rãnh: 5mm 363.409 ₫ 302.841 ₫ Thêm vào giỏ hàng Thêm vào danh sách so sánh Danh sách yêu thích tùy chỉnh được Thêm vào danh sách yêu thích
Cảm biến quang điện siêu nhỏ Omron EE-SX952P-W 1M PNP5...24VDCDark ON, Light ONTần số đóng/mở: 1kHzChiều rộng khe/rãnh: 5mm 422.700 ₫ 338.160 ₫ Thêm vào giỏ hàng Thêm vào danh sách so sánh Danh sách yêu thích tùy chỉnh được Thêm vào danh sách yêu thích
Cảm biến quang điện Omron EE-SX952-W 3M dạng khe siêu nhỏ Dòng cảm biến quang dạng khe (F-shaped) siêu nhỏ gọn từ Omron.Chiều rộng khe 5mm, độ nhạy cao, phản hồi nhanh 1kHz.Nguồn cấp linh hoạt 5-24VDC, ngõ ra NPN (Dark-ON/Light-ON).Đi kèm dây cáp sẵn 3 mét, lắp đặt dễ dàng.Thiết kế bền bỉ, chống rung lắc, chuẩn IP50. 409.500 ₫ 327.600 ₫ Thêm vào giỏ hàng Thêm vào danh sách so sánh Danh sách yêu thích tùy chỉnh được Thêm vào danh sách yêu thích
Cảm biến quang chữ U Omron EE-SX953-R 1M (NPN, Khe 5mm) - AUT VN Thương hiệu: Omron (Nhật Bản)Kiểu dáng: Dạng rãnh chữ U (R-shaped) siêu nhỏKhoảng cách phát hiện: Chiều rộng khe 5mmNgõ ra: NPN open collector (Hỗ trợ Dark-ON và Light-ON)Tần số đáp ứng: 1 kHz (Trung bình đạt 3 kHz)Kiểu kết nối: Cáp nối sẵn loại robot bền bỉ dài 1mPhân phối: AUT VN chính hãng, đầy đủ CO/CQ 439.950 ₫ 351.960 ₫ Thêm vào giỏ hàng Thêm vào danh sách so sánh Danh sách yêu thích tùy chỉnh được Thêm vào danh sách yêu thích
Cảm biến quang điện Omron EE-SX952-W 1M chính hãng - AUT VN Loại cảm biến: Quang điện dạng khe hình chữ F siêu nhỏ.Khoảng cách khe phát hiện: 5mm.Ngõ ra: NPN Open Collector (Tích hợp Dark-ON/Light-ON).Điện áp hoạt động: 5 - 24 VDC.Tốc độ phản hồi nhanh: Lên đến 1kHz.Tiêu chuẩn bảo vệ: IP50, thiết kế siêu mỏng tiết kiệm không gian. 393.000 ₫ 314.400 ₫ Thêm vào giỏ hàng Thêm vào danh sách so sánh Danh sách yêu thích tùy chỉnh được Thêm vào danh sách yêu thích
Cảm biến quang điện siêu nhỏ Omron EE-SX953P-R 1M PNP5...24VDCDark ON, Light ONTần số đóng/mở: 1kHzChiều rộng khe/rãnh: 5mm 385.744 ₫ 321.453 ₫ Thêm vào giỏ hàng Thêm vào danh sách so sánh Danh sách yêu thích tùy chỉnh được Thêm vào danh sách yêu thích
Cảm biến quang điện siêu nhỏ Omron EE-SX953P-R 3M PNP5...24VDCDark ON, Light ONTần số đóng/mở: 1kHzChiều rộng khe/rãnh: 5mm 384.940 ₫ Thêm vào giỏ hàng Thêm vào danh sách so sánh Danh sách yêu thích tùy chỉnh được Thêm vào danh sách yêu thích