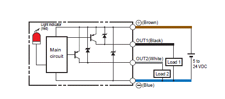
Cảm biến quang điện siêu nhỏ Omron EE-SX954P-W 1M PNP5...24VDCDark ON, Light ONTần số đóng/mở: 1kHzChiều rộng khe/rãnh: 5mm nhà chế tạo: Omron SKU: EE-SX954P-W 1M Tải xuống mẫu Giá cũ: 345.352 ₫ Giá bán: 287.793 ₫ Số lượng: Thêm vào giỏ hàng Danh sách yêu thích tùy chỉnh được Thêm vào danh sách yêu thích Thêm vào danh sách so sánh Gửi email cho một người bạn Thông tin chi tiết của: Cảm biến quang điện siêu nhỏ Omron EE-SX954P-W 1M Thông số kỹ thuật cơ bản của: EE-SX954P-W 1M Type Grooved Type (U-shaped) Luminous method Non-modulated Sensing method Through-beam type Sensing distance Slot width: 5 mm Control output (Output type) PNP open collector output Operation mode With both Dark-ON and Light-ON (2 outputs) Connection method Pre-wired models Thông số kỹ thuật chi tiết của: EE-SX954P-W 1M ModelEE-SX954P-W 1MTypeGrooved Type (U-shaped)Luminous methodNon-modulatedSensing methodThrough-beam typeSensing distanceSlot width: 5 mmOperation modeWith both Dark-ON and Light-ON (2 outputs)Standard sensing objectOpaque, 1.8 x 0.8 mm min.Differential distance elements0.025 mm max.Light source (Peak wavelength)Infrared LED (940 nm)IndicatorLight indicator (red)Power supply voltage5 to 24 VDC ±10%ripple (p-p) 10 % max.Current consumption15 mAControl outputOutput typePNP open collector outputLoad power supply voltage5 to 24 VDCLoad curren50 mA max.Residual voltageat 50 mA load current: 0.7 V max.at 5 mA load current: 0.4 V max.Protection circuitsOutput short-cut protectionResponse frequency elements1 kHz min.Average value: 3 kHzIllumination on the surface receiverFluorescent light: 1000 lx max.Ambient temperatureOperating: -25 to 55 ℃Storage: -30 to 80 ℃Ambient humidityOperating: 5 to 85 %Storage: 5 to 95 %Vibration resistanceDestruction: 10 to 2000 Hz, peak acceleration 150 m/s2, 0.75 mm single amplitude 2.5 h each in X, Y, and Z directions (15 min periods, 10 cycle)Shock resistanceDestruction: 500 m/s2 for 3 times each in X, Y, and Z directionsDegree of protectionIP50Connection methodPre-wired modelsCable length1 mWeightPackage: Approx. 15 gMaterialCase: Polybutylene terephthalate (PBT)Cover: Polybutylene terephthalate (PBT)Emitter/Receiver: Polycarbonate (PC) Cam Kết Chất Lượng và Dịch Vụ Chúng tôi có hơn 35.000 sản phẩm vì vậy hãy liên hệ với chúng tôi Để được tư vấn và check tình trạng hàng bạn nhé! AUTO TECH VN cam kết: 1. Hàng Chính Hãng. 2. Xuất được Hóa đơn VAT. 3. Cấp CO/CQ đầy đủ. 4. Giá cạnh tranh. 5. Sản phẩm bảo hành theo chính sách của hãng.6. Miễn Phí hỗ trợ cài đặt và sử dụng thiết bị. Thông Tin Liên Hệ Mua Hàng AUTO TECH VN - AUT.VN ĐT/ Zalo : 0968.053.025 Email: support@aut.vn Email2: sale@aut.vn Địa chỉ: 07 KĐT Flora Mizuki, Đường Số 1, Bình Hưng, Bình Chánh, Hồ Chí Minh Thẻ sản phẩm Cảm biến quang điện siêu nhỏ (361) , Sensors (1856) , PhotomicroSensors (136) , Slot-type (128) , Ultra-compact Photomicrosensor (22) , EE-SX95 (23) Những sản phẩm liên quan Cảm biến quang điện siêu nhỏ Omron EE-SX950P-W 1M PNP5...24VDCDark ON, Light ONTần số đóng/mở: 1kHzChiều rộng khe/rãnh: 5mm 321.829 ₫ 268.191 ₫ Thêm vào giỏ hàng Thêm vào danh sách so sánh Danh sách yêu thích tùy chỉnh được Thêm vào danh sách yêu thích Cảm biến quang điện siêu nhỏ Omron EE-SX954-W 1M chính hãng Thiết kế siêu nhỏ gọn, dạng khe (U-shaped) lắp đặt linh hoạt.Ngõ ra NPN Open Collector, hỗ trợ cả Dark-ON và Light-ON.Điện áp hoạt động rộng: 5-24 VDC.Tần số phản hồi cao lên đến 1kHz.Chiều rộng khe cảm biến 5mm, độ chính xác cực cao. 326.700 ₫ 272.250 ₫ Thêm vào giỏ hàng Thêm vào danh sách so sánh Danh sách yêu thích tùy chỉnh được Thêm vào danh sách yêu thích Cảm biến quang điện siêu nhỏ Omron EE-SX950-W 1M NPN5...24VDCDark ON, Light ONTần số đóng/mở: 1kHzChiều rộng khe/rãnh: 5mm 376.050 ₫ 300.840 ₫ Thêm vào giỏ hàng Thêm vào danh sách so sánh Danh sách yêu thích tùy chỉnh được Thêm vào danh sách yêu thích Cảm biến quang điện Omron EE-SX950-W 3M - Siêu nhỏ, Chính xác Dòng cảm biến quang điện dạng khe (slot type) siêu nhỏ gọnKhoảng cách khe phát hiện: 5mmNgõ ra NPN Open Collector linh hoạt Dark-ON/Light-ONDải điện áp hoạt động rộng: 5 - 24 VDCChiều dài cáp kết nối 3 mét, sẵn sàng lắp đặtThiết kế tối ưu cho không gian hẹp trong máy tự động hóa 462.750 ₫ 370.200 ₫ Thêm vào giỏ hàng Thêm vào danh sách so sánh Danh sách yêu thích tùy chỉnh được Thêm vào danh sách yêu thích Cảm biến quang điện siêu nhỏ Omron EE-SX954-W 3M NPN5...24VDCDark ON, Light ONTần số đóng/mở: 1kHzChiều rộng khe/rãnh: 5mm 396.673 ₫ 330.561 ₫ Thêm vào giỏ hàng Thêm vào danh sách so sánh Danh sách yêu thích tùy chỉnh được Thêm vào danh sách yêu thích Cảm Biến Quang Điện Omron EE-SX951-W 1M – Loại Khe Siêu Nhỏ, NPN Phát hiện chính xác: Cảm biến quang điện loại khe 5mm Omron EE-SX951-W.Linh hoạt ứng dụng: Hỗ trợ ngõ ra NPN, chế độ Dark ON/Light ON.Hoạt động ổn định: Điện áp 5-24VDC, tần số đáp ứng nhanh 1kHz.Thiết kế siêu nhỏ: Lý tưởng cho không gian hạn chế, cáp 1M tiện lợi.Chất lượng Omron: Độ bền cao, hiệu suất tin cậy trong môi trường công nghiệp. 356.100 ₫ 284.880 ₫ Thêm vào giỏ hàng Thêm vào danh sách so sánh Danh sách yêu thích tùy chỉnh được Thêm vào danh sách yêu thích Cảm biến quang điện siêu nhỏ Omron EE-SX950P-R 1M PNP5...24VDCDark ON, Light ONTần số đóng/mở: 1kHzChiều rộng khe/rãnh: 5mm 282.910 ₫ Thêm vào giỏ hàng Thêm vào danh sách so sánh Danh sách yêu thích tùy chỉnh được Thêm vào danh sách yêu thích Cảm biến quang điện Omron EE-SX950-R 1M Khe 5mm Chính Hãng Thiết kế siêu nhỏ, dạng khe 5mm tối ưu không gian lắp đặt.Cáp Robot chịu uốn bền bỉ, chiều dài 1m cho máy chuyển động.Nguồn cấp linh hoạt: 5 - 24 VDC.Tích hợp cả hai chế độ đầu ra Dark-ON và Light-ON.Độ tin cậy cao, đáp ứng nhanh 1kHz, chuẩn Omron Nhật Bản. 393.300 ₫ 314.640 ₫ Thêm vào giỏ hàng Thêm vào danh sách so sánh Danh sách yêu thích tùy chỉnh được Thêm vào danh sách yêu thích
Cảm biến quang điện siêu nhỏ Omron EE-SX950P-W 1M PNP5...24VDCDark ON, Light ONTần số đóng/mở: 1kHzChiều rộng khe/rãnh: 5mm 321.829 ₫ 268.191 ₫ Thêm vào giỏ hàng Thêm vào danh sách so sánh Danh sách yêu thích tùy chỉnh được Thêm vào danh sách yêu thích
Cảm biến quang điện siêu nhỏ Omron EE-SX954-W 1M chính hãng Thiết kế siêu nhỏ gọn, dạng khe (U-shaped) lắp đặt linh hoạt.Ngõ ra NPN Open Collector, hỗ trợ cả Dark-ON và Light-ON.Điện áp hoạt động rộng: 5-24 VDC.Tần số phản hồi cao lên đến 1kHz.Chiều rộng khe cảm biến 5mm, độ chính xác cực cao. 326.700 ₫ 272.250 ₫ Thêm vào giỏ hàng Thêm vào danh sách so sánh Danh sách yêu thích tùy chỉnh được Thêm vào danh sách yêu thích
Cảm biến quang điện siêu nhỏ Omron EE-SX950-W 1M NPN5...24VDCDark ON, Light ONTần số đóng/mở: 1kHzChiều rộng khe/rãnh: 5mm 376.050 ₫ 300.840 ₫ Thêm vào giỏ hàng Thêm vào danh sách so sánh Danh sách yêu thích tùy chỉnh được Thêm vào danh sách yêu thích
Cảm biến quang điện Omron EE-SX950-W 3M - Siêu nhỏ, Chính xác Dòng cảm biến quang điện dạng khe (slot type) siêu nhỏ gọnKhoảng cách khe phát hiện: 5mmNgõ ra NPN Open Collector linh hoạt Dark-ON/Light-ONDải điện áp hoạt động rộng: 5 - 24 VDCChiều dài cáp kết nối 3 mét, sẵn sàng lắp đặtThiết kế tối ưu cho không gian hẹp trong máy tự động hóa 462.750 ₫ 370.200 ₫ Thêm vào giỏ hàng Thêm vào danh sách so sánh Danh sách yêu thích tùy chỉnh được Thêm vào danh sách yêu thích
Cảm biến quang điện siêu nhỏ Omron EE-SX954-W 3M NPN5...24VDCDark ON, Light ONTần số đóng/mở: 1kHzChiều rộng khe/rãnh: 5mm 396.673 ₫ 330.561 ₫ Thêm vào giỏ hàng Thêm vào danh sách so sánh Danh sách yêu thích tùy chỉnh được Thêm vào danh sách yêu thích
Cảm Biến Quang Điện Omron EE-SX951-W 1M – Loại Khe Siêu Nhỏ, NPN Phát hiện chính xác: Cảm biến quang điện loại khe 5mm Omron EE-SX951-W.Linh hoạt ứng dụng: Hỗ trợ ngõ ra NPN, chế độ Dark ON/Light ON.Hoạt động ổn định: Điện áp 5-24VDC, tần số đáp ứng nhanh 1kHz.Thiết kế siêu nhỏ: Lý tưởng cho không gian hạn chế, cáp 1M tiện lợi.Chất lượng Omron: Độ bền cao, hiệu suất tin cậy trong môi trường công nghiệp. 356.100 ₫ 284.880 ₫ Thêm vào giỏ hàng Thêm vào danh sách so sánh Danh sách yêu thích tùy chỉnh được Thêm vào danh sách yêu thích
Cảm biến quang điện siêu nhỏ Omron EE-SX950P-R 1M PNP5...24VDCDark ON, Light ONTần số đóng/mở: 1kHzChiều rộng khe/rãnh: 5mm 282.910 ₫ Thêm vào giỏ hàng Thêm vào danh sách so sánh Danh sách yêu thích tùy chỉnh được Thêm vào danh sách yêu thích
Cảm biến quang điện Omron EE-SX950-R 1M Khe 5mm Chính Hãng Thiết kế siêu nhỏ, dạng khe 5mm tối ưu không gian lắp đặt.Cáp Robot chịu uốn bền bỉ, chiều dài 1m cho máy chuyển động.Nguồn cấp linh hoạt: 5 - 24 VDC.Tích hợp cả hai chế độ đầu ra Dark-ON và Light-ON.Độ tin cậy cao, đáp ứng nhanh 1kHz, chuẩn Omron Nhật Bản. 393.300 ₫ 314.640 ₫ Thêm vào giỏ hàng Thêm vào danh sách so sánh Danh sách yêu thích tùy chỉnh được Thêm vào danh sách yêu thích